1. Vespa Forum
    1. Unerledigte Themen
  2. Dashboard
  3. Galerie
    1. Alben
    2. Karte
  4. Lexikon
  • Anmelden oder registrieren
  • Suche
Dieses Thema
  • Alles
  • Dieses Thema
  • Dieses Forum
  • Forum
  • Galerie
  • Lexikon
  • Seiten
  • Erweiterte Suche
  1. VespaOnline Forum: Entdecke die Welt der klassischen Vespa-Roller und teile deine Leidenschaft
  2. Vespa Smallframe / Largeframe / Wideframe Roller
  3. Vespa Elektrik

Elektrik Lenkkopf PX80

  • debaser
  • July 4, 2013 at 13:14
  • debaser
    Anfänger
    Punkte
    30
    Beiträge
    5
    Wohnort
    Unterfranggn
    Vespa Typ
    PX80, 134ccm Bj.1981
    • July 4, 2013 at 13:14
    • #1

    Hallo Vespafreunde,

    ich bin absolut neu in diesem Forum aber schon am Verzweifeln.

    Ich habe mir vor einiger Zeit einen Jugendtraum erfüllt (nachdem ich in den 90ern mal eine PX80 hatte) und mir eine PX80 Bj. 1981 gekauft...
    Diese lief auch einigermassen, bis ich die Idee hatte auf einen gelben Schweinwerfer umzurüsten (ich weiss, ist nicht ganz legal-aber ich liebe diesen "Oldschool Style")... :thumbup:

    Nun stehe ich vor einem völlig verwurschteltem Kabelbaum (von den unzähligen Vorbesitzern) und benötige dringend Bildmaterial aus denen ich mir ein Bild machen kann, wie die Leitungen wo angeschlossen gehören...Ich muss dringend im Lenkkopf aufräumen...

    Kann mir da jemand mit Bildern behilflich sein?

    Ach ja: Die Vespa hat eine Batterie.

    :S

    "Zwei Dinge sind unendlich, das Universum und die menschliche Dummheit, aber bei dem Universum bin ich mir noch nicht ganz sicher.“ Albert Einstein.

  • kasonova
    Foren-Inventar
    Reaktionen
    43
    Punkte
    31,593
    Trophäen
    2
    Beiträge
    6,227
    Bilder
    10
    Einträge
    3
    Wohnort
    Solingen
    Vespa Typ
    Vespa ET2, V50 Spezial, PK 50 XL2
    • July 4, 2013 at 13:20
    • #2

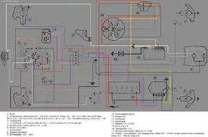
    Wenn man Dein Problem in die Suche ein gibt, kommt folgendes Bild. Das sollte doch deine Fragen beantworten. Denn alle Bezeichnungen und alle Kabelfarben. Was brauchst Du noch?

    Bilder

    • V8X1TmitBatterie.gif
      • 142.5 kB
      • 1,736 × 1,146
      • 371
  • debaser
    Anfänger
    Punkte
    30
    Beiträge
    5
    Wohnort
    Unterfranggn
    Vespa Typ
    PX80, 134ccm Bj.1981
    • July 4, 2013 at 13:31
    • #3

    Erstmal danke für die Antwort. Den Plan habe ich, aber damit komm ich nicht weiter.

    Das Problem ist, dass von den Vorbesitzern massiv rumgepfuscht worden ist und die Leitungen geschnitten, aufgetrennt usw worden sind....
    Ich habe jetzt einen ganzen Haufen zusammengeflickter gleichfarbiger Leitungen im Lenkkopf...
    Darum würden mir Bilder sicher helfen daraus einen Plan zu erstellen...

    Sorry, wenn die Frage nicht eindeutig genug war....

    "Zwei Dinge sind unendlich, das Universum und die menschliche Dummheit, aber bei dem Universum bin ich mir noch nicht ganz sicher.“ Albert Einstein.

  • kasonova
    Foren-Inventar
    Reaktionen
    43
    Punkte
    31,593
    Trophäen
    2
    Beiträge
    6,227
    Bilder
    10
    Einträge
    3
    Wohnort
    Solingen
    Vespa Typ
    Vespa ET2, V50 Spezial, PK 50 XL2
    • July 4, 2013 at 13:40
    • #4

    Nein so kommst Du sicher nicht weiter, Dir hilft nur ein Messgerät und viiiel Geduld. Wenn Du in eine Werkstatt gehen würdest, würdest Du zu hören bekommen; "das ist total verpfuscht, da muss ein neuer Kabelbaum rein". Das willst Du aber sicher nicht bezahlen. Nur was willst Du mit einem Bild mit einer sauberen Verkabelung? Damit ist dein Kabelsalat nicht beseitigt.

  • debaser
    Anfänger
    Punkte
    30
    Beiträge
    5
    Wohnort
    Unterfranggn
    Vespa Typ
    PX80, 134ccm Bj.1981
    • July 4, 2013 at 14:11
    • #5

    Doch das wuerde mir schon helfen-damit koennte ich die Leitungen zuordnen und dem Chaos Herr werden...
    In eine Vespa Werkstatt? Dafuer muesste ich erstmal eine finde,die sich auch auskennt...

    Aber wie gesagt mit Bildern schaff ich das selber..sie lief ja schon mal einigermasse ...

    "Zwei Dinge sind unendlich, das Universum und die menschliche Dummheit, aber bei dem Universum bin ich mir noch nicht ganz sicher.“ Albert Einstein.

  • SubRoger
    Fortgeschrittener
    Reaktionen
    7
    Punkte
    1,247
    Trophäen
    1
    Beiträge
    240
    Wohnort
    24340 Eckernförde, Deutschland
    Vespa Typ
    P80X
    • July 4, 2013 at 21:03
    • #6

    Wie gewünscht Bilder einer '81er Kabelsalates im Lenker:

    Es gibt da natürlich noch andere Möglichkeiten, auf den Bildern ist die Parklichtstellung nicht angeschlossen,
    auf dem Schaltplan ist sie enthalten
    Viel Erfolg

    P80X, BJ 81

  • debaser
    Anfänger
    Punkte
    30
    Beiträge
    5
    Wohnort
    Unterfranggn
    Vespa Typ
    PX80, 134ccm Bj.1981
    • July 5, 2013 at 15:49
    • #7

    :D

    Super, vielen Dank-ich hoffe die Bilder helfen mir ein system zu finden.
    Wenn noch jemand in seinem Fundus hat: Schon mal danke!

    "Zwei Dinge sind unendlich, das Universum und die menschliche Dummheit, aber bei dem Universum bin ich mir noch nicht ganz sicher.“ Albert Einstein.

  • SubRoger
    Fortgeschrittener
    Reaktionen
    7
    Punkte
    1,247
    Trophäen
    1
    Beiträge
    240
    Wohnort
    24340 Eckernförde, Deutschland
    Vespa Typ
    P80X
    • July 6, 2013 at 06:50
    • #8

    Das hab ich noch gefunden:
    PX alt Zündschloss

    P80X, BJ 81

  • debaser
    Anfänger
    Punkte
    30
    Beiträge
    5
    Wohnort
    Unterfranggn
    Vespa Typ
    PX80, 134ccm Bj.1981
    • July 7, 2013 at 20:03
    • #9

    Hat jemand noch ein Bild, woraus hervorgeht aus welchem "Kabelbaum" das Frontlicht versorgt wird?

    "Zwei Dinge sind unendlich, das Universum und die menschliche Dummheit, aber bei dem Universum bin ich mir noch nicht ganz sicher.“ Albert Einstein.

Tags

  • Vespa Elektrik
  • Vespa PX
  • Vespa PX 80
  1. Datenschutzerklärung
  2. Impressum
  3. Kontakt
  4. Geschichte der Vespa bei Wikipedia
  5. Nutzungsbedingungen
Made with ♥ in Bavaria
Community-Software: WoltLab Suite™