Ich habe eine PK50XL Elestart und wollte mal fragen, woher die Hupe den Gleichstrom nimmt. Ich habe nämlich keinen Hupengleichrichter. Meine Hupe macht im unteren Drehzahlbereich komisch krächzende Geräusche, wenn ich höher drehe geht nichts mehr. Meine Vermutung war, daß der Gleichrichter defekt ist, und sie deshalb Wechselstrom bekommt.
Hupengleichrichter PK Elestart
-
-
na aus der Batterie bekommt sie ihren strom.....
Rita
und jetzt erzähl mir bloß nicht, Du fährst ohne Batterie rum.....
-
ja eigentlich schon
. Weshalb ist das denn problematisch? -
weil Du damit die ganze ELEKTRICK schlachtest !!!!! Dann kannst Du demnächst alle die hübschen Teile neu kaufen.
klaus

-
dann hab ich ja bisher nochmal richtig glück gehabt. fahre jetzt schon seit über einem jahr ohne batterie. wahrscheinlich lief bisher alles gut, weil ich noch nichts von der 'gefahr' wusste
. werde mir dann wohl mal schnell eine neue batterie holen. kann mir aber vielleiicht trotzdem einer erklären, weshalb es so gefährlich ist? vielleich ist es peinlich zu sagen, dass ich mechatronik studiere, und diese frage stelle, aber ich tu's trotzdem. kann es daran liegen, dass die lima ständig strom erzeugt, welcher bei ausgeschalteten verbrauchern irgendwo hin muss? und was ist bei modellen ohne batterie? -
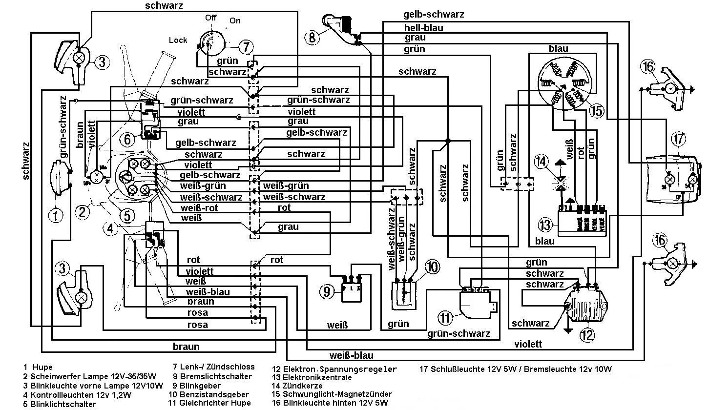
Hi, die letzte Frage zuerst, die sind anders konstruiert, die besitzen einen dreipoligen Regeler und einen Hupengleichrichter um die Hupe mit Gleichstrom zu versogen. Deine Vespa besitzt einen fünfpoligen Regeler und in der Lichtmaschine ist eine separate Spule für den Ladestrom der Batterie zuständig. Wenn Du Mechatroniker werden willst kannst Du dir aus den anhängenden Schaltplänen selbst die Unterschiede heraussuchen.
klaus
