Hallo,
ich habe inzwischen schon lang gesucht und auch einiges gefunden, aber irgendwie ist nicht die Lösung dabei, die ich brauche.
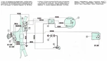
Ich habe eine V50 ohne Bremslicht und ohne Blinker und ich stehe vor der Heruasforderung, die Kabel anzuschließen.
Natürlich habe ich Zeichnungen, aber irgendwie verstehe ich nicht so gant, welches Kabel wohin muss und ich hoffe, es gibt hier jemanden, der mir helfen kann.
Auf den Fotos seht ihr, was ich für Kabel habe und auch den Schalter. Von dort ziehe ich dann noch zwei Kabel zur Lampe... nur wie und wo
Vielen Dank schon mal und bis gleich
Dieter
