hi
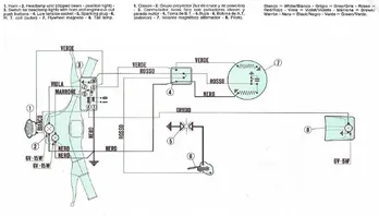
kann mir vllt jmd weiterhelfen mit dem Schalter. Leider weis ich nicht wo der weiße Kabel hingeht. Und wegen dem grünen der ist vorne etwas dicker als die anderen wie bekomme ich den am besten reingeklemmt. Sobald ich die Schraube zuziehe drückt es den Kabel wieder raus.
