Hallo zusammen,
nachdem ja meine Batterie nicht mehr geladen wurde, habe ich während der Fehlersuche mal die Zündung ausgebaut. Naja, nach 35 Jahren hat so ein Teil wohl das Recht so zu auszusehen ![]()
#
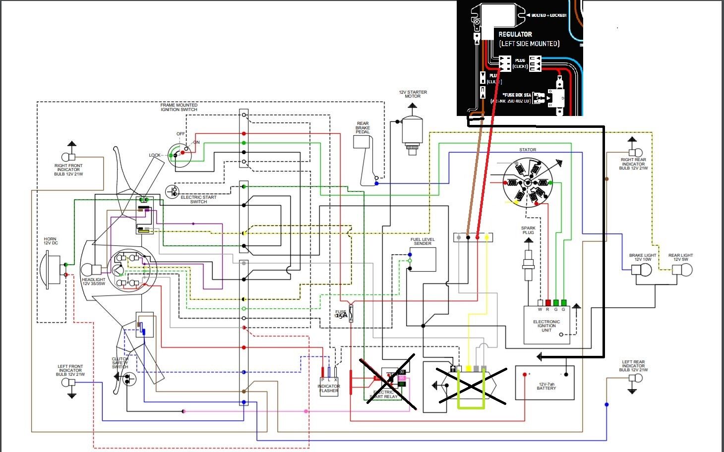
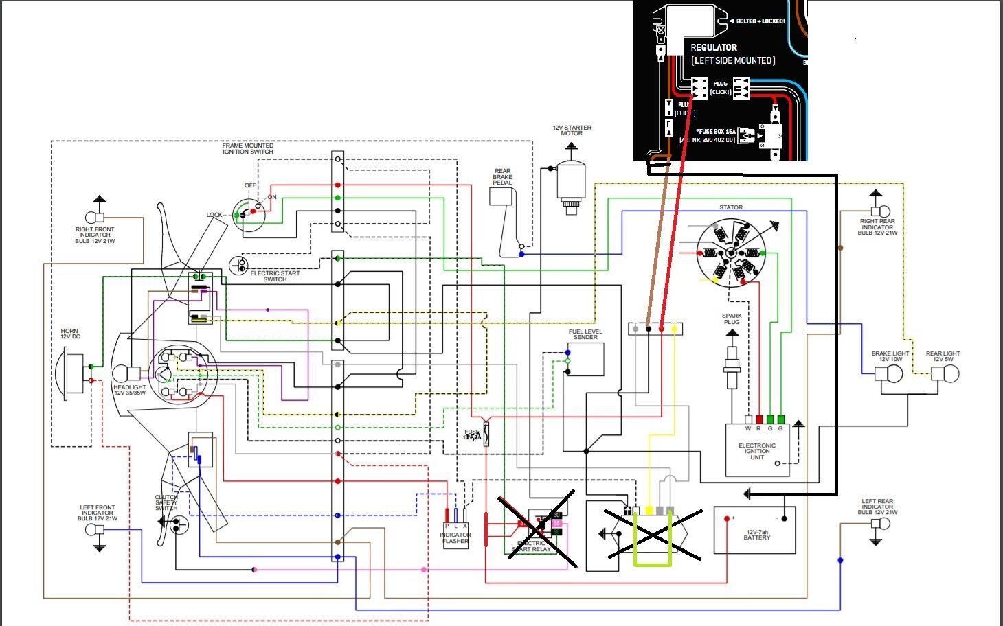
die Kabel sind total hinüber... nun habe ich mir diese Zündung hier geordert
Einbauanleitung und Video hab ich mir schon angeschaut.... Der Einbau inkl. OT finden CDI anschließen usw. sind kein Problem. Allerdings ist mir der Anschluss der restlichen Elektrik noch etwas unklar.... Wenn ich mir den Anschlussplan anschaue, dann wird die Batterie ja einfach an den Regler angeschlossen. Müsste da nicht irgendwie ein Regler oder so dazwischen? So bekommt die Batterie ja permanent Spannung ab, auch wenn sie "voll" ist. Oder ist das kein Problem? Denn dieser Anschluss versorgt ja gleichzeitig das Bordnetz mit DC...
Dann ist es aktuell ja so, das mein Licht nur geht wenn der Motor läuft. Blinker und Hupe so wie Tankanzeige funktionieren wenn Zündung an da sie über die Batterie bzw. DC laufen. Welcher Ausgang des originalen Spannungsreglers ist welcher Kreis?
Für mein Verständnis müsste ich doch einfach den DC Ausgang des Vape Reglers die beiden Kreise hängen und schon wird Licht, sowie Hupe und der Rest darüber versorgt!?
Dann hängt da noch so ein rotes Relais bei der Batterie rum, keine Ahnung für was das ist, ich glaube die Karre hatte mal ein E-Start oder so....
Über ein paar hilfreiche Tips wäre ich wie immer sehr dankbar
, hab kein Lust die ganze Karre abzufackeln weil dich da was falsch anschliesse ![]()
Gruß Kai
