1. Vespa Forum
    1. Unerledigte Themen
  2. Dashboard
  3. Galerie
    1. Alben
    2. Karte
  4. Lexikon
  • Anmelden
  • Registrieren
  • Suche
Dieses Thema
  • Alles
  • Dieses Thema
  • Dieses Forum
  • Forum
  • Galerie
  • Lexikon
  • Seiten
  • Erweiterte Suche
  1. VespaOnline Forum: Entdecke die Welt der klassischen Vespa-Roller und teile deine Leidenschaft
  2. Vespa Smallframe / Largeframe / Wideframe Roller
  3. Vespa Elektrik

Nur Hupe und Zündung gehen bei Pk50

  • pk50race
  • March 19, 2019 at 20:07
  • pk50race
    Anfänger
    Punkte
    45
    Beiträge
    8
    Vespa Typ
    Pk50
    • March 19, 2019 at 20:07
    • #1

    Hallo Leute!

    Ich bin dem Forum beigetreten, weil ich ein Problem mit meiner eigentlich restaurierten Pk50 habe.

    Ich habe die Pk neu aufgebaut (lackiert, Motor überholt,...), allerdings als ich das erste Mal die Beleuchtung testen wollte, merkte ich, dass da gar nichts geht.:-1 Es geht nur die Hupe (normal laut), der Killswitch bzw. Zündung und der Motor.

    Zur Info: Die Maschine hat 4 Blinker, keine Batterie und keine Tankanzeige.

    Die Masse liegt nicht auf dem Lack auf (es gibt nur den Kontakt beim Tank??), und ich habe auch bereits ein paar Kabel durchgemessen, da war aber eigentlich überall Durchgang/kein Widerstand. Richtig angeschlossen müssten die Kabel auch sein.

    Der Kabelbaum wurde zudem im ausgebauten Zustand auf Kabelbrüche kontrolliert.

    Was mich noch mehr verwirrt, ist dass vor dem Zerlegen noch alle Blinker und Lichter gegangen sind.

    Außerdem sind alle Birnen ganz, deswegen habe ich gedacht es kann nicht am Spannungsregler liegen. :/

    Seit dem Zerlegen wurde neu gemacht:

    Alle Birnen, neues Polrad und Lima. Kann es an einem der neuen Teile liegen? Strom kommt ja aus der Lima, da die Hupe geht.

    Oder hängt die Hupe nicht am Blauen kabel, das von der Lima kommt?

    Klar wurden noch ein paar andere Sachen erneuert, aber die haben nichts mit der Elektrik zu tun.

    Hat jemand einen Heißen Tipp?

    Ich war schon so nahe am Ziel meiner 1. Vespa Restauration, doch jetzt weiß ich nicht mehr weiter.

    Lg Marc :+5

  • dr.sonny
    Profi
    Reaktionen
    168
    Punkte
    6,138
    Trophäen
    1
    Beiträge
    1,188
    • March 19, 2019 at 20:10
    • #2

    Verstehe ich das richtig, das alles funktioniert hat bevor du zerlegt hasst?

    Geht nicht gibt`s nicht!

    Special V 50N 102ccm 19.19 Vergaser
    Px 150 Lusso mit 200er Motor Bj: 86

    Vespa VBB1 Bj 1961mit PX Motor und Parmakit 177ccm

    und ne Zündapp Bella 203 :P

  • pk50race
    Anfänger
    Punkte
    45
    Beiträge
    8
    Vespa Typ
    Pk50
    • March 19, 2019 at 20:13
    • #3

    Jap so ist das!

  • PK50XLUSER
    Anfänger
    Reaktionen
    1
    Punkte
    276
    Beiträge
    54
    Wohnort
    40885 Ratingen
    Vespa Typ
    PK50XL
    • March 19, 2019 at 20:37
    • #4

    Kann eigentlich nur die Steckverbindung vorne am Kabelbaum sein. Demnach keine Spannung am Schalter...Licht...Blinker. Hast du hier geprüft ob alles richtig gesteckt ist?

  • pk50race
    Anfänger
    Punkte
    45
    Beiträge
    8
    Vespa Typ
    Pk50
    • March 19, 2019 at 20:41
    • #5

    Mit Steckverbindung vorne am Kabelbaum meinst du diese graue Leiste mit den Steckern?

    Dort gibt es ja für jeden Stecker nur 1 Platz. Aber ich werde das nochmal checken.

    Danke für den Tipp!

  • PK50XLUSER
    Anfänger
    Reaktionen
    1
    Punkte
    276
    Beiträge
    54
    Wohnort
    40885 Ratingen
    Vespa Typ
    PK50XL
    • March 19, 2019 at 20:42
    • #6

    Siehe hier

    Bilder

    • 66EEBBE0-4020-4019-8845-DA801CA5E938.jpeg
      • 343.66 kB
      • 1,696 × 1,200
  • pk50race
    Anfänger
    Punkte
    45
    Beiträge
    8
    Vespa Typ
    Pk50
    • March 19, 2019 at 20:50
    • #7

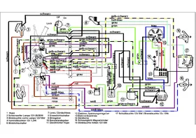
    Nach diesem Schaltplan bin ich beim Messen vorgegangen, aber ist das der Richtige?

    Ich habe nämlich keine Tankanzeige (Nummer 10).

  • rassmo March 19, 2019 at 21:48

    Hat das Thema aus dem Forum Smallframe: Technik und Allgemeines nach Vespa Elektrik verschoben.
  • pk50race
    Anfänger
    Punkte
    45
    Beiträge
    8
    Vespa Typ
    Pk50
    • March 20, 2019 at 07:36
    • #8

    Super, Danke!

  • pk50race
    Anfänger
    Punkte
    45
    Beiträge
    8
    Vespa Typ
    Pk50
    • March 20, 2019 at 19:23
    • #9

    Hat noch jemand eine Idee?

  • tonitest
    Meister
    Reaktionen
    2,168
    Punkte
    13,858
    Trophäen
    2
    Beiträge
    2,324
    Einträge
    1
    Wohnort
    Domkloster 4, 50667 Köln, Deutschland
    Vespa Typ
    PK 50 XL2, BJ 1991
    • March 20, 2019 at 22:22
    • #10

    Schau doch mal hier:

    http://www.vespa-servizio.de/schaltplaene.php

    ob da der passende Plan dabei ist.

    Was hast Du denn bis jetzt noch gemacht?

    Wie oben vorgeschlagen, mal die Verbindungen vorne im Kabelbaum an der Kaskade kontrolliert?

  • pk50race
    Anfänger
    Punkte
    45
    Beiträge
    8
    Vespa Typ
    Pk50
    • March 21, 2019 at 07:37
    • #11

    Die Verbindungen hab ich schon kontrolliert hat leider nichts geholfen.

    Was könnte sonst noch sein?

    Lg Marc

  • pk50race
    Anfänger
    Punkte
    45
    Beiträge
    8
    Vespa Typ
    Pk50
    • March 21, 2019 at 21:17
    • #12

    Leute ich wäre euch wirklich sehr Dankbar für Hilfe.

    Ich würde nämlich gerne demnächst das "Pickerl" machen.

    Lg Marc

Tags

  • PK 50
  • Beleuchtung
  1. Datenschutzerklärung
  2. Impressum
  3. Kontakt
  4. Geschichte der Vespa bei Wikipedia
  5. Nutzungsbedingungen
Made with ♥ in Bavaria
Community-Software: WoltLab Suite™