Hallo Zusammen,
Das sollte gehen oder?
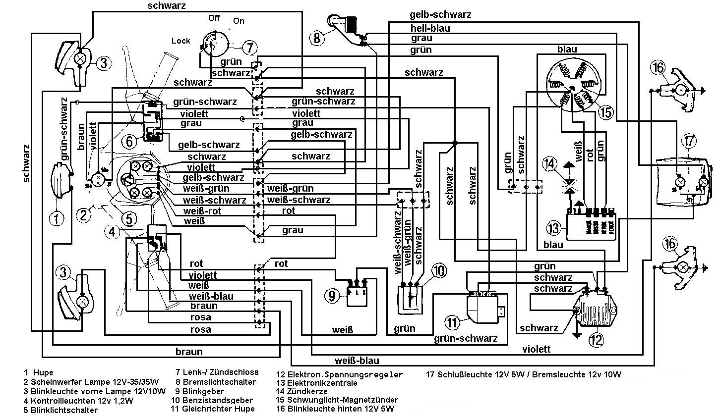
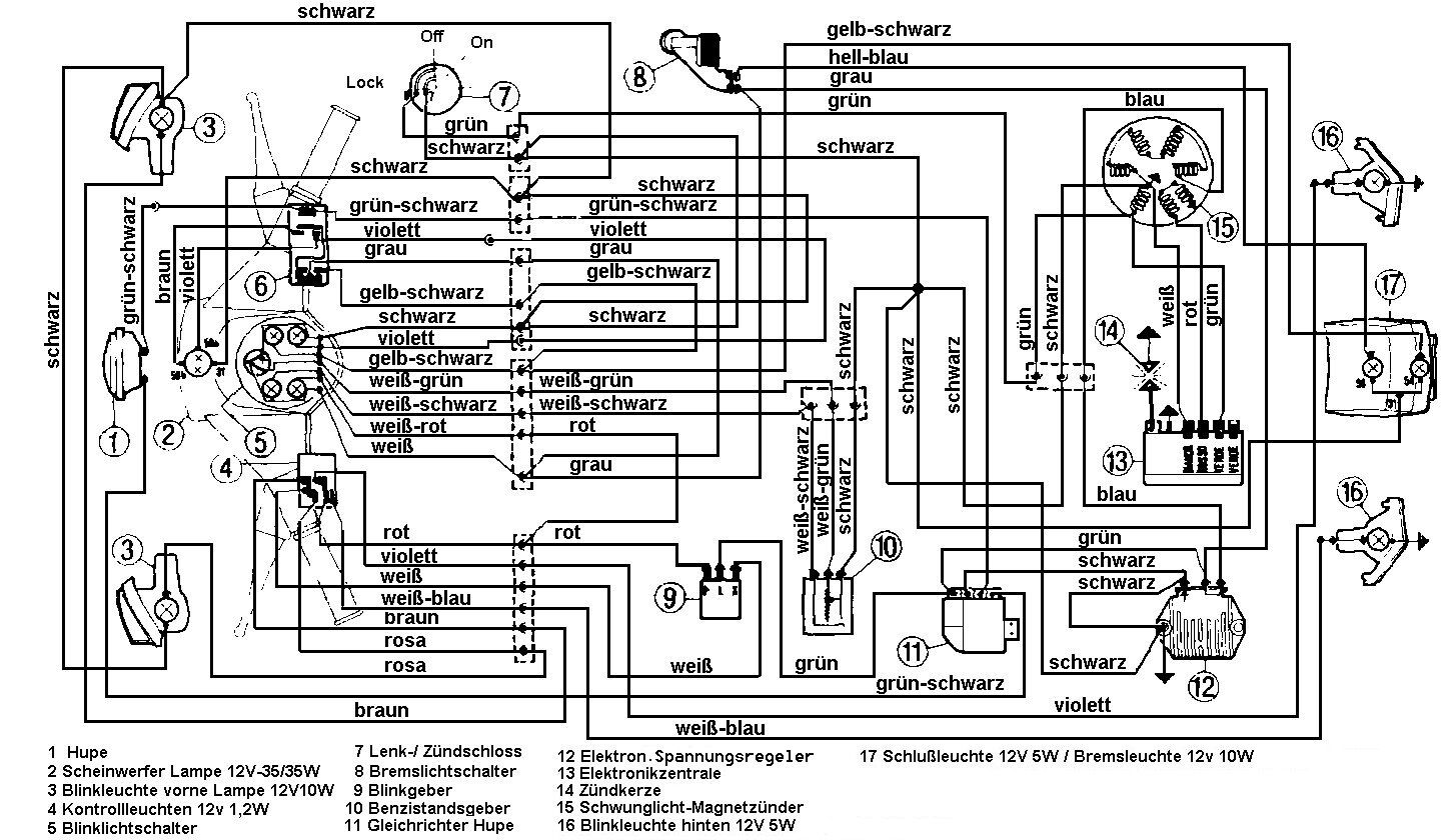
Was ich bis jetzt hoffentlich richtig verstanden habe (anhand der Grafik im 2ten Link):
Das Schwarze (Grafik: Rot-Schwarz) und das Blaue von der Zündung gehen zu der Zündspule. Dort werden die beiden jeweils an einem der 2 Pins zusammen mit dem Grünen bzw. Schwarzen des Kabelbaums verbunden. Das Gelbe (Grafik: Gelb-Weiss) der Zündung wird direkt mit dem Blauen des Baumes verbunden.
Das Ganze rum um den Spannungsregler versteh ich jedoch nicht ganz. Was passier mit dem? Was macht man mit den Kabeln die bereits da dran sind? etc.
Könnte mir da jemand aushelfen?
Vielen Dank!
Zündung:
Externer Inhalt
www.sip-scootershop.com
Inhalte von externen Seiten werden ohne Ihre Zustimmung nicht automatisch geladen und angezeigt.
Durch die Aktivierung der externen Inhalte erklären Sie sich damit einverstanden, dass personenbezogene Daten an Drittplattformen übermittelt werden. Mehr Informationen dazu haben wir in unserer Datenschutzerklärung zur Verfügung gestellt.
Grafik zur Vespatronic (gilt genau so wohl auch für die VMC):
Externer Inhalt
www.sip-scootershop.com
Inhalte von externen Seiten werden ohne Ihre Zustimmung nicht automatisch geladen und angezeigt.
Durch die Aktivierung der externen Inhalte erklären Sie sich damit einverstanden, dass personenbezogene Daten an Drittplattformen übermittelt werden. Mehr Informationen dazu haben wir in unserer Datenschutzerklärung zur Verfügung gestellt.
Original Schaltplan:
