1. Vespa Forum
    1. Unerledigte Themen
  2. Dashboard
  3. Galerie
    1. Alben
    2. Karte
  4. Lexikon
  • Anmelden
  • Registrieren
  • Suche
Dieses Thema
  • Alles
  • Dieses Thema
  • Dieses Forum
  • Forum
  • Galerie
  • Lexikon
  • Seiten
  • Erweiterte Suche
  1. VespaOnline Forum: Entdecke die Welt der klassischen Vespa-Roller und teile deine Leidenschaft
  2. Vespa Smallframe / Largeframe / Wideframe Roller
  3. Vespa Elektrik

Frage zu PK50 XL mit el. Starter

  • hellraider007
  • July 13, 2008 at 09:20
  • hellraider007
    Anfänger
    Punkte
    65
    Beiträge
    11
    Vespa Typ
    Pk50
    • July 13, 2008 at 09:20
    • #1

    Hallo,

    ich bin neu hier.
    Ich habe mir eine PK50XL mit elektr. Starter Bj. 91 zugelegt. ( V5X3T)
    Im nachhinein hat sich herausgestellt, das das Teilchen ziemlich marode ist.
    Aber ich habe mich dazu entschlossen, das Teil vor dem Schrottplatz zu retten.

    An der Vespa haben sich anscheinend schon etliche "Bastler" probiert,
    denn die Verkabelung stimmt überhaupt nicht mehr ( auch die Farben sind verkehrt)

    Nun zu meiner Frage :

    Wie verhält sich das genau mit der Spannungsversorgung ?

    Mit welcher Spannung wird die Beleuchtung betrieben ( Gleichspannung von der Batterie oder
    Wechselspanung von der Lichtmaschine )

    Welche genaue Funktion hat der Regler ?
    ( Lädt er nur die Batterie, oder erzeugt er auch Gleichspannung für die Beleuchtung ?)

    Habe mir zwar schon einen Schaltplan runtergeladen, aber der ist ziemlich undurchschaubar.
    Und bevor ich mir den " zerlege" damit man ihn besser lesen kann, wollte ich erst mal
    hier im Forum fragen.

    Gruß aus Franken

  • kasonova
    Foren-Inventar
    Reaktionen
    43
    Punkte
    31,593
    Trophäen
    2
    Beiträge
    6,227
    Bilder
    10
    Einträge
    3
    Wohnort
    Solingen
    Vespa Typ
    Vespa ET2, V50 Spezial, PK 50 XL2
    • July 13, 2008 at 10:34
    • #2

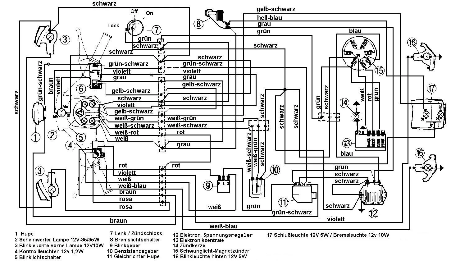
    Hi, in Kürze, die Zündung ist autonom, d.h. eigene Stromerzeugungsspule und eigenen Zündzeitpunktgeber. die Stromversorgung erfolgt in Wechselstrom 12 Volt. (Eigene Erzeugerspulen) Die Batterieladung erfolgt über eine separate Stromerzeugerspule über den Spannungsregeler. Der ist dazu da, das die Spannung nich über 12 Volt steigt, gleichzeitig erzeugt er den Gleichstrom zu laden der Batterie. Auf Gleichstrom laufen nur Anlasser, Hupe, Benzinuhr und Blinker. Hier noch mal ein Schaltplan,. ich hoffe in bessere Qualität.

    klaus

    Einmal editiert, zuletzt von kasonova (July 13, 2008 at 14:32)

  • hellraider007
    Anfänger
    Punkte
    65
    Beiträge
    11
    Vespa Typ
    Pk50
    • July 13, 2008 at 20:58
    • #3

    Hallo,

    jo Danke.
    Der Schaltplan ist wesentlich besser.

    Gruß
    klatschen-) klatschen-)

  • Rita
    Erleuchteter
    Reaktionen
    2
    Punkte
    17,827
    Trophäen
    1
    Beiträge
    3,564
    Wohnort
    Frankfurt
    Vespa Typ
    T5
    • July 14, 2008 at 15:51
    • #4

    Achtung

    es wurden bei PK elestart im Lauf der Jahre 2 verschiedene Regler verbaut....

    alte Ausführung : nur Scheinwerfer und Rücklicht mit wechselstrom von der Lima und alles andere ab Batterie


    neue Ausf.: nur Hupe und Elestart mit Batteriestrom ..... alles andere mit Wechselstrom von der Lima


    Rita

  • hellraider007
    Anfänger
    Punkte
    65
    Beiträge
    11
    Vespa Typ
    Pk50
    • July 19, 2008 at 11:19
    • #5

    Hallo, ich nochmal.

    Also so wies ausschaut, habe ich eine Version wo der Blinker auch von der Batterie versorgt wird.
    Und nur die Scheinwerfer von der LIMA.

    Jetzt hätte ich aber noch 3 Fragen.

    1.) Gibt es keinen Schalter für das Bremslicht ?

    2.) Wie wird die Batt. geladen, den lt. Schaltplan hängt diese doch direkt an der LIMA

    3.) Was ist im Schaltplan der Schalter mit der Nummer 8 ?


    Gruß und Danke für die Hilfe

    Gruß

    Einmal editiert, zuletzt von hellraider007 (July 19, 2008 at 11:35)

  • kasonova
    Foren-Inventar
    Reaktionen
    43
    Punkte
    31,593
    Trophäen
    2
    Beiträge
    6,227
    Bilder
    10
    Einträge
    3
    Wohnort
    Solingen
    Vespa Typ
    Vespa ET2, V50 Spezial, PK 50 XL2
    • July 19, 2008 at 12:18
    • #6

    Hi, da Du keine Fußbremse hast, ist der linke Bremshebel für die hintere Bremse. Die hat im Lenker einen Schalter ( 8 ) der das Bremslicht schaltet, und Sicherheitsschalter ist um versehentliches Starten bei laufendem Motor zu vermeiden. Die linke Bremse muß beim Startvorgang gezogen sein, sonst funktioniert der Startknopf nicht. Hast Du keine Bedienungsanleitung ?

    klaus

  • hellraider007
    Anfänger
    Punkte
    65
    Beiträge
    11
    Vespa Typ
    Pk50
    • July 20, 2008 at 09:18
    • #7
    Zitat von kasonova

    Hi, da Du keine Fußbremse hast, ist der linke Bremshebel für die hintere Bremse. Die hat im Lenker einen Schalter ( 8 ) der das Bremslicht schaltet, und Sicherheitsschalter ist um versehentliches Starten bei laufendem Motor zu vermeiden. Die linke Bremse muß beim Startvorgang gezogen sein, sonst funktioniert der Startknopf nicht. Hast Du keine Bedienungsanleitung ?

    klaus

    Hallo,
    ich habe eine Fußbremse !!
    Ist ein Schaltroller, keine Automatik.
    Und nein eine Bedienungsanleitung habe ich nicht.

    Gruß

  • kasonova
    Foren-Inventar
    Reaktionen
    43
    Punkte
    31,593
    Trophäen
    2
    Beiträge
    6,227
    Bilder
    10
    Einträge
    3
    Wohnort
    Solingen
    Vespa Typ
    Vespa ET2, V50 Spezial, PK 50 XL2
    • July 20, 2008 at 11:00
    • #8

    ja Prima, dann rate doch mal wo der Schalter ist. Der Schalter befindet sich im Gehäuse der Fußbremse.

    klaus

  • hellraider007
    Anfänger
    Punkte
    65
    Beiträge
    11
    Vespa Typ
    Pk50
    • July 20, 2008 at 18:56
    • #9
    Zitat von kasonova

    ja Prima, dann rate doch mal wo der Schalter ist. Der Schalter befindet sich im Gehäuse der Fußbremse.

    klaus

    Haha, das war mir schon klar.
    Ich suchte Ihn eigentlich auch auf dem Schaltplan !
    Ich habe aber auch die Kabel mitlerweilen gefunden ( durch rausmessen ).

    Jetzt habe ich nur noch die zwei Fragen,
    bezüglich dem Bauteil 8 auf dem Schaltplan und wie die batterie geladen wird,
    wenn diese doch lt. Schaltplkan direkt an der LIMA hängt.

    Gruß

  • kasonova
    Foren-Inventar
    Reaktionen
    43
    Punkte
    31,593
    Trophäen
    2
    Beiträge
    6,227
    Bilder
    10
    Einträge
    3
    Wohnort
    Solingen
    Vespa Typ
    Vespa ET2, V50 Spezial, PK 50 XL2
    • July 21, 2008 at 07:48
    • #10

    Hi, ja das ist verzwickt. Der Plan ist von ner Automatik, da ist der Schalter ( 8 ) im Lenker. Vieleicht hilft der Plan "ohne Batterie", da ist der Schalter eher als Schalter in der Fußbremse zu identifizieren. Gleichfalls die nummer 8. Das Laden der Batterie erfolgt nach den normalen Spielregeln. Ist das Potential im Generator höher, sprich mehr Volt als in der Batterie, erfolgt ein Stromfluß vom Generator zur Batterie. Wo ist da das Geheimnis ?

    klaus

    PS der Plan NUR für die Sicht des Schalters

  • hellraider007
    Anfänger
    Punkte
    65
    Beiträge
    11
    Vespa Typ
    Pk50
    • July 21, 2008 at 23:01
    • #11
    Zitat von kasonova

    Hi, ja das ist verzwickt. Der Plan ist von ner Automatik, da ist der Schalter ( 8 ) im Lenker. Vieleicht hilft der Plan "ohne Batterie", da ist der Schalter eher als Schalter in der Fußbremse zu identifizieren. Gleichfalls die nummer 8. Das Laden der Batterie erfolgt nach den normalen Spielregeln. Ist das Potential im Generator höher, sprich mehr Volt als in der Batterie, erfolgt ein Stromfluß vom Generator zur Batterie. Wo ist da das Geheimnis ?

    klaus

    PS der Plan NUR für die Sicht des Schalters

    Ok.
    danke jetzt hab ich alle Infos.
    Mein Verdacht hat sich bestätigt, der Regler ist im Ar...

    Gibt es da günstige Bezugsquellen ?

    Gruß und Danke für die Hilfe

  • kasonova
    Foren-Inventar
    Reaktionen
    43
    Punkte
    31,593
    Trophäen
    2
    Beiträge
    6,227
    Bilder
    10
    Einträge
    3
    Wohnort
    Solingen
    Vespa Typ
    Vespa ET2, V50 Spezial, PK 50 XL2
    • July 22, 2008 at 08:17
    • #12

    was willst Du, nen günstigen Asienimport, oder was originales? (italienische Markenqualität)

    klaus

Tags

  • Vespa PK 50
  1. Datenschutzerklärung
  2. Impressum
  3. Kontakt
  4. Geschichte der Vespa bei Wikipedia
  5. Nutzungsbedingungen
Made with ♥ in Bavaria
Community-Software: WoltLab Suite™