Hallo!
Ich habe mir vor knapp 2 Wochen eine Vespa PK 50 XL, Baujahr 1988, zugelegt.
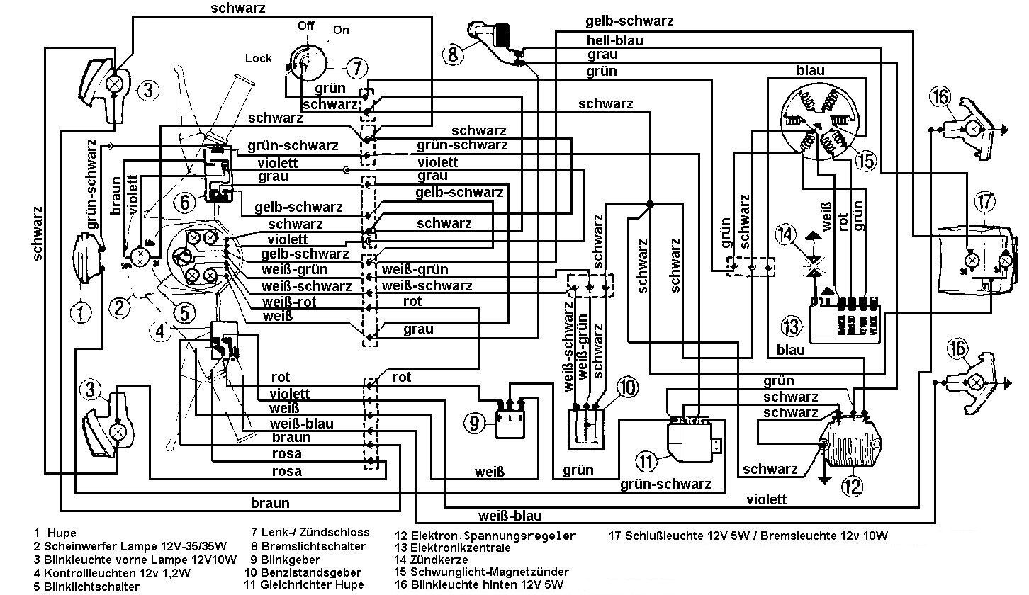
Der Verkäufer sagte mir, dass die Elektrik zur Zeit nicht funktioniert. Als Grund dafür vermutete er einen defekten Spannungsregler.
Nachdem ich diesen ausgetauscht habe funktionierte immernoch nichts. Nach langer Fehlersuche bin ich zu keinem Ergebnis gekommen. Spannungsregler und Lichtmaschine haben keine Probleme. Dieses teilte mir ein Elektriker aus der Nachbarschaft mit, nachdem er sich auch mit dem Problem beschäftigt hatte.
Habt ihr noch ne Idee, wo der Fehler versteckt sein könnte? Wo könnte man noch gucken?
Schöne Grüße Matthias.
