Hier noch vorher Fotos 🤦♂️
Beiträge von Chris220189
-
-
Polini Filter durch Originalfilter ersetzen und Original-HD verwenden wäre meine Empfehlung...
Nicht meine Frage aber vielen dank🥴
-
Servus,
Pk50xl Original 50ccm 16/16gaser Polini Filter
Welche bedüsung empfehlt ihr?
Grüße
Chris
-
Bitte gib einen Preis an. Verkauf gegen Gebot möchten wir nicht. Danke.
ThemaMarktplatz Regel für Verkäufer & Interessenten
Grundsätzlich gilt:
Die Forenbetreiber distanzieren sich ausdrücklich von über diese Plattform getätigten Geschäften. Alles läuft auf eigene Gefahr & Risiko.
Eine Einmischung durch Forenbetreiber und Moderatoren bei geschäftlichen Streitigkeiten wird nur unter Vorbehalt stattfinden.
Verkäufer:
1. Jeder Artikel muss mit einem Preis ausgestattet sein. Keine Preisangabe hat zu folge das der Thread ausnahmslos gelöscht wird!
2. Einfache Links auf Verkaufsangebote in andere Foren werden als Spam…
monoOctober 2, 2012 at 18:22 Ok…weiß nicht ob es zu viel ist…kp dann sagen wir mal 70€🤷♂️
-
Servus
Biete Geklebte Sitzbank an.
Kunststoffrahmen sowie griff Gestell frisch lackiert und noch nicht verbaut. ( L041 Unischwarz )
Bitte um faire Preisvorschläge.
Grüße
Chris
-
Überraschung geglückt:)
-
Bei der Schalter ist da der Schalter für den Elestart.
Bzw genau der selbe Schalter. Nur das er den Elektrostart frei gibt beim ziehen der Kupplung.
Meine ist ohne batterie…hab keinen Schalter oben…
-
Alles anzeigen
Vielen Dank,
Chris. Eine Frage noch, hat deine Schalt-PK am Lenker auch einen Bremslichtschalter oder nur am Pedal.
Bei meiner Automatik habe ich einen oben.
Wenn du dort keinen hast, müßte ich halt eine eometrie ranfummeln, die den antriggert.
Komisch, die gab es vor zwei Jahren nicht. Zumindest habe ich mir einen Wolf gesucht nach Alu-Hebeln für eine PK. Waren damals nicht mehr lieferbar.
Genau weiß ich es nicht mehr...
Gruß Paddy.
Ne sie hat nur den bremslichtschalter unten am fussbremspedal
-
Ich find sie auch schön, auch wenn sicher noch jemand die Weisswandreifen und kackbraune Sitzbank bemängeln wird.
Hast sie selber lackiert?
Ne hab es nem Lackierer gegeben und gesagt dass es Zeit hat…( Riesen Fehler ) 😅 habe 1 1/2 Jahre auf die Teile gewartet…naja dafür hat mich die Lackierung keinen Cent gekostet…
-
Die Farbe ist wirklich schön!
An der hellbraunen Bank scheiden sich sicher die Geister....:-)
Darf ich fragen, woher du die Brems-/Kupplungshebel her hast?
Ich habe vor 2 Jahren welche aus Alu für meine XL1 gesucht und keine gefunden...Seit dem aber auch nicht mehr gesucht.
Gruß Paddy.
Externer Inhalt www.sip-scootershop.comInhalte von externen Seiten werden ohne Ihre Zustimmung nicht automatisch geladen und angezeigt.Durch die Aktivierung der externen Inhalte erklären Sie sich damit einverstanden, dass personenbezogene Daten an Drittplattformen übermittelt werden. Mehr Informationen dazu haben wir in unserer Datenschutzerklärung zur Verfügung gestellt.Das sind sie

-
Tach auch zusammen,
Hab meine bj86 XL zerlegt gekauft…
Der Vorbesitzer hatte sie komplett mit hammerit gestrichen
Karosserie war fast rostfrei..Also erstmal abbeitzer drauf und danach alles glassandstrahlen…
Jetzt ist sie endlich zusammen…Farben marrakesch braun mit mehr Metallics und Unischwarz
einzige wobei ich noch unschlüssig bin sind die Kombi mit Griffen und der passenden Sitzbank…
Verbesserungsvorschläge oder Empfehlungen?
Wie gefällt sie euch?
Und nein keine Sava reifen sondern Contis und Regen wird sie niemals sehen…meine Tochter ( 2Jahre ) soll sie in 14 Jahren damit fahren 😀
Zylinder kommt erst nächstes Jahr…
Grüße
Chris
-
Also Licht wird dunkel sobald man grün/grün einsteckt…
Entschuldigt da habt ihr recht…wird dann Zufall gewesen sein mit der lampe…( der Scheinwerfer ist die letzten 3 Wochen oft von a nach b gelegt worden 😅
-
Da wirst du wohl messen müssen.
Da das eine Kabel auch noch zum Blinkgeber geht, kann dort auch etwas sein.
Gruß Paddy.
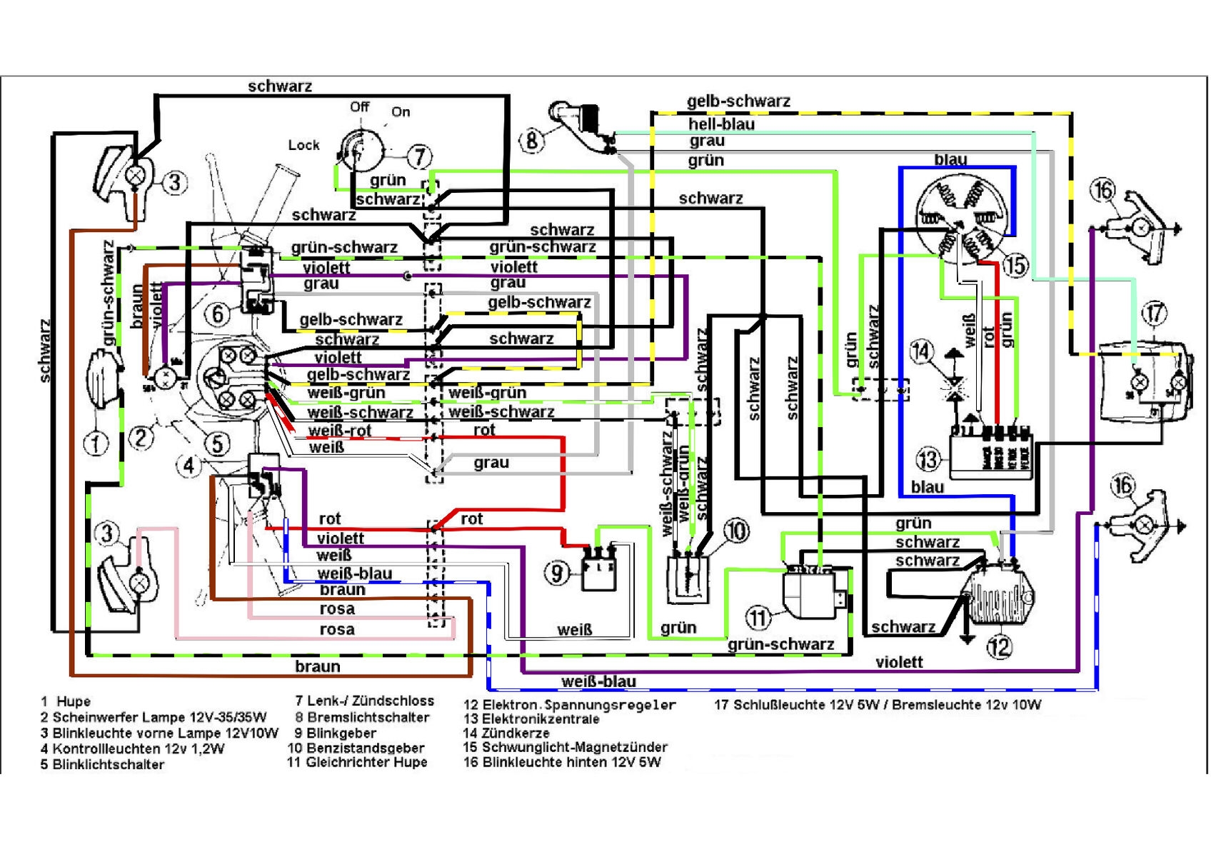
Vom blinkgeber das grüne ist i.O. Wie gesagt alles funktioniert…wenn 2x grün drauf steckt spring die Karre kaum noch an und hat mir meine Fahrlicht zerschossen…verstehe wohl die graue Leitung nicht…Bremslicht Schalter und Tacho sowie Spannungsregler?!
-
Servus!
Problem!
Sobald ich Doppelgrün am Gleichrichter einstecke geht mir komplett die Spannung runter?! Habe die Vespa komplett neu aufgebaut…sind die Stecker ab funktioniert alles…
Habe schon eine neue Hupe(alte war defekt)sowie „neuen gebrauchten“ Gleichrichter verbaut…
Kann doch nur ein Kabel auf Masse liegen oder?
Danke für die Hilfe
Grüße
-
Ok dann werde ich mal weiter fluchen… die Elektrik wird komplett auf der zündschlossseite verlegt richtig?
-
Servus,
Baue eine pk 50 xl zusammen…habe vieles über Videos und Zeichnungen erfahren…
Aber was kommt zuerst?!
Elektronik oder Züge durchs Cockpit?
Grüße und danke
-
Würde das vom Loch-Abstand des Halters im Fender denn einigermaßen hinkommen( wenn der Stossfänger nicht wäre)?
Ne die bekommst gar nicht daran befestigt…
bin echt überfragt 🤷♂️
-
Ne hab da den „Stossfänger“
-
Der ist definitiv nicht von einer XL! Aber schau mal, ob dieser hinten unten am Heck zwischen den FENDER passt( Lochabstand) das könnte ein“ gut“ selbstgebauter Halter für eine AHK sein

Ich nehme den

Sicher?
Also sehe um ehrlich zu sein keinerlei Befestigungen hinten dafür…
Hatte die Vermutung irgendwas unten drunter oder am Motor als Führung/Halter?
Grüße
-
Tach auch zusammen!
Hoffe bin hier richtig mit dem Thema…
Ich habe eine pk 50 xl zerlegt gekauft ( wurde mit hammerit gestrichen🤦♂️ ) also abbeitzer sandstrahlen lackieren…
Nun bin ich am Zusammenbau und kann diesen blöden Halter nicht zuordnen 🤦♂️😅
Ich danke euch ✌️
