1. Vespa Forum
    1. Unerledigte Themen
  2. Dashboard
  3. Galerie
    1. Alben
    2. Karte
  4. Lexikon
  • Anmelden oder registrieren
  • Suche
Dieses Thema
  • Alles
  • Dieses Thema
  • Dieses Forum
  • Forum
  • Galerie
  • Lexikon
  • Seiten
  • Erweiterte Suche
  1. VespaOnline Forum: Entdecke die Welt der klassischen Vespa-Roller und teile deine Leidenschaft
  2. Vespa Smallframe / Largeframe / Wideframe Roller
  3. Vespa Elektrik

Spannungsabfall

  • Chris220189
  • July 3, 2021 at 18:24
  • Chris220189
    Anfänger
    Reaktionen
    16
    Punkte
    141
    Beiträge
    19
    Bilder
    1
    Vespa Typ
    PK 50 XL
    • July 3, 2021 at 18:24
    • #1

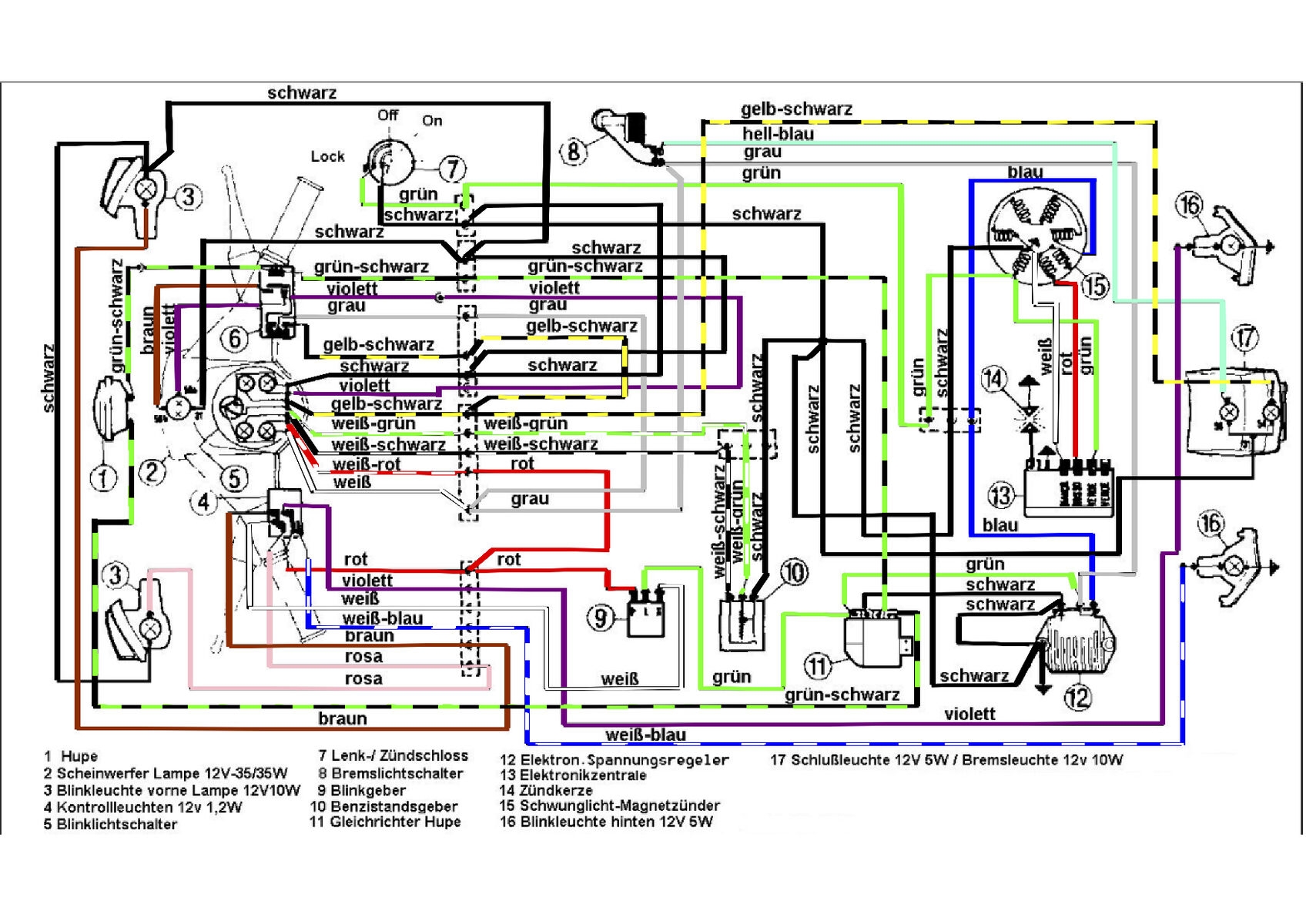
    Servus!

    Problem!

    Sobald ich Doppelgrün am Gleichrichter einstecke geht mir komplett die Spannung runter?! Habe die Vespa komplett neu aufgebaut…sind die Stecker ab funktioniert alles…

    Habe schon eine neue Hupe(alte war defekt)sowie „neuen gebrauchten“ Gleichrichter verbaut…

    Kann doch nur ein Kabel auf Masse liegen oder?

    Danke für die Hilfe

    Grüße

    Bilder

    • CB5CE5E1-ABD6-4CBB-B3C6-AC22015A4354.jpeg
      • 637.21 kB
      • 1,696 × 1,200
      • 325
  • Scharnhorst
    Meister
    Reaktionen
    2,548
    Punkte
    12,098
    Trophäen
    1
    Beiträge
    1,891
    Wohnort
    BW
    Vespa Typ
    PK50 XL automatik, Ape 50 TL6T, V50 Special 76 Originallack, V50 Special 75 Nato-Oliv in Rundlenkeroptik
    Vespa Club
    keiner
    • July 3, 2021 at 20:45
    • #2

    Da wirst du wohl messen müssen.

    Da das eine Kabel auch noch zum Blinkgeber geht, kann dort auch etwas sein.

    Gruß Paddy.

    Ich ziehe meinen Hut vor der Ikone klassische Vespa! Wenn aber selbst heute noch uralte Vespas aus den Siebzigern aufgrund der schieren Menge verbastelt werden können, sollte man sich seiner zunehmend seltenen Automatik bewußt sein...

    Übrigens, wenn man den sogenannten "O-Lack" aufbereitet (abschmirgeln und in Wachs ersäufen), muß man vorher den "O-Dreck" entfernen und den "O-Rost" owatrolisieren.

  • Chris220189
    Anfänger
    Reaktionen
    16
    Punkte
    141
    Beiträge
    19
    Bilder
    1
    Vespa Typ
    PK 50 XL
    • July 3, 2021 at 21:12
    • #3
    Zitat von Scharnhorst

    Da wirst du wohl messen müssen.

    Da das eine Kabel auch noch zum Blinkgeber geht, kann dort auch etwas sein.

    Gruß Paddy.

    Vom blinkgeber das grüne ist i.O. Wie gesagt alles funktioniert…wenn 2x grün drauf steckt spring die Karre kaum noch an und hat mir meine Fahrlicht zerschossen…verstehe wohl die graue Leitung nicht…Bremslicht Schalter und Tacho sowie Spannungsregler?!

  • tonitest
    Meister
    Reaktionen
    2,169
    Punkte
    13,859
    Trophäen
    2
    Beiträge
    2,324
    Einträge
    1
    Wohnort
    Domkloster 4, 50667 Köln, Deutschland
    Vespa Typ
    PK 50 XL2, BJ 1991
    • July 3, 2021 at 23:33
    • #4

    Wenn es die Lichter zerschiesst, kann es auch gut der Spannungsregler sein.

  • Scharnhorst
    Meister
    Reaktionen
    2,548
    Punkte
    12,098
    Trophäen
    1
    Beiträge
    1,891
    Wohnort
    BW
    Vespa Typ
    PK50 XL automatik, Ape 50 TL6T, V50 Special 76 Originallack, V50 Special 75 Nato-Oliv in Rundlenkeroptik
    Vespa Club
    keiner
    • July 3, 2021 at 23:34
    • #5

    Geht jetzt eigentlich die Spannung durch die Decke oder fällt sie zusammen?

    Du hast beides beschrieben.

    Gruß Paddy.

    Ich ziehe meinen Hut vor der Ikone klassische Vespa! Wenn aber selbst heute noch uralte Vespas aus den Siebzigern aufgrund der schieren Menge verbastelt werden können, sollte man sich seiner zunehmend seltenen Automatik bewußt sein...

    Übrigens, wenn man den sogenannten "O-Lack" aufbereitet (abschmirgeln und in Wachs ersäufen), muß man vorher den "O-Dreck" entfernen und den "O-Rost" owatrolisieren.

  • Chris220189
    Anfänger
    Reaktionen
    16
    Punkte
    141
    Beiträge
    19
    Bilder
    1
    Vespa Typ
    PK 50 XL
    • July 4, 2021 at 00:02
    • #6

    Also Licht wird dunkel sobald man grün/grün einsteckt…

    Entschuldigt da habt ihr recht…wird dann Zufall gewesen sein mit der lampe…( der Scheinwerfer ist die letzten 3 Wochen oft von a nach b gelegt worden 😅

  • Scharnhorst
    Meister
    Reaktionen
    2,548
    Punkte
    12,098
    Trophäen
    1
    Beiträge
    1,891
    Wohnort
    BW
    Vespa Typ
    PK50 XL automatik, Ape 50 TL6T, V50 Special 76 Originallack, V50 Special 75 Nato-Oliv in Rundlenkeroptik
    Vespa Club
    keiner
    • July 4, 2021 at 00:08
    • #7

    Chris,

    wir könnten jetzt noch eine Weile rumraten, aber du wirst um den Einsatz eines Multimeters nicht herumkommen.

    Wenn wir jetzt fragen: "Hat Stelle X Verbindung zu Masse?" oder "Welche Spannung liegt an Y gegen Masse an?" wirst du eine Antwort schuldig bleiben.

    Wir können ja schlecht aus der Ferne raten, was bei dir im Eimer ist.

    Gruß Paddy.

    Ich ziehe meinen Hut vor der Ikone klassische Vespa! Wenn aber selbst heute noch uralte Vespas aus den Siebzigern aufgrund der schieren Menge verbastelt werden können, sollte man sich seiner zunehmend seltenen Automatik bewußt sein...

    Übrigens, wenn man den sogenannten "O-Lack" aufbereitet (abschmirgeln und in Wachs ersäufen), muß man vorher den "O-Dreck" entfernen und den "O-Rost" owatrolisieren.

Ähnliche Themen

  • PK50XL Elestart springt kalt nur mit Kickstarter an

    • Gerald_FS
    • May 23, 2021 at 20:22
    • Automatik: Motor | Vergaser | Auspuffanlagen | Tuning
  • XL2 - Teilweise Spannungsverluste, Flackern (Scheinwerfer)

    • vespapop
    • September 3, 2013 at 16:48
    • Vespa Elektrik
  • Elektrik verpfuscht, zu wenig Spannung

    • martix90
    • August 7, 2012 at 17:57
    • Vespa Elektrik
  1. Datenschutzerklärung
  2. Impressum
  3. Kontakt
  4. Geschichte der Vespa bei Wikipedia
  5. Nutzungsbedingungen
Made with ♥ in Bavaria
Community-Software: WoltLab Suite™