hallo!
sagt mal wie komm ich an die hupe meiner pk50xl2?????
die sieht nicht mehr so gut aus und muß ner verchromten weichen...
danke
hallo!
sagt mal wie komm ich an die hupe meiner pk50xl2?????
die sieht nicht mehr so gut aus und muß ner verchromten weichen...
danke
Kaskade runter und dann musst du sie eigentlich sehen !
wenn nicht muss du das ganze Beinschild ausbauen !
ZitatOriginal von Avanti
Kaskade runter und dann musst du sie eigentlich sehen !
wenn nicht muss du das ganze Beinschild ausbauen !
Beinschild ausbauen....so ein Schmarrn....
bei der XL 2 muß das Handschufach ab.... riesen fummelei.... weil dazu das Zünschloß raus muß.....
Rita
sry hab mich ein bisschen falsch ausgedrückt ich meinte auch eigentlich wie es rita gesagt hat das handschuhfach !
frage warum willst Du an die Hupe? funktioniert die etwa nicht?
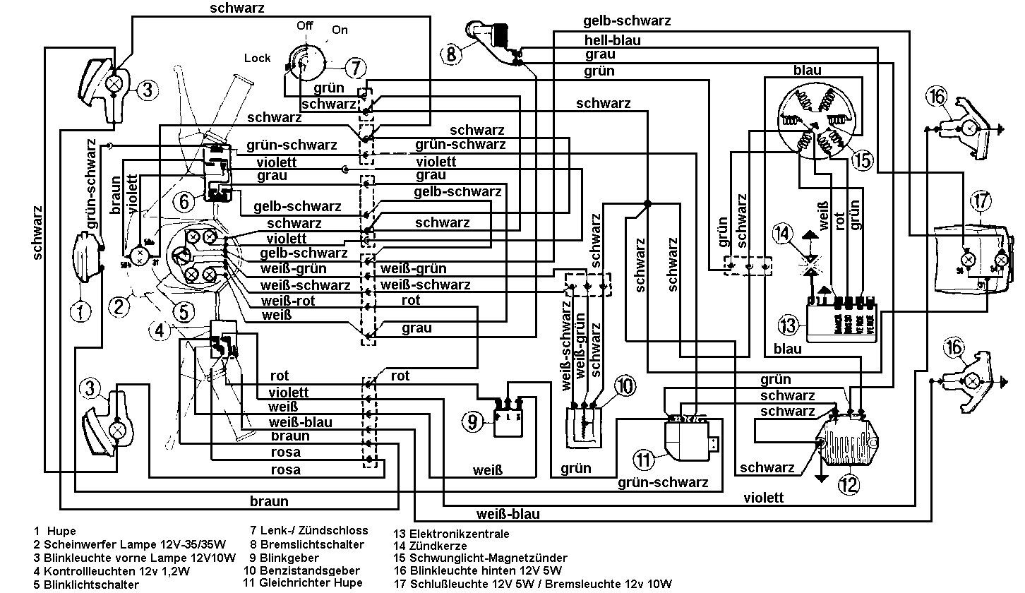
dann prüf zuerst den HUPENGLEICHRICHTER bevor Du dir dies Arbeit antust. Auf dem [lexicon='Schaltplan',''][/lexicon] kannst Du sehen, wie die Hupe verschaltet ist. Du kannst ggf unter der Kaskade mit einer neuen prüfen, ob diese funktioniert.
MfG klaus
hupe geht einwandfrei!!!!!
aber die ist so verrostet und da man das durch die schlitze sieht - es sieht nicht so toll aus!!!!- hab ich mir gedacht ne verchromte reinzubauen......
OK das ist ein Argument.
allso, dann muss die Kaskade ab und der Handschuhkaste. Dafür muss das Zündschloss ausgebaut werden. Zuerst die Kaskade, das Vespa-Emblem mit kleinem Schraubebdreher auf der rechten Seite (wenn Du von vorne draufschaust) aus dem Loch herausheben. Darunter ist eine Schraube, rausschrauben. Im Handschuhkasten siehst Du zwei weitere Schrauben, auch diese heraus schrauben. Dann kannst Du die Kaskade abnehmen. Jetzt geht es mit dem Schloss weiter. Schlüssel in das Schloss stecken und das Schloss in Stellung "OFF" drehen (Schlüssel senkrecht). In dem Handschuhkasten ist rechts unter dem Schloss ein viereckiges Loch. Durch dieses Loch mit einem kleinen (3mm) Schraubendreher den Schließzylinder entriegeln, und den Schließzylinder mittels Schlüssel aus dem Schloss ziehen. Dann von vorne die zwei schrauben oben (waren unter der Kaskade versteckt) heraus schrauben, und Du kannst, zuerst das restliche Schlossteil und dann den Handschuhkasten abnehmen. Die Hupe ist dann frei zugänglich.
Der Knackpunkt ist das Schloß:
1. Schlüssel in Stellung "OFF" drehen
(das geht auch wenn der Schlüssel abgebrochen, und der Rest noch im Schloss steckt. Rest
einstecken und drehen.
2. Handschuhfach öffnen
Auf dem Bild 1 siehst Du das viereckige Loch.
oberhalb dieses Loches ist das Schloss
jetzt kommt das Schwierige, Du musst den Schlüssel so im Schloss verkanten, daß Du den Schließzylinder damit heraus ziehen kannst.
Durch das Loch kannst Du nun mit einem kleinen Schraubendreher
anfangen zu Fummeln. Dabei muß die Kleine Nase welche auf dem 2ten und dritten Bild zu sehen ist, hinein drücken.
Dann kann man den Zylinder mit dem Schlüssel herausziehen.
Da die Nase nicht so wie auf dem Bild frei steht sondern zwischen zwei Teilen, kann das schon mal
1/2 Stunde dauern bis Du triffst.
Im Bild 4 ist die Reihenfolge der Teile zu sehen,
Viel Glück
Bilder Schloss 1-4
