Nabend!
So, folgendes: Ich hab mir nen neuen kabelbaum besorgt! Für meine PK 50 XL, Bj. 87, Handschaltung, ohne E-Starter!
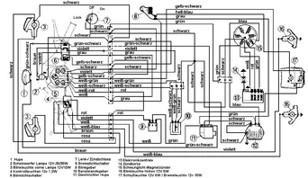
Auf den Bildern müsste man den Unterschied zwischen alt und neu sehen! Der Unterschied ist eigentlich nur im Anschluss für die Hupe!
Im neuen Kabelbaum ist im Kompaktstecker hinter der Kaskade der Hupen Anschluss integriert. Im alten Kabelbaum ist der Anschluss einfach über so lose Steckverbinder angeschlossen! Siehe Bild!
Weiterhin sind ja auch weniger Stecker hinter der linken Seitenhaube. Siehe Bild!
Wasn issen da der Unterschied? Also das die Kabel anders sind is schon klar! ![]()
Is das einmal für ne Gleichstrom-Hupe und einmal für ne Wechselstrom-Hupe?
Welches Bauteil fällt den mit den neuen Kabelbaum unter der linken Seitenklappe weg? Gleichstromrichter für die Hupe?
Mal schauen ob ihr mir helfen könnt!
Danke und Mfg
Peter
