Hi,
wo finde ich bei meiner PK (ohne Batterie) den Hupengleichrichter und wie sieht er genau aus? (bilder)
Hi,
wo finde ich bei meiner PK (ohne Batterie) den Hupengleichrichter und wie sieht er genau aus? (bilder)
hi das ist die sogenante Blackbox auf der linken seite da wo das ersatzrad sitzt im vorderen Bereich. die Schwarze Kiste siehe Bilder das Teil neu kostet knapp 70€ ist bei mir scheinbar auch kaputt.
Ich hoffe ich konnte dir weiter helfen.
Gruß
Chris
Hm.
Begriffsverwirrung
Üblicherweise bezeichnet man den Hupengleichichter NICHT als Blackbox, sondern eben nur als Hupengleichrichter.
BLACKBOX nennt man die CDI- Zündeinheit( man sagt auch ELEKTRONIKZENTRALE), welche am Motor angeschraubt ist... die kann auch blau sein, aber der Begriff stammt eben aus der Zeit, als man sie nur in schwarz (black) bekommen hat...
OKI sorry der Begriff kam vom mir selbst entschuldigt das Teil heisst Hupengleichrichter.
Ich hatte ihm nur den NAmen verpast wegen form und Farbe.
Sorry noch mal
ist der reparabel???
Ach,
brauchst dich doch net zu entschuldigen.
Ich sach es ja auch nur weil das eben zu verwechslungen führen kann, wenn du z.B. etwas in einem Shop bestellst.
So ohne weiteres reparabel ist der Gleichrichter nicht.
Er besteht zwar aus einigen leicht bekömmlichen Bauteilen, aber das ganze ist ja mit einer Elektrovergussmasse (Also Kunstharz)
vergossen.
Man kann ihn sofern man elektronik-Kenntniss hat, wohl komplett neu anfertigen.
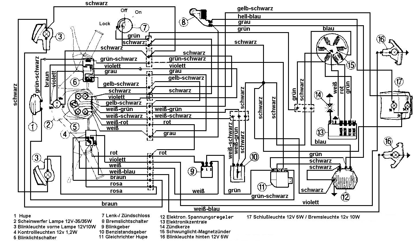
KASONOVA hat sich die Mühe gemacht und das ganze in arschäologischer Feinstarbeit ausgedremelt und einen [lexicon='Schaltplan',''][/lexicon] reingestellt:
Smallframe: schaltplan des hupengleichrichters
der Begriff stammt eben aus der Zeit, als man sie nur in schwarz (black) bekommen hat...
Hi das past zwar, ist aber nicht unbedingt richtig. Black Box deswegen weil mann nicht wusste (und auch nicht wissen wollte) was darin vorging. Man war mit der was da raus kam zufrieden. Tauchte meines Wissens nach, zuerst in der Formel 1 auf. Bezeinung für den Kasten wo die gesamte Motorelektronik zusammengefasst war.
klaus
na dann hupe ich lieber nicht....
meine hupe funktionierte noch nie seit dem ich letztes Jahr im August gekauft hatte. Ich hab nen gutes Organ das hilft auch shcon mal viel im Strassenverkehr und meist ist mein Organ lauter wie ne Hupe. *SFG*. ![]()
Wo genau wird der Gleichrichter abgeklemmt??? Oder anders gefragt, wo ist der angeschlossen??
Schau´mal hier:
Danke. Ich glaube, das ist der beste [lexicon='Schaltplan',''][/lexicon], den ich bisher gesehen habe. Die anderen kann man alle nicht richtig lesen. Danke nochmal
Das ist ja auch kein Wunder, der stammt ja auch von mir. ![]()
Stimmt! ![]()
Hatte ich mir unlängst mal runtergeladen und wollte ich hier nicht vorenthalten! ![]()
Hi, ist ja auch voll OK, mir gingen diese Pläne so auf den Senkel, dass ich mich hingesetzt habe und hab sie nachgezeichnet. ![]()
Hut ab für Deine Arbeit!
Wollte damit nur kurz darstellen, hier kein geistiges Eigentum "klauen" zu wollen! So, genug OT.
Schau´mal hier:
Hallo.
Bei meiner PK 50 XL 2 fehlt der Komplette Block, wo die Kabel angelötet werden. Es sind nur die Kabel drin:
2x violett zusammen auf eine Lüsterklemme gelegt
1x braun 1x grau und 1x schwarz/gelb auf einer Lüsterklemme.
Die Lampe geht also immer.
Ich habe mir jetzt ein provisorisches Schalterbrett gebaut, wo ich das Licht an sich anschalten möchte, zudem mit einem weiteren Schalter das Fernlicht bedienen möchte und habe mir folgende Kabelbelegung überlegt:
die Violetten an einen Schalter für das normale Licht.
grau und gelb/schwarz an den anderen Schalter. Als schliesser angeschlossen mit dem Brauen an der anderen Seite.
Kann mir das einer so bestätigen??
