Hi
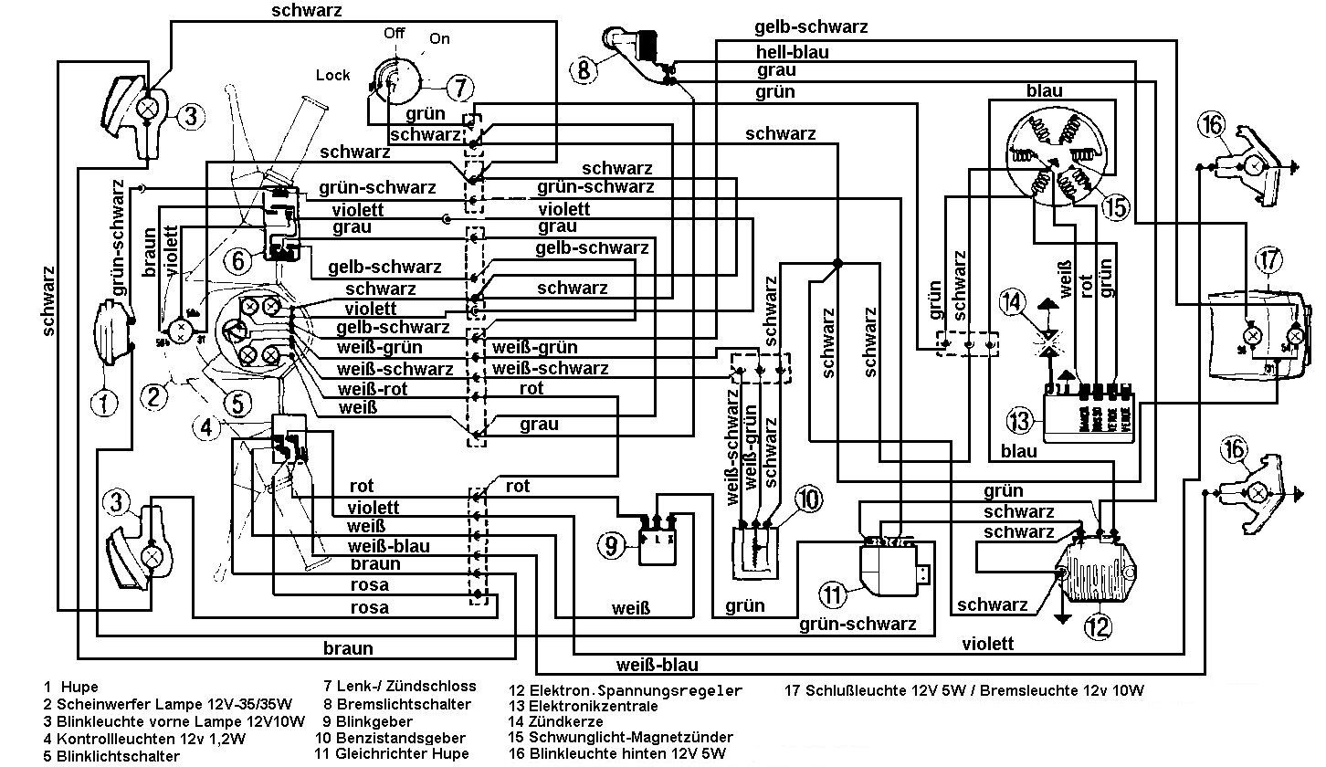
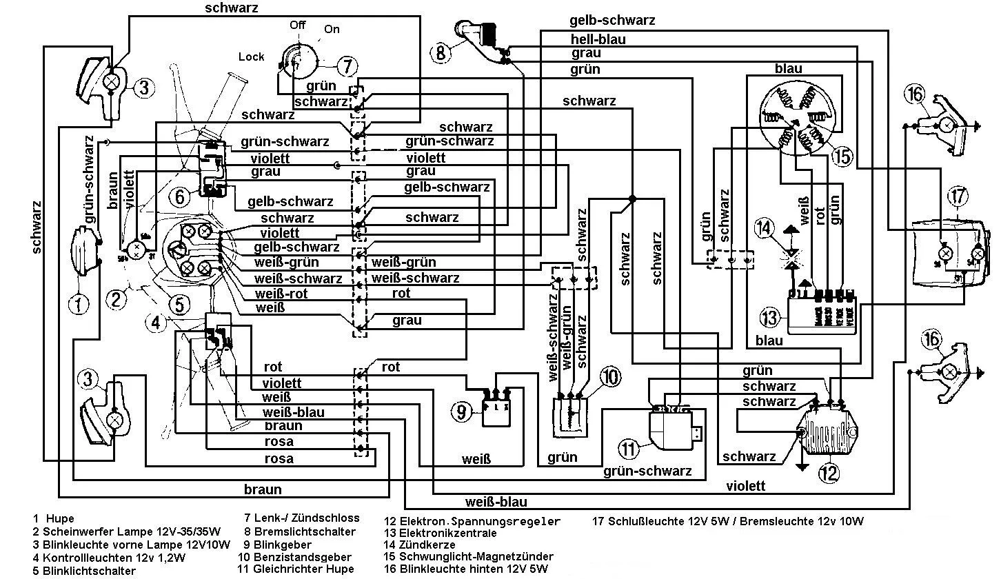
Habe ein Problem nit meinen Blinkern.
Hinten rechts will das Scheissding einfach nicht leuchten, hab sogar schon einen komplett neuen Blinker verbaut und es geht immer noch nicht.
Desweiteren blinken die Birnchen nur schwach, man sieht sie quasi nur wenns dunkel ist.
Wenn ich den Hupenknopf betätige ( die nicht geht!) leuchten sie kurzzeitig heller.
Bin komplett ratlos was die Ursache sein könnte, oder ist das die Italienische Technik. ![]()
Was kann das sein,hat jemand von euch so was mal gehabt.
Bitte helft mir!!!!!
Gandisgarage

