Du kannst Fragen fragen, wenn aus der CDI kein Kabel heraus kommt, was man an den Motor schrauben kann ist es kaputt. Wenn Du noch 10 mm Kabel hast welches aus der CDI kommt, kann man das verlängern, passen Kabelschuh drauf machen und wieder anschrauben. Wenn Du ein Bild eingestellt hättest währe es leichter zu Beurteilen gewesen, denn hier kann, auch wenn es immer wieder behauptet wird, noch keiner hellsehen.
xl2 elektrik probleme
-
-
hier ein bild des kabels.
-
Das kabel ist noch brauchbar was kaputt ist, ist die Isolierung. Das ist aber weiter nicht schlimm, da das Kabel ehe an Masse (Motor) geschraubt wird.
Zum Reparieren, Du besorgst dir ein Stück Kabel mit einem entsprechenden Kabelschuh ( für eine 6mm Schraube) wie das, was da noch dran hängt. Dann wird das alte Kabel gekürzt und mit dem neuen verbunden. Entweder mit Quetschverbinder oder gelötet. Vorher besorgst Du dir ein Stück Schrumpfschlauch, das wird auf das neue Kabel gesteckt und nach dem Verbinden über die Verbindungsstelle geschoben. Dann mit nem Föhn warm machen und der Schlauch legt sich fest über die Stelle. So da Du aber nicht über diese Zange verfügst, gehst Du am besten mit der CDI zu einem Autoelektriker, der macht Dir das im Handumdrehen. -
die isolierung ist ja nicht so wichtig oder?
-
das agnze kabel ist bldösinn. läuft auch ohne gut.
-
das agnze kabel ist bldösinn. läuft auch ohne gut.
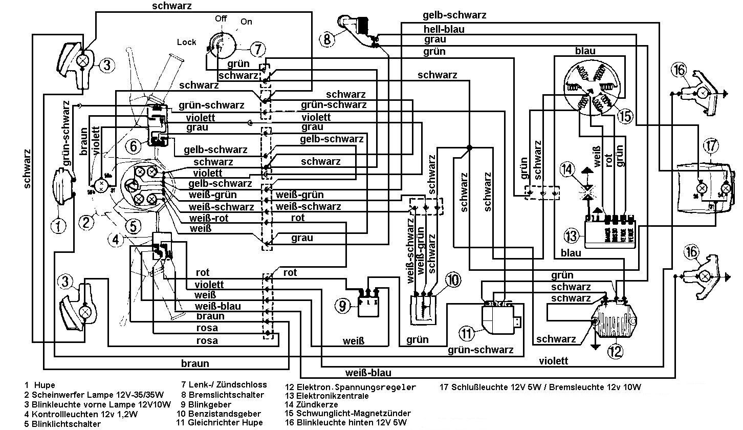
Hi Chup, ich wiederspreche Dir nur ungern, da Du zu denen gehörst dessen Beiträge fundiert und richtig sind. ABER wie ich ohen schon geschrieben hatte, natürlich geht es Ohne, aber wie Du auf dem Bild sehehen kannst (wir reden über die Leitung im Kreis), holt sich die Zündspule die Masse dann über die weiße Leitung aus der Zündgrundplatte. Auf diesem Kreis fliessen mehrere tausend Volt und auf Dauer wird die Isolierung der weißen Leitung wegbröseln. Wenn Du noch ein altes Messgerät über hast, klemm das doch mal in diese Leitung.
klaus -
so, heir nun die messergebnisse:
messgerät auf 200 ACV.
Rotest messkabel in COM, schwarzes in V/ohm
blauen stecker aus regler raus, rotes ende an blaues kable, schwarzees an den regler.
bei standgas zeigt er 1,1 an
un wen ich gas gebe 0,8.
was bedeutet das? -
hab ich richtig gemessen???
brauch hilfe. -
Das ist definitiv zu wenig. Dann musst Du die Zündgrundplatte anschauen, dann liegt der Fehler wohl da.
klaus -
wo ist die zündgrundplatte?
-
wie sicher biste dir das es an der zgp hängt...kann ich irgendwie testen ob diese hin ist?
-
Hi, kannst Du, Stecker an der Schwinge auseinander ziehen. Die Platte liegt hinter dem Lüfterrad, um daas ab zu bekommen benötigst Du einen Abzieher. Messen kannst Du aber auch so. Die Kupplung die Du da getrennt hast verbindet die Lima mit dem Laderegler. Das kannst Du auf dem [lexicon='Schaltplan',''][/lexicon] schön sehen.
wenn Du jetzt mit dem Messgerät feststellst, dass die Leitungen OK sind (0 Ohm) von der Kupplung zum Laderegler, kannst Du die Werte auch am Laderegler messen. -
also meiner meinung nach arbeitet ihr in einer total verkehrten richtung. das ding läuft, also sind die messwerte der zgp erstmal egal. stecker vorm kicker wieder ab machen, dann eins der beiden kabel vom messgerät (dieses auf meinetwegen 200 volt AC steellen (wechselstrom)) und eine seite (welche ist egal ob rot oder schwarz) an eine blanke stelle vom roller, z.b eine schraube halten. die andere messonde nach und nach in alle 3 dinger vom stecker auf motorseite messen und gucken was rauskommt. sollte einmal nichts, einmal was um 70 volt und einmal was um 8 volt im standgas sein.
IST DAS SO?
-
hab grad nachgemessen...an eineem stecker war es 140V bei den andren 2, 0Volt.
was bedeutet das nun? -
kann man aufgrund dieser messwerte eine genaue ursache für mein problem geben?
-
ok
140 ist die zünspannung und in ordnung
2 volt sind n bisschen wenig, wirds mehr wenn du gas gibst? wenn nein, hier nach kabelbrüchen schaune
-
danke dir chup,
wo genau soll ich nach kabelbrüchen schauen, bei dem kabel das vom motor kommt? -
wie schau ich den ob da ein kabelbruch ist?
wenn dieses kable kaputt ist,wie tausch ich es aus? -
also, kann keinen kabelbruch erkennen.
aber wie gesgat, an einem ende sind es 140 volt, das ist ja richtig oder...diese spannung wird zur zündkerze geleitet,oder?
aber auf den beiden andren enden ist jeweils 0 volt bzw 0.1 volt.
was bedeutet das nun? -
überrraschung,
heute alle kontakte abgemacht geprüft und wieder drangesteckt..blinkerrelais abgemacht und hupengleichrichter..wieder dran gemacht.
motor gestartet un siehe da, alles funktioniert. einziges problem..hupe ist viel zu laut,denke mal die wird kaputt sein,oder?
un ein vorbesitzer hat ein komisches ding drangemacht da wenn ich blinke ein komisches geräuch von sich gibt.das muss ich noch wegschmeißen
nur weiß ich nicht ob blinker hinten und bremslicht funktionieren. konnte ich nicht genau erkennen.
kann mir jemand sagen wo ich welchen kontakt am hinteren licht reinstecke..da sind ja vier kabel, ich weiß leider nicht genau welche wo hingehört. -
