moin,
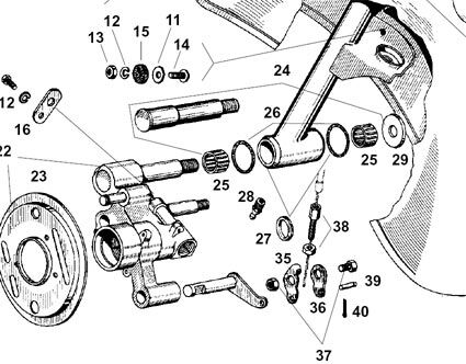
an die V50 Gabel kommen laut Explosionszeichnung vier O-Ringe auf die zwei Achsen.
Bei meiner war nur einer verbaut. Die anderen fehlen anscheinend.
Ich habe die shops mal abgesucht, bin jedoch nicht fündig geworden.
Gibt es diese noch als Ersatzteil? Ich meine Teil "30" und Teil "44"
Liegen die O-Ringe evtl. in den Dichtungkits für den Motor bei?
[Blockierte Grafik: http://www.bilder-space.de/thumb/3Q0o5Yyt7MkD7gg.jpg]
[Blockierte Grafik: http://www.bilder-space.de/thumb/Zf3Xu3OHxSKnLNl.jpg]
