guten tag hat jemand von euch eine vespa pk50xl vom baujahr86der mir ein foto voen dem spannungsregler schicken kann damit ich einsehen könnte welches kabel wohin gehört.weis nicht mehr so recht ob die verkabelung bei mir stimmt blinker vorne bleiben an scheinwerfer vorne,hinten und bremslicht ohne funktion danke im vorraus
Spannungsregler PK50XL defekt? (Foto gesucht)
-
-
Kann dir nur von einer 94iger ein Blid schicken
Kannst du damit was anfangen?
-
-
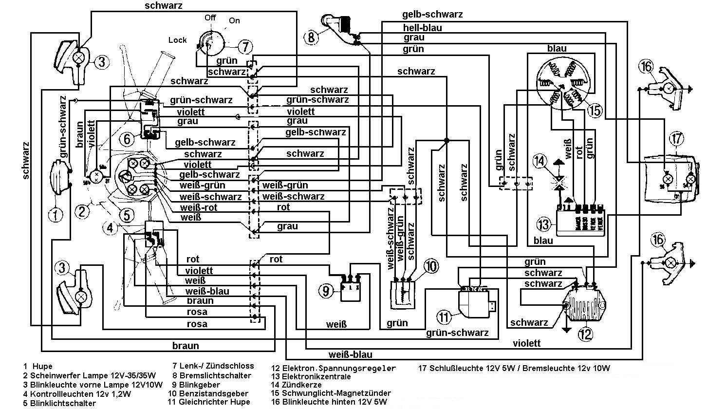
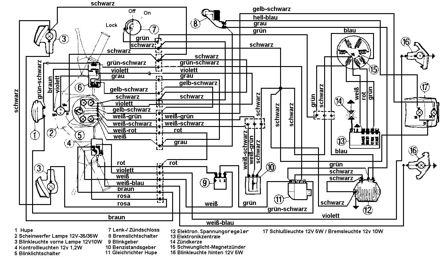
hm ein bild wäre besser gewesen kann mit elektrik nicht wirklich viel anfangen habt ihr einen ahnung was das ein kann das die beleuchtung ohne funktion ist und die blinker vorne bleiben bei betätigung des schalters an aber nur vorne hinten ohne funktion danke euch auf dem [lexicon='schaltplan',''][/lexicon] hat der spannungsregler nur drei anschlüsse meine hat aber fünf
-
Hi 5-Poliger Anschluß gehört zu einer Vespa mit E-Starter. DAS geht aber aus deiner Beschreibung nicht hervor. :lol: Wenn Du kein E-Starter hast ist der Falsche verbaut. Zu dem Bild die Zeichnung zeigt den Regeler al Draufsicht (so wieder auch angeschraubt ist) die Kabelfarben wirst Du ja wohl noch aus dem Plan lesen können.
klaus
-
hi sorry wenn ich das vergessen habe ja habe ein estarter und komisch ist vorher musste man die kupplung ziehen um sie über estarter zu starten aber seit dem zusammenbau wo das problem aufgetreten ist geht der estarter auch ohne kupplung zu ziehen.könnt ihr mir da nicht weiter helfen?muss eigentlich vom blinkrelais auch ein kabel zum spannungsregler?hat niemand ein pk 50xl der mir ein bild von dem ganzen kram schicken kann bin da am verzweifeln hm danke euch im vorraus
-
sry dass ich den thread ausgrabe, aber habe das gleiche problem. kannst du mal ein bild von deinem spannungsregler machen, also wie du ihn angeschlossen hast? weil bei mir war keiner dran und ich weiß nicht mehr weiter=(
-
Hallo.
Ich fahre eine Vespa 50N Spezial V5B3T mit Lenkradblinker. Hat meine Vespa auch einen Spannungsregler??Der vielleicht Defek. sein kann, da sich bei mir auch immer die Leuchtmittel verabschieden??
mfg aus Oldenburg

-
hallo nein du hast meines wissens einen hupengleichrichter
der defekt sein könnte
-
ja, deines wissens nach....
v50 spezial mit lenkerendenblinkern hat ein blinkrelais.
(keinen spannungsregler, da 6 volt und auch keinen hupengleichrichter) -
blinkrelai hat jede mit blinker wie soll die sonst blinken hauptsache
ein komentar geschrieben so wird man zum meister
habe eine mit 12v und auch ein blinkrelai
-
hallo nein du hast meines wissens einen hupengleichrichter
der defekt sein könnte
was ist den nun ein Hupengleichrichter

-
Also ich habe auch eine Special mit 12V und Spannungsregler. Der war bei mit defekt und da sind alle paar Kilometer die Lampen "draufgegangen". Also denke ich mal, dass der es sein wird. Einen Hupengleichrichter brauchst du wenn du eine Gleichspannungshupe verwendest und nicht die klassischen Vespa Schnarren (Wechselstrom).
-
blinkrelai hat jede mit blinker wie soll die sonst blinken hauptsache
ein komentar geschrieben so wird man zum meister
habe eine mit 12v und auch ein blinkrelai
@ piaggio50: wer lesen kann ist klar im vorteil....
du hast geschrieben, dass er mit seiner v50 special ([lexicon='lenkerendenblinker',''][/lexicon]) wohl einen hupengleichrichter hat, der probleme macht. das ist murks!
ich habe geschrieben, dass er nur ein blinkrelais wegen der 6v blinkanlage hat. was du dann komischerweise in deinem beitrag wiederholst...
bevor du hier also pseudomäßig besserwisserisch daherkommst solltest du dir deine und auch die beiträge anderer durchlesen... -
hey ich brauch n blinkrelais weil mir bei meiner 50 Spezial die blinker nich blinken bzw. bei hohen drehzahlen logischerweise die birnen
durchknallen! nur welchen und wo wird er untergebracht?? -
unter der Sitzbanknase...wenn Du das Wertkzeugfach rausnimmst solltest du es sehen
gibts nur beim Vespahändler und ist ziemlich teuerRita
-
hmm... danke
egal will das der kack endlich blinkt -
hmm Rita... also
soo Teuer sieht mir das jetzt nich aus??
gruß -
wenn das denn funktioniert...
wußte nicht das die jungs mittlerweile ein Relais für die Version haben...
und 13,11 ist dann echt günstig
Rita
