Hallo
Ich habe eine Vespa Hp also eine deutsche Vespa pk 50 xl2.
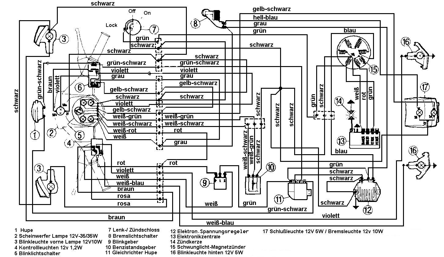
Wenn ich die zündung anmache leuchtet hinten das hinterlicht permanent warum??.
Das Bremslicht geht auch nicht ich weiß nicht wenn ich die Bremse unten am trittbrett drücke leuchtet nicht aber die sollte doch oder ??? ich habe alle Lichter ausgewechselt. Und ich weiß auch nicht ob das bei der Vorderbremse geht weil sie zurzeit noch abmontiert ist weil sie kaputt war.
mfg möcky
