1. Vespa Forum
    1. Unerledigte Themen
  2. Dashboard
  3. Galerie
    1. Alben
    2. Karte
  4. Lexikon
  • Anmelden
  • Registrieren
  • Suche
Dieses Thema
  • Alles
  • Dieses Thema
  • Dieses Forum
  • Forum
  • Galerie
  • Lexikon
  • Seiten
  • Erweiterte Suche
  1. VespaOnline Forum: Entdecke die Welt der klassischen Vespa-Roller und teile deine Leidenschaft
  2. Vespa Smallframe / Largeframe / Wideframe Roller
  3. Vespa Elektrik

Probleme mit Elektrik Lichter

  • firefighter
  • November 25, 2007 at 18:58
  • firefighter
    Fortgeschrittener
    Reaktionen
    2
    Punkte
    952
    Trophäen
    1
    Beiträge
    172
    Bilder
    1
    Einträge
    1
    Wohnort
    Planeten Erde-->Europa-->Deutschland -->Bayern-->Regensburg Land-->Donaustauf
    Vespa Typ
    VESPA HP
    • November 25, 2007 at 18:58
    • #1

    Hallo

    Ich habe eine Vespa Hp also eine deutsche Vespa pk 50 xl2.
    Wenn ich die zündung anmache leuchtet hinten das hinterlicht permanent warum??.
    Das Bremslicht geht auch nicht ich weiß nicht wenn ich die Bremse unten am trittbrett drücke leuchtet nicht aber die sollte doch oder ??? ich habe alle Lichter ausgewechselt. Und ich weiß auch nicht ob das bei der Vorderbremse geht weil sie zurzeit noch abmontiert ist weil sie kaputt war.


    mfg möcky

  • kasonova
    Foren-Inventar
    Reaktionen
    43
    Punkte
    31,593
    Trophäen
    2
    Beiträge
    6,227
    Bilder
    10
    Einträge
    3
    Wohnort
    Solingen
    Vespa Typ
    Vespa ET2, V50 Spezial, PK 50 XL2
    • November 30, 2007 at 11:31
    • #2

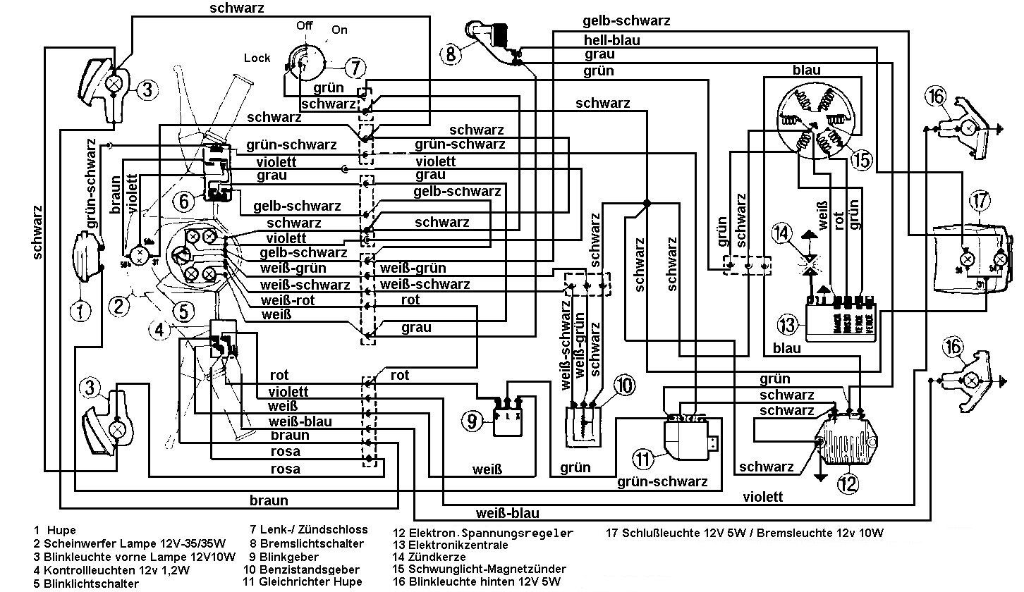
    Hi, erstens, die Vorderbremse hat keinen Bremslichtschalter. Zweitens das Rücklicht sollte, wenn sich der Roller im original Zustand befindet, aus sein. Erst beim einschalten des Lichtes muß das Rücklicht und Das Vorderlicht leuchten. Das Bremslicht muß, unabhängig vom Licht immer leuchten, wenn die Fußbremse betätigt wird. So wie sich Deine Beschreibung anhört, sind anscheinend Kabel vertauscht. Das Rücklicht ist übrigens das Untere, das obere ist das Bremslicht. Schlußlicht = 12V 5W, Stopplicht 12V 10W. Als Anhang noch der [lexicon='Schaltplan',''][/lexicon] zum ausdrucken.

    Klaus

    Bilder

    • Schaltplan.jpg
      • 232.34 kB
      • 1,452 × 840

Tags

  • Vespa Elektrik
  1. Datenschutzerklärung
  2. Impressum
  3. Kontakt
  4. Geschichte der Vespa bei Wikipedia
  5. Nutzungsbedingungen
Made with ♥ in Bavaria
Community-Software: WoltLab Suite™