1. Vespa Forum
    1. Unerledigte Themen
  2. Dashboard
  3. Galerie
    1. Alben
    2. Karte
  4. Lexikon
  • Anmelden
  • Registrieren
  • Suche
Dieses Thema
  • Alles
  • Dieses Thema
  • Dieses Forum
  • Forum
  • Galerie
  • Lexikon
  • Seiten
  • Erweiterte Suche
  1. VespaOnline Forum: Entdecke die Welt der klassischen Vespa-Roller und teile deine Leidenschaft
  2. Vespa Smallframe Roller
  3. SF: Motor | Vergaser | Auspuffanlagen | Tuning

was befindet sich bei pk 50 xl2 in der linken seitenbacke?

  • prima5-heitzer
  • December 22, 2007 at 19:15
  • prima5-heitzer
    Anfänger
    Punkte
    105
    Beiträge
    15
    Wohnort
    nähe Frankfurt Main
    Vespa Typ
    roller,mopeds,mofas,freundin,parkour
    • December 22, 2007 at 19:15
    • #1

    hey ihr,


    hab heute abend eine vespa gekauft. sie ist bj 91 und 4 gang handschaltung. ich habe in die linke seitenbacke geschaut und nur ein haufen von kabeln gesehn. ich denke da muss irgendeine box ran. könnt ihr mir da weiter helfen? ich kenne mich leider noch nciht wirklich mit vespa aus..

    ich denke ihr wisst alle was ich meine...=)


    gruß kons

  • Rita
    Erleuchteter
    Reaktionen
    2
    Punkte
    17,827
    Trophäen
    1
    Beiträge
    3,564
    Wohnort
    Frankfurt
    Vespa Typ
    T5
    • December 22, 2007 at 19:20
    • #2

    Spannungsregler, Blinkrelais und Hupengleichrichter sollten da sein...

    bei Modellen mit Elestart auch ne Batterie.... aber dann kein Hupengleichrichter

    Rita

  • king vespa
    Fortgeschrittener
    Reaktionen
    5
    Punkte
    2,890
    Trophäen
    1
    Beiträge
    506
    Wohnort
    Zwickau
    Vespa Typ
    PK 50 XL 2,100ccm RMS, Sito Plus
    • December 22, 2007 at 19:20
    • #3

    herzlichen glückwunsch und willkommen in der gruppe der glücklichsten und abgefahrensten menschen der welt - DEN VESPAFAHRERN! :thumbup:

    als erstes zäghlt die pk 50 xl zu den smallframes - also falsche kategorie, aber nicht weiter tragisch da kommt dann die berühmte topic-korrektur :whistling: :whistling:

    mach am besten ein foto vom inhalt der linken seitenbacke und stell es rein! normalerweise muss da der spannungsregler das blinkerrelais und ich glaub [lexicon='der hupengleichrichter',''][/lexicon] (bin mir nicht ganz sicher) sein. wenn die hütte lief und licht und hupe funktioniert haben ist alles o.k. das setze ich bei einem kauf vorraus, das das geprüft wird.... ;(

    Wer diskutiert wird intubiert, wer randaliert wird relaxiert!

  • Duffy121
    Profi
    Reaktionen
    2
    Punkte
    5,917
    Trophäen
    1
    Beiträge
    1,129
    Bilder
    11
    Wohnort
    dortmund
    Vespa Typ
    Pk50xl2
    • December 22, 2007 at 20:27
    • #4

    reserveradhalter,der gleichzeitig batteriehalter ist. so wie reserverad nicht zu vergessen...

    Bremsen ist die umwandlung hochwertiger Geschwindigkeit in nutzlose Wärme

  • kasonova
    Foren-Inventar
    Reaktionen
    43
    Punkte
    31,593
    Trophäen
    2
    Beiträge
    6,227
    Bilder
    10
    Einträge
    3
    Wohnort
    Solingen
    Vespa Typ
    Vespa ET2, V50 Spezial, PK 50 XL2
    • December 23, 2007 at 09:44
    • #5

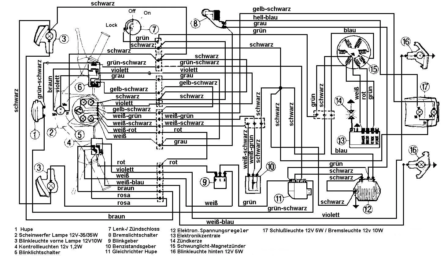
    Hallo alles richtig was meine Vorredner geschrieben haben. Es gibt also 2 Versionen, mit elektrischem Anlasser oder ohne. Hier erst einmal ohne Anlasser ( Der elektro Starter ist an einer roten Taste auf dem rechten Schalter am Lenker erkennbar). Die Teile die auf die linke Seite gehören. Von den eingekreisten Bremslichtschaltern gehört der untere, zum Elektrostarter, der Obere zur Fußbremse. Diese Schalter sind natürlich nicht unter der linken Seite. Der [lexicon='Schaltplan',''][/lexicon] zeigt die Verkabelung ohne Elektrostarter. Für den Elektrostarter gibt es einen anderen [lexicon='Schaltplan',''][/lexicon]. Es handelt sich um die Teile 9, 11 und 12


    Noch eine Frage; Du hast als Name Prima5.. handelt es sich dabei um eine NSU-Prima5? wie auf den letzten Bild?
    klaus

    Bilder

    • elektrik.jpg
      • 107.95 kB
      • 886 × 919
    • Schaltplan.jpg
      • 232.34 kB
      • 1,452 × 840

    Einmal editiert, zuletzt von kasonova (December 23, 2007 at 09:50)

Tags

  • Vespa PK 50 XL2
  • Vespa PK 50
  1. Datenschutzerklärung
  2. Impressum
  3. Kontakt
  4. Geschichte der Vespa bei Wikipedia
  5. Nutzungsbedingungen
Made with ♥ in Bavaria
Community-Software: WoltLab Suite™