1. Vespa Forum
    1. Unerledigte Themen
  2. Dashboard
  3. Galerie
    1. Alben
    2. Karte
  4. Lexikon
  • Anmelden
  • Registrieren
  • Suche
Dieses Thema
  • Alles
  • Dieses Thema
  • Dieses Forum
  • Forum
  • Galerie
  • Lexikon
  • Seiten
  • Erweiterte Suche
  1. VespaOnline Forum: Entdecke die Welt der klassischen Vespa-Roller und teile deine Leidenschaft
  2. Vespa Largeframe Roller
  3. LF: Motor | Vergaser | Auspuffanlagen | Tuning

SI-Vergaser, Diskussion der einzelnen Bauteile

  • kmetti
  • May 16, 2011 at 10:03
  • kmetti
    Profi
    Reaktionen
    3
    Punkte
    5,713
    Trophäen
    1
    Beiträge
    1,111
    Bilder
    4
    Wohnort
    73728 Esslingen am Neckar, Deutschland
    Vespa Typ
    Cosa 200 FL, P80X
    • May 21, 2011 at 19:27
    • #21

    Oh oh Ante,

    gerade habe ich die Rohre 4, 5 und 6 praktisch zu Sondermüll erklärt ...
    Aber Du hast schon recht, ich sollte ein bisschen mehr über meine aktuellen Setups preis geben, sonst frag' ich ja auch immer erst nach bis die Leute mir jede Kleinigkeit gesagt haben.
    Cosa 200: ND 50/140 (ich wollte die 50/160 noch probieren, habe ich aber nicht zur Hand), bei der HD suche ich gerade die Richtige zwischen 90 und 96 und bei der HLKD ist jetzt 120 drauf bis die HD feststeht, danach denke ich wird es irgendwas zwischen 140 und 150 werden, ich reibe das dann entsprechend auf. Das Mischrohr ist das 3er (BE3). Schieber ohne Cutaway 8492.1 (vermutlich von der Rally, oder auch als Rallyschieber bezeichnet). Luftfilter ungebohrt, ich habe aber auch einen gebohrten der am Ende wieder drauf soll. Plattenluftfilter ist drin und bleibt drin (das ist mein AU-Joker, falls ich sie dafür extra abmagern muss).
    P80X (mit ohne Getrenntschmierung): ND, hmm, schluck, bitte noch 'nen Ouzo, 'ne 35/160 (selbst aufgebohrt auf 160), der Rest ist derzeit eigentlich praktisch genau wie oben bei der Cosa, nur eben ohne Plattenluftfilter. Bei der P80X kann ich mit dem Choke die 90er HD recht genau als kleinst möglich fahrbare festlegen aber ich denke es ist besser ich nehme eine Nr größer, also 92. Die dazu passende HLKD muss ich aber noch suchen. Schieber ohne Cutaway, BE3, Luftfilter über ND von mir gebohrt.
    Ich denke, ich muss die HD bei der Cosa entweder aus der Vorgabe aus der Originalbedüsung nehmen (92) oder aus meiner Erfahrung zum Fahrverhalten mit der PX festlegen. HLKD geht dann nach Gehör und Kerzenbild.

    Gruß, Klaus

  • kmetti
    Profi
    Reaktionen
    3
    Punkte
    5,713
    Trophäen
    1
    Beiträge
    1,111
    Bilder
    4
    Wohnort
    73728 Esslingen am Neckar, Deutschland
    Vespa Typ
    Cosa 200 FL, P80X
    • May 23, 2011 at 13:20
    • #22

    Hallo Freunde,

    da ihr ja fleißig lest bekommt Ihr mal wieder etwas neues Futter:

    Mit obiger Theorie habe ich die Mischrohre BE 4, 5 und 6 als praktisch unverwendbar erklärt, aber die beiden Mischrohre BE 3 und 2 können durchaus auch problematisch sein. Sie sind durch ihre Bohrungen auf der Höhe des Ansaugröhrchens lageempfindlich beim Einbau. Man kann mit ihnen so etwas wie einen "Korrekturluftschuss" erhalten der in der Lage ist die Gemischbildung zu stören.
    Zuerstmal die Theorie anhand von 2 neuen Skizzen:

    Skizze 1, Einbau ohne Korrekturluftschuss, dies ergibt die bestmögliche Vermischung von Luft und Sprit:

    Die Achsen der Lochbohrungen sind um 45 Grad zu der Achse des Ansaugröhrchens verdreht. Die Korrekturluft der HLKD ist auf die Vergaserwand gerichtet und wird dort zerstäubt und mit Sprit vermischt bevor sie zum Ansaugrohr umgelenkt und abgesaugt wird. Dem Ansaugrohr gegenüber entsteht ein senkrechter "Kanal" in dem Sprit nahezu ungestört bis in die Mischzone aufsteigen kann und hier mit angesaugt wird.

    Skizze 2, Einbau mit Korrekturluftschuss, dieser Einbau ergibt eine mangelhafte Vermischung von Luft und Sprit:

    Eine Achse der Lochbohrungen zeigt direkt auf das Ansaugrohr. Die Korrekturluft aus der HLKD wird über die zum Ansaugrohr gerichtete Bohrung in erheblich verstärktem Maße angesaugt und steht nur erheblich eingeschränkt zur Mischung nicht zur Verfügung. Dieser massive Luftstrom blockiert teilweise die Ansaugung des Spritgemisches. Die korrekte Bestimmung der Hauptdüse ist bei diesem Einbau in der Regel gar nicht möglich. Man kann nicht vorhersagen wie ein Motor darauf reagiert.

    Der Einbau in Bildern:
    Beim Einbau des HD-Stocks muss man zuerst ermitteln wie der HD-Stock eingebaut sein wird. Jeder HD-Stock kann in beliebigem Winkel zum Ansaugrohr zu liegen kommen, dies hängt von der Baulänge der einzelnen Düsen und auch vom Gewindeschnitt der HLKD ab. Daher zuerst einschrauben und schauen welcher Winkel sich ergiebt:

    Bild 1, Winkel des HD-Stocks ermitteln:

    Dann den HD-Stock wieder ausbauen und das Mischrohr richtig zurecht drehen.

    Bild 2, so soll es nicht aussehen:

    nochmal zur Klarheit: Bild 2 ist falsch,

    das jetzt folgende Bild 3 ist die richtige Montage

    Bild 3, richtige Lage der Mischrohrbohrungen:

    Gruß, Klaus

    2 Mal editiert, zuletzt von kmetti (May 23, 2011 at 16:09)

  • opferkind
    Profi
    Reaktionen
    10
    Punkte
    6,410
    Trophäen
    1
    Beiträge
    1,199
    Bilder
    6
    Wohnort
    85622 Feldkirchen
    Vespa Typ
    P 166 X Bj. 1981 Luder
    • May 23, 2011 at 15:54
    • #23

    lol,

    also müssen alle Löcher in einer Flucht liegen??

    Ich hab da beim Münchner Anrolllern mal in die Runde gefragt, ob das wichtig ist.
    Antwort war: nee is wurscht.


    Was stimmt nun??

  • kmetti
    Profi
    Reaktionen
    3
    Punkte
    5,713
    Trophäen
    1
    Beiträge
    1,111
    Bilder
    4
    Wohnort
    73728 Esslingen am Neckar, Deutschland
    Vespa Typ
    Cosa 200 FL, P80X
    • May 23, 2011 at 16:03
    • #24

    Hallo Opferkind,

    nein! Gerade nicht! Sie dürfen nicht in einer Flucht liegen damit Luft und Sprit gut miteinander verwirbelt werden können!

    Ich versuche das oben noch besser kenntlich zu machen.

    Gruß, Klaus

  • opferkind
    Profi
    Reaktionen
    10
    Punkte
    6,410
    Trophäen
    1
    Beiträge
    1,199
    Bilder
    6
    Wohnort
    85622 Feldkirchen
    Vespa Typ
    P 166 X Bj. 1981 Luder
    • May 23, 2011 at 17:13
    • #25

    ok, verstanden!
    Super Thread!!!!

  • sain
    Profi
    Reaktionen
    4
    Punkte
    7,114
    Trophäen
    1
    Beiträge
    1,255
    Bilder
    38
    Wohnort
    Düren
    Vespa Typ
    px139 lusso
    • May 23, 2011 at 20:57
    • #26

    wenn ich deine ausführung jetzt richtig versteh währe das gemisch wen das mischrohr falsch steht zu fett da sich das benzin nicht richtig mit der luft vermischt?
    das könnte ja dann sprotzen bei halb bzw. vollgas erklären oder?

    greetz sascha

    "Shes my life, shes so bad Shes the best ride I ever had" :love::love:

  • kmetti
    Profi
    Reaktionen
    3
    Punkte
    5,713
    Trophäen
    1
    Beiträge
    1,111
    Bilder
    4
    Wohnort
    73728 Esslingen am Neckar, Deutschland
    Vespa Typ
    Cosa 200 FL, P80X
    • May 23, 2011 at 21:54
    • #27

    Hallo Sascha,

    du hast mich leider falsch verstanden. Wenn eine der Bohrungsachsen des Mischrohrs in der Flucht mit dem Ansaugrohr steht wird hauptsächlich pure Luft angesaugt und das Gemisch unerwartet bzw unberechenbar abgemagert (2. Skizze mit dem dicken blauen Luftpfeil aus der Mitte des Mischrohres heraus direkt ins Ansaugröhrchen - von mir als "Korrekturluftschuss" bezeichnet). Diese Abmagerung ist sicherlich überproportional über die Drehzahl d.h. es könnte in mittleren Drehzahlen durchaus auch ein "anfetten" oder "sprotzen" geben. Vor allem, wenn man mit zuverlässiger Konstanz das Mischrohr immer wieder so einbaut und dadurch eine eigentlich zu große HD findet. Baut man das Mischrohr bei jedem Abdüsungsversuch ein Stückchen anders verdreht ein wird man sich vermutlich über seltsame Reaktionen des Motors wundern oder glauben, die Düsen stimmen nicht.

    Meine Empfehlung ist, das Mischrohr (bei BE3 und BE2) immer nach der Skizze 1 einzubauen, die HD mit einer zu fetten HLKD (z.B. 140) zu suchen. Die HD muss dabei auf die mittleren Drehzahlen abgestimmt werden. Anschließend wird die HLKD soweit angepasst, nach oben korrigiert, bis der Vergaser auch für die hohen Drehzahlen abgestimmt ist. Das Problem dabei ist, dass die HLKD dann möglicherweise einen Zwischenwert zwischen 140 und 160 annehmen sollte. Entweder reibt man die HLKD stückchenweise auf oder man besorgt sich noch die HLKD 150.

    Gruß, Klaus

    Einmal editiert, zuletzt von kmetti (May 24, 2011 at 09:41)

  • kmetti
    Profi
    Reaktionen
    3
    Punkte
    5,713
    Trophäen
    1
    Beiträge
    1,111
    Bilder
    4
    Wohnort
    73728 Esslingen am Neckar, Deutschland
    Vespa Typ
    Cosa 200 FL, P80X
    • May 24, 2011 at 10:00
    • #28

    Hallo Freunde,

    fragt, fragt, kommt mit Euren Erfahrungen und fragt nach wie sich das mit meiner Theorie verhalten sollte. Nur so kommen wir eventuellen Widersprüchen auf die Spur ...

    Bis dahin mache ich mal weiter mit Theorie und komm zu meinem bisherigen Lieblingsgespenst dem Schieber im SI-Vergaser. Ich empfehle diese Theorie ausdrücklich für den alten Rallyschieber mit der Nummer 8492.1, dem Schieber ohne Extras, vollkommen glatt und ohne Cutaway.
    Und ich warne ausdrücklich davor das BE3 oder BE2 mit dem sogenannten Cosaschieber mit der Nummer 8492.8 und dem sehr tiefen Cutaway zu benutzen. Diese Mischrohre sind nach meinen Erfahrungen mit diesem Schieber nicht abstimmbar und führen mit tödlicher Sicherheit zu einem Motorschaden.
    Zu den PX-Schiebern 8492.4 kann ich keine eigene Erfahrung beisteuern, aber auch von diesen rate ich ab. Grundsätzlich sollte es alleine mit der ND, HD und HLKD möglich sein über das gesamte Drehzahlband ein vernünftiges Gemisch einstellen zu können. Man braucht den Cutaway zur Abmagerung im Mittenbereich nicht. Außerdem wirkt der Cutaway völlig verschieden ob man nun beschleunigt, konstant fährt oder den Motor abbremst. Daher halte ich den Schieber mit Cutaway für zu schwer abstimmbar und ein grundsätzliches Sicherheitsrisiko.

    Allerdings habe ich auch schon mitbekommen dass die Schieber ohne Cutaway nicht mehr so ohne weiteres zu bekommen sind. Daher ein kleiner Tipp von mir: man kann am Luftfilter auch das Loch abkleben, das den Schieber und damit den Cutaway mit Luft versorgt, z.B. mit selbstklebender Alufolie damit es auch im Benzindampf haltbar ist.

    Welches Loch ich meine zeige ich mal hier an einem abgeklebten Luftfilter - im Beispiel mit einfachem Paketklebeband abgeklebt:

    Gruß, Klaus

  • Fettkimme
    DER Vorbesitzer
    Reaktionen
    7
    Punkte
    16,842
    Trophäen
    1
    Beiträge
    3,352
    Einträge
    2
    Vespa Typ
    Sprint 208/Px 223 /T5 223/Cosa 208
    • May 24, 2011 at 19:48
    • #29

    Moin Klaus

    Dafür das ich nur 2 eingestellte SI/24 fahre schaue ich aber oft hier rein :whistling:
    Freakmoped hat vor ein paar Jahren mal interessante vergleiche von Schiebern gepostet
    unter anderem auch Bilder & nr von Spaco Schiebern.
    Wenn man den Cutaway wegschleift & dabei den Winkel der Stellschraubennase anpasst kann man auch die Sand am Meer PX 200 Schieber brauchbar machen.
    Hat dann zwar immer noch die Ausnehmung aber untenrum läßt sich so gepimpt besser abstimmen.

    Weapons of Mass Destruction

  • kmetti
    Profi
    Reaktionen
    3
    Punkte
    5,713
    Trophäen
    1
    Beiträge
    1,111
    Bilder
    4
    Wohnort
    73728 Esslingen am Neckar, Deutschland
    Vespa Typ
    Cosa 200 FL, P80X
    • May 25, 2011 at 07:18
    • #30

    Hallo Ante,

    ihr sagt auch um 23:59 moin - oder?

    Mann, mann, was du alles kennst 8o ich habe den Topic dort nur kurz überflogen und werde ihn dankend verarbeiten :D

    Tja, mit 2 eingestellten SI hast du 2 mehr als ich - meine sind nämlich noch nicht eingestellt :thumbup:

    Gruß, Klaus

  • Fettkimme
    DER Vorbesitzer
    Reaktionen
    7
    Punkte
    16,842
    Trophäen
    1
    Beiträge
    3,352
    Einträge
    2
    Vespa Typ
    Sprint 208/Px 223 /T5 223/Cosa 208
    • May 25, 2011 at 09:27
    • #31

    Moin :D

    In meiner Ecke südlich von Berlin wird tatsächlich von den Alten noch das Teltsche Platt geschnackt
    Die sagen aber eher TACH als Moin ....
    Aber durch Arne & seine Truppe , HH sowieso schon immer die beste Soul & Rollergemeinde Deutschlands hatte und überhaupt MOIN Verdammtnoma .

    P:Guten Tag Polizeiobermeister blabla wir führen hier eine Verkehrskontrolle durch ihre Papiere bitte....
    Du: ...schöne lange Pause bist du überhaupt was sagst....und dann in Verbindung mit einem fetten Grinsen... gaaaanz langsam Moooooin grunzen . 2-)

    Zitat

    Tja, mit 2 eingestellten SI hast du 2 mehr als ich - meine sind nämlich noch nicht eingestellt :thumbup:

    Der war gut Klaus :D:D:D:D:D:D:D:D ....Da geht noch was bzw. ein bißchen was geht immer....Dank deiner Infos

    Weapons of Mass Destruction

  • kmetti
    Profi
    Reaktionen
    3
    Punkte
    5,713
    Trophäen
    1
    Beiträge
    1,111
    Bilder
    4
    Wohnort
    73728 Esslingen am Neckar, Deutschland
    Vespa Typ
    Cosa 200 FL, P80X
    • May 25, 2011 at 13:13
    • #32
    Zitat von Fettkimme

    Moin :D


    Moinsen Ante,

    ähm, das habe ich jetzt nicht richtig verstanden, nur, wenn man um ein Wort so viel Aufhebens machen kann, dann muss ich mir doch überlegen wie ich meine Abhandlung über den SI noch etwas besser fülle :D :D :D

    Ihr werdet leiden :thumbup: :thumbup: :thumbup:

    Gruß, Klaus

  • kmetti
    Profi
    Reaktionen
    3
    Punkte
    5,713
    Trophäen
    1
    Beiträge
    1,111
    Bilder
    4
    Wohnort
    73728 Esslingen am Neckar, Deutschland
    Vespa Typ
    Cosa 200 FL, P80X
    • May 25, 2011 at 18:18
    • #33

    Remoinsen,

    ich habe die Zeit gefunden obiges Topic genauer zu lesen. Wirklich Neues bringt es nun doch nicht aber zwei interessante Posts von "Lucifer" und eine Variante wie man die "Sand am Meer PX200"-Schieber brauchbar macht. Dort wird einfach vorgeschlagen, das "loch über schieberkammer mit dichtpappe zuzumachen". Also genau dasselbe wie ich hier auch vorschlage mit dem zukleben des Lochs im Luftfilter - nur ist der dortige Tipp 4 Jahre alt und deshalb bestimmt schon wieder vergessen ;)
    Die Methode, den Cutaway auszuschleifen, kann ich allerdings nicht recht nachvollziehen. Wenn man dan Cutaway ausschleift wird das Blech insgesamt dünner und wenn die Luft nicht unten durchzieht, zieht sie dann eben oben durch. Und außerdem dann immer, das kommt mir vor wie planmäßige Falschluft - oder sehe ich das jetzt falsch :+4

    Bei den weiteren Infos sind die Bilder zu den Schiebern ganz interessant, aber mit den abgeleiteten Schlüssen habe ich manchmal meine Probleme. Es bleibt dabei, der glatte PX-Schieber ist meine Wahl und Empfehlung. Mit den anderen Schiebern kann man keine sinnvolle Abstimmung vornehmen.

    Zurück zu Lucifers Posts, er gibt eigentlich eine erschöpfende oder zumindest gut nachvollziehbare Erklärung warum die Luftfilter im SI mit Bohrungen über den Düsenstöcken die bessere Wahl sind. Er schreibt in seinem Optimierungstopic dazu: "Löcher im Filterboden: dadurch wird der Düsenstock (& die LLD) gleichmäßig mit Luft versorgt, ohne daß der Gasstrom beim Gaswechsel, etc. abbricht! Der Gaser wird präziser einstellbar und die Gesamtperformance verbessert sich erheblich. Der Motor dreht freier und höher aus, ohne ruckeln,?! Eine 5mm-Bohrung über der LLD und 8mm über dem Düsenstock bevorzuge ich selber! Ohne den komischen Filter bekommt man den SI selten eingestellt, das ist eine Eigenheit dieser Vergaser!"
    und in obigem Topic: "Ohne Löcher im Filterboden kommt es nämlich anscheinend zum Abreißen der Strömung durch die Düsenstöcke (Schwingungen gegen festes Ende?), und einer unkontrollierten Gemischanreicherung/Abmagerung"
    und "Mit Löchern fettet der Motor dann jedoch etwas mehr an als erforderlich wenn man spontan vom Gas geht, was die Abgaswerte verschlechtert"

    Damit dürfte eigentlich das Thema "Luftfilter" auch so ziemlich abgehandelt sein und fällt für die Abdüserei auch weg. Ich denke, die oben angesprochenen schlechteren Abgaswerte interessieren uns nicht wirklich. Der Roller muss laufen, vorwärts und gescheit :thumbup:

    So ganz nebenbei gibt Lucifer dann noch Erklärungen dazu ab, dass die Entwicklungen der Mischrohre BE4, 5 und 6, des Cosa-Vorluftfilters und der Schieber den Abgasvorschriften zu verdanken sind. Er drückt sich beispielsweise so aus: "Um die sich ändernden, immer 2-takt-feindlicheren Abgasvorschriften irgendwie auszutricksen, hat man die Bedüsung immer magerer gemacht, mit Filtern zugestöpselt, Bohrungen/Kanäle verkleinert und so richtig verbaute 'Krüppel' geschaffen".

    Grüßle, Klaus

  • Fettkimme
    DER Vorbesitzer
    Reaktionen
    7
    Punkte
    16,842
    Trophäen
    1
    Beiträge
    3,352
    Einträge
    2
    Vespa Typ
    Sprint 208/Px 223 /T5 223/Cosa 208
    • May 26, 2011 at 08:30
    • #34
    Zitat

    Hab ihm auch schon mal die Anwendungszeiten erklärt :)

    Mo Gähn .... :D ........ggg*

    Yep Thema Lufi ist mit der Gasschwingungsgeschichte durch,das dürfte auch diese Vortexplatte erklären.
    Schieber mit ohne alles sollte nochmal mit gepimpten PX gegengecheckt werden
    Mit ausschleifen ist das wegfräsen der Nasen gedacht ,also plan machen damit der Schieber wie rally komplett zumacht.
    Weil er dadurch kürzer wird muß der Punkt an dem die Standgasschraube auftrifft auch entsprechend modifiziert werden.
    Ein so bearbeiteter Schieber läßt sich fast genausogut wie der Rally einstellen.
    Bis auf die prozentuale Wirkweise der Ausnehmung deren Effekt unter bestimmten Bedingungen ja gewünscht sein kann


    Ahoi Ante

    Weapons of Mass Destruction

  • kmetti
    Profi
    Reaktionen
    3
    Punkte
    5,713
    Trophäen
    1
    Beiträge
    1,111
    Bilder
    4
    Wohnort
    73728 Esslingen am Neckar, Deutschland
    Vespa Typ
    Cosa 200 FL, P80X
    • May 26, 2011 at 09:08
    • #35

    Hallo Ante,

    jetzt verstehe ich was du schleifen willst. Ich hatte mich schon gefragt wie du zu Bildern kommst bei denen der Schieber hinten komplett anliegt. Mein 8492.1, der ja sonst auch immer als Rallyschieber benannt wird, hat allerdings auch die Nasen. Und weil kein Motor ohne Luft läuft, fällt es mir an diesem Punkt schwer den Sinn dahinter zu verstehen diese Nasen weg zu schleifen. Was allerdings mit den Nasen auch wegfällt ist die Aussparung an der einen Ecke, die den ND-Bypass früher freigibt. Die Wirkungsweise dieses ND-Bypass, und wie man sie eventuell beeinflussen kann, habe ich allerdings noch nicht ermitteln können. Kurios ist da auch noch der T5-Schieber, der ja keine Ecke, sondern eine Mulde an dieser Stelle hat. Bei dem ist der ND-Bypass dann immer ein bisschen offen ...
    Gibt es jemanden, der den T5-Schieber im Original und mit vergossener Mulde mal ausprobiert hat?

    Wer die "Ausnehmung" (Cutaway) an seinem Schieber bewusst einsetzt und die Wirkungen in Kauf nimmt, soll das tun. Ich werde das niemandem verbieten, aber auch nicht empfehlen.

    Leute, diskutiert die Bauteile jetzt! Demnächst werdet ihr mit Horrortheorien zu Bernoulli und Venturi traktiert 8)

    Gruß, Klaus

  • Fettkimme
    DER Vorbesitzer
    Reaktionen
    7
    Punkte
    16,842
    Trophäen
    1
    Beiträge
    3,352
    Einträge
    2
    Vespa Typ
    Sprint 208/Px 223 /T5 223/Cosa 208
    • May 26, 2011 at 13:04
    • #36

    Der 6823.7 Schieber vom 20/20 H einer 125 Cosa Typ 2 ....Ist Quasi T5 vergossen.. :+7

    hab nur leider keinen T5 Motek.Aber eh witzlos weil die T5 ja nen 24/24 hat und die 20/20 Schieberkammer kleiner.
    Grad mal nachgemessen 20/20 =24mm und 24/24 = 26,8mm breiten Schieber

    Weapons of Mass Destruction

    3 Mal editiert, zuletzt von Fettkimme (May 26, 2011 at 13:20)

  • kmetti
    Profi
    Reaktionen
    3
    Punkte
    5,713
    Trophäen
    1
    Beiträge
    1,111
    Bilder
    4
    Wohnort
    73728 Esslingen am Neckar, Deutschland
    Vespa Typ
    Cosa 200 FL, P80X
    • May 27, 2011 at 11:11
    • #37

    Hallo Ante,

    dieser Schieber ist in meiner P80X auch verbaut. Einen erkennbaren Vorteil der fehlenden Ecke spüre ich aber nicht. Allerdings fehlt mir auch der direkte Vergleich zu einem mit Ecke.

    Und jetzt, die angedrohte Horrortheorie :+7 :+7 :+7

    es geht in die Ödnis blanker mathematischer Theorie nach Bernoulli und Venturi. Diesem Ausflug gebe ich mal den Untertitel:

    Entdeckungstour mit Bernoulli

    Gleich vorweg sei die Einschränkung dieser Betrachtung genannt: es ist mir nicht möglich den SI-Vergaser zu berechnen bzw korrekt theoretisch darzustellen. Dazu müsste man mit Schwingungsrechnungen mit Gasen oder was auch immer umgehen können. Die Luftgeschwindigkeiten im SI werden so groß, dass dort keine der mir bekannten Formeln für Bernoulli oder Venturi passen. Vermutlich kommt die Luft im Vergaser bis hin zu Geschwindigkeiten nahe der Schallgrenze. Vielleicht ist ja auch eine "Fehlzündung" im Vergaser einfach nur ein Schallmauerknall.
    Meine Kenntnisse beschränken sich auf Bernoulli und Venturi in Flüssigkeitssystemen. Daher muss ich den Vergaser durch ein "gedankliches Flüssigkeitssystem" mit ähnlicher Konstruktion ersetzen und dabei versuchen Rückschlüsse auf "Einzelzustände" im SI zu ziehen.

    Ich werde mich vorwiegend auf Bernoulli beziehen da wir im SI sowieso keinen so schönen Venturivergaser haben und daher die Verhältnisse einer Venturidüse nicht schön darstellen können?

    Bernoulli mit seiner Energiegleichung:

    Geodätische Höhe + Druckhöhe + Geschwindigkeitshöhe + Verlusthöhe = konstant

    finden wir aber an jeder Ecke unseres Ersatzsystems. Diese Energiegleichung reduziere ich dann auch noch um die Geodätische Höhe und es bleibt:

    Druckhöhe + Geschwindigkeitshöhe + Verlusthöhe = konstant

    Ich verwende folgende, sicher nicht wissenschaftlich einwandfreie Bezeichnungen:
    konstant = der Umgebungsluftdruck P(u)
    Druckhöhe = P
    Geschwindigkeitshöhe = v**2/2g
    Verlusthöhe (Druckverluste durch Reibung) = dP(r)

    2g = 20 m/s**2

    Nicht alle dieser Größen rechne ich für meine Betrachtungen aus. Bzw die Verlusthöhe setze ich sowieso nur im ND-Kanal an und kann sie dort nur äußerst grob abschätzen.

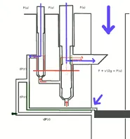
    Zur Illustration nehme ich mal folgende Skizze:

    Den Umgebungsdruck nehme ich mit 1000 mbar = 10 mWS Druckhöhe an.
    Die Druckhöhe an den verschiedenen betrachteten Stellen ergibt sich aus P(u) - v**2/2g - dP(r) Die Geschwindigkeitshöhe berechnen wir uns für verschiedene Stellen im Ansaugrohr und in verschiedenen Lastzuständen.
    Die Verlusthöhe im ND-Kanal schätze ich ab, indem ich rückwärts schreitend vom Ansaugrohr zur ND für jede Ecke/Drossel die Geschwindigkeitshöhe (und damit den anstehenden Unterdruck) um ca 40 % reduziere. Nach den vier Ecken des ND-Kanals haben wir an der ND also nur noch ca 10 % des Unterdrucks, der an der Öffnung des ND-Kanals im Ansaugrohr herrscht. Wenn der ND-Bypass geöffnet ist und damit der Kanal wesentlich verkürzt und die Drossel "Gesmischschraube" umgangen ist, gehe ich für die Rechnung hier davon aus, dass ca 20 % des Unterdrucks aus dem Ansaugrohr bei der ND ankommen.

    Wie groß ist jetzt ganz grob der Unterdruck?

    1. Lastzustand: Standgas bei 200 U/min für einen 200 ccm "Flüssigkeitsmotor mit konstantem Durchfluss":
    Die Geschwindigkeit meines Mediums in m/s im Ansaugrohr entwickelt sich so:
    Der Motor saugt pro Minute 40000 ccm Medium und pro Sekunde ca 666 ccm Medium an. Bei einem freien Querschnitt des Ansaugrohrs von ca 5 qcm legt das Medium also eine Strecke von 133 cm/s oder 1,3 m/s zurück.
    Die dazugehörige Geschwindigkeitshöhe (der Unterdruck vor dem HD-Stock) ist damit:

    1,3 **2 / 20 = 0,0845 m oder 8,5 mbar


    Vor der ND ist der Querschnitt jedoch auf ca 10 % reduziert, d.h. dort ist das Medium wegen der Kontinuität (Venturi) schon 13 m/s schnell. Die dazugehörige Geschwindigkeitshöhe (der Unterdruck vor dem ND-Kanal) ist damit:

    13 **2 / 20 = 8,45 m das ist schon ein Grobvakuum (P = 10 - 8,45 = 1,55 m = 155 mbar).

    Das sich jedoch bis zur ND wieder auf 10 % reduziert. Dort haben wir also nur noch einen geschätzten Unterdruck von ca 0,84 m oder 84 mbar.

    Wenn die Annahmen ungefähr passen ist das ein guter Sog an der ND!

    2. Lastzustand: niedrige Last bei 400 U/min:
    Die Geschwindigkeit im Ansaugrohr verdoppelt sich auf 2,6 m/s und der Unterdruck wächst auf das 4-fache: 34 mbar am HD-Stock.

    Am ND-Kanal ist der Schieber jetzt vermutlich zu 20 % geöffnet und die Geschwindigkeit des Mediums und der Unterdruck bleiben konstant.
    Der Unterdruck direkt an der ND steigt ebenfalls weil der ND-Bypass freigegeben wird. Er ist dort jetzt ca 160 mbar groß.

    3. Lastzustand: mittlere Last bei 800 U/min:
    Die Geschwindigkeit im Ansaugrohr hat sich wieder verdoppelt auf 5,2 m/s und der Unterdruck auch wieder vervierfacht: 136 mbar am HD-Stock.

    Am ND-Kanal bleiben die Geschwindigkeit und der Unterdruck wieder konstant, da der ND-Bypass schon offen ist ändert sich auch der Unterdruck an der Nebendüse selbst nicht mehr und bleibt bei 160 mbar.

    4. Lastzustand: Volllast bei 1600 U/min:
    Gleiches Spiel für das Ansaugrohr, Verdoppelung der Geschwindigkeit, Vervierfachung des Unterdrucks: ca 550 mbar (jetzt haben wir ein Grobvakuum am HD-Stock).

    Nebendüse: 160 mbar

    Zusammenfassung:
    200 Umin: HD-Sog 8,5 mbar; ND-Sog 84 mbar (so etwas könnte bei der Vespa bei ca 1000 U/min eintreten)
    400 Umin: HD-Sog 34 mbar; ND-Sog 160 mbar (so etwas könnte bei der Vespa bei ca 2000 U/min eintreten)
    800 Umin: HD-Sog 136 mbar; ND-Sog 160 mbar (so etwas könnte bei der Vespa bei ca 4000 U/min eintreten)
    1600 Umin: HD-Sog 550 mbar; ND-Sog 160 mbar (so etwas könnte bei der Vespa bei ca 8000 U/min eintreten)

    Wenn man sich diese Drücke ansieht, die Bauweise des SI mit HD und nachgeschalteter ND betrachtet und die Größen der Düsen berücksichtigt, bekommt man so ungefähr eine Vorstellung wie das Gemisch mit Sprit versorgt werden könnte.

    Man sieht auch, dass die einzigen Regelungsmechanismen für den Sog an der Nebendüse die Gemischschraube und die "Ecke im Schieber" sind. Mit der Ecke im Schieber kann man die Öffnung des ND-Bypass früher oder später legen.

    Die nächste Aufgabe wird dann sein, zu gucken, wie aus dem Sog ein Spritgemisch wird.

    Gruß, Klaus

  • Fettkimme
    DER Vorbesitzer
    Reaktionen
    7
    Punkte
    16,842
    Trophäen
    1
    Beiträge
    3,352
    Einträge
    2
    Vespa Typ
    Sprint 208/Px 223 /T5 223/Cosa 208
    • May 27, 2011 at 14:03
    • #38

    Klaus...du machst mich feddisch :D
    Das ist ja mal ne Datenbreitseite vom feinsten .....erstmal sacken lassen und nachher nochmal lesen .....komme neu

    Weapons of Mass Destruction

  • kmetti
    Profi
    Reaktionen
    3
    Punkte
    5,713
    Trophäen
    1
    Beiträge
    1,111
    Bilder
    4
    Wohnort
    73728 Esslingen am Neckar, Deutschland
    Vespa Typ
    Cosa 200 FL, P80X
    • May 27, 2011 at 16:46
    • #39

    Remoinsen,

    für die Spritdüse habe ich schon nachgesehen wie sich der Unterdruck auf den Durchfluss auswirken sollte. Es ist nicht eindeutig, die Kernformel ist:

    Durchfluss = Fläche * Druck

    Jedoch ist der Druck nicht zwingend linear in der Formel, es gibt verschiedene Rechenmodelle und die Potenz des Drucks variiert von 0,5 bis 1,5. Der Einfachheit halber wähle ich das jetzt doch linear. Ich bekomme dann, wenn ich einen Vergaser ohne Luftkorrektur konstruiere folgende theoretische Spritversorgung über die Drehzahl:

    In dieser Tabelle erkennt man eine Grundversorgung des Motors über die Nebendüse und eine exponentielle Spritversorgung über die Hauptdüse. Es wird schnell klar warum ein Vergaser eine Luftkorrektur benötigt und ebenso, dass er sie vor allem an der Hauptdüse braucht. Die Luftkorrektur an der Nebendüse ist, bei der konstanten Last an der Nebendüse wohl eher für das "Feintuning" der Düsengröße von Interesse.

    Gruß, Klaus

  • kmetti
    Profi
    Reaktionen
    3
    Punkte
    5,713
    Trophäen
    1
    Beiträge
    1,111
    Bilder
    4
    Wohnort
    73728 Esslingen am Neckar, Deutschland
    Vespa Typ
    Cosa 200 FL, P80X
    • May 28, 2011 at 09:27
    • #40

    Hallo zusammen,

    bevor ihr feststellt dass die Theorie Mist ist baue ich sie noch mal ein bisschen aus.

    Ich habe meine obige Tabelle um die Annahme eines linearen Spritbedarfs und differenzierte HDs für Cosa, PX und etwas getuntes erweitert. Für die Beispielmodelle errechne ich dann auch eine scheinbar notwendige Spritkorrektur, die die HLKD erledigen müsste:

    Ich finde die Zahlen beeindruckend. Auf den ersten Blick hat man das Gefühl, das kann alles nicht stimmen, die Theorie muss wohl gescheitert sein. Wenn so eine "kleine" Änderung an der HD bei der Spritkorrektur +- 100% erfordert, bräuchten wir doch ganz andere HLKDs! Und die Erfahrung scheint doch auch eher zu sein, dass eine getunte Maschine eine kleinere HLKD benötigt als eine ungetunte oder nehmen wir das nur falsch wahr? Sind wir bei getunten Maschinen nur sensibler?

    Ob die Theorie nun stimmt oder nicht oder nur nicht ganz so gut passt bleibt also zu diskutieren.

    Für mich gibt es aber doch ein paar Kernaussagen die trotz allem zu passen scheinen:

    - die ND kann über den gesamten Drehzahlbereich nur eine Grundlast an der Spritversorgung abdecken
    - die ND liefert diese Grundlast aber doch immer
    - die ND kann keine durch einen anderen Abstimmungsfehler hervorgerufene Abmagerung abfedern, versucht man das, riskiert man Probleme im Standgasbereich
    - HD und HLKD muss man gemeinsam abstimmen, eine Änderung an der HD hat Auswirkungen auf den Korrekturbedarf der HLKD (wieviel bleibt zu diskutieren)
    - greift man mit einem Mischrohr (BE4 oder BE6) oder Schieber mit Cutaway in dieses Gefüge ein bekommt man ganz neue und andere HD/HLKD Kombinationen

    Gruß, Klaus

Tags

  • Vespa Vergaser
  1. Datenschutzerklärung
  2. Impressum
  3. Kontakt
  4. Geschichte der Vespa bei Wikipedia
  5. Nutzungsbedingungen
Made with ♥ in Bavaria
Community-Software: WoltLab Suite™