Hey,
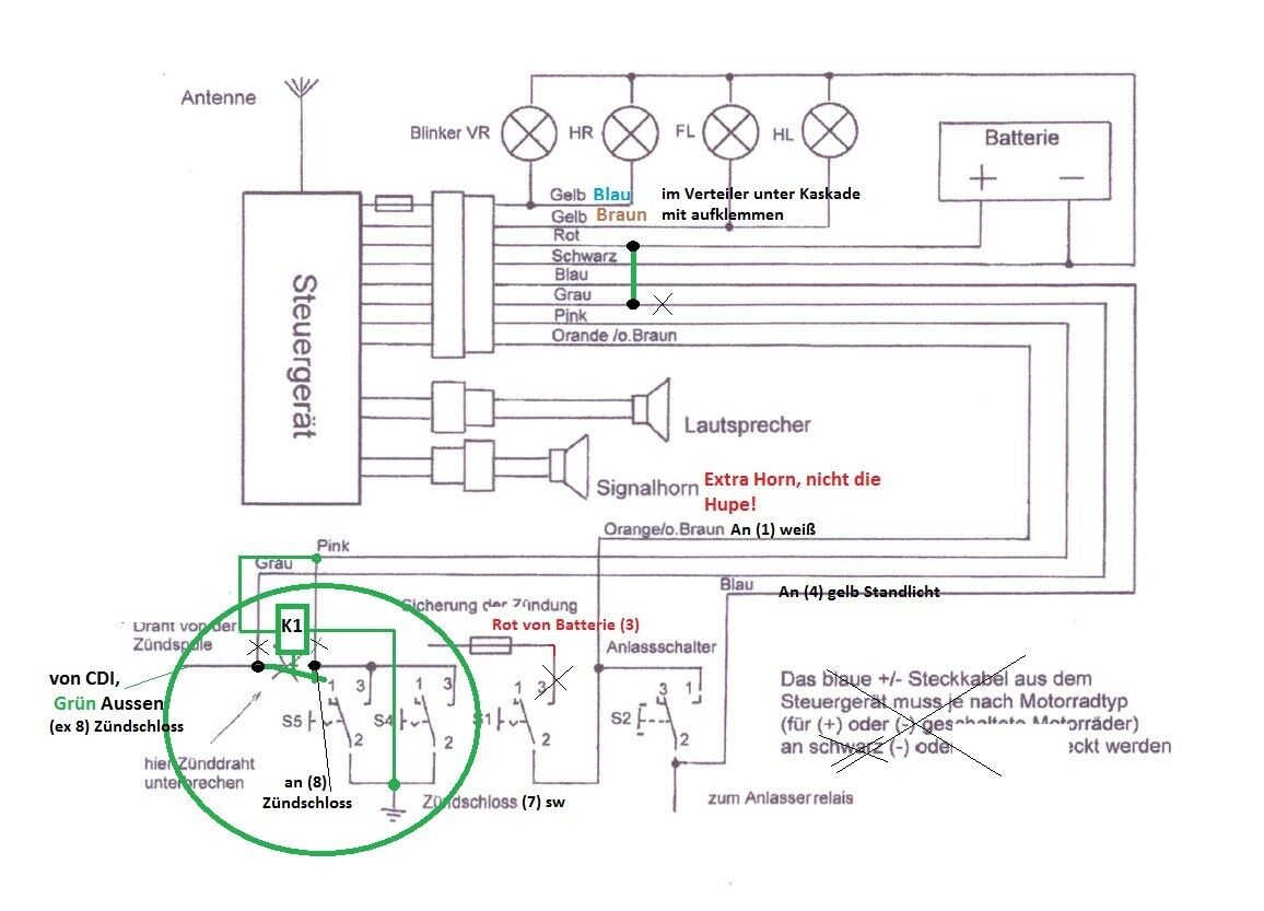
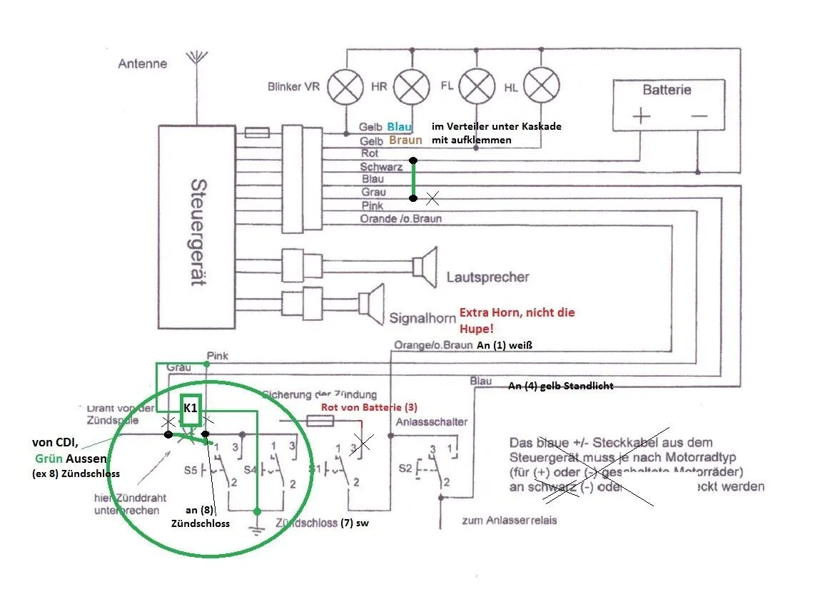
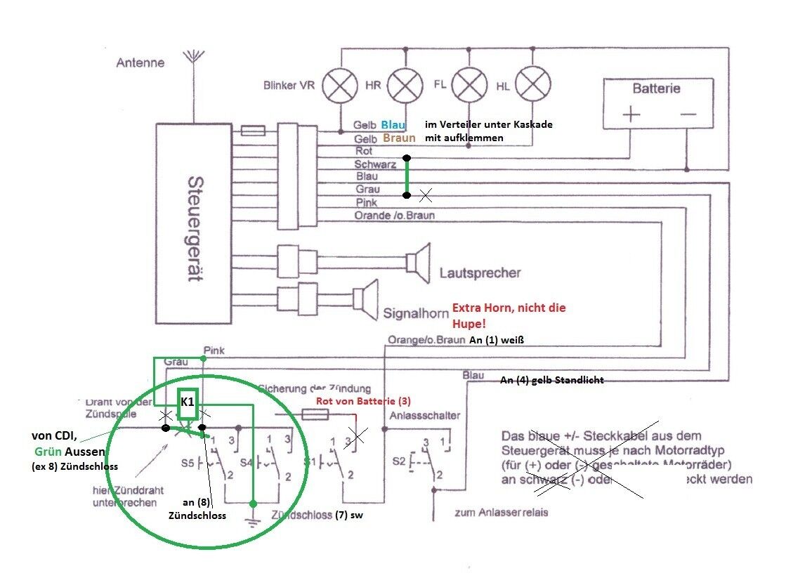
ich hab mir via ebay eine Alarmanlage ersteigert und würde diese gerne in meine P 200 E verbauen. Leider komme ich mit dem beigefügten Schalt- / Anschlussplan nicht so ganz zurecht.
Hab diesen mal als Bild beigefügt.
Könnt ihr mir evt. helfen und sagen, an welche Kabel der Vespa ich die Alarmanlage genau anschließen muss 
Für eure Hilfe bedanke ich mich jetzt schon mal.
Gruß
