1. Vespa Forum
    1. Unerledigte Themen
  2. Dashboard
  3. Galerie
    1. Alben
    2. Karte
  4. Lexikon
  • Anmelden oder registrieren
  • Suche
Dieses Thema
  • Alles
  • Dieses Thema
  • Dieses Forum
  • Forum
  • Galerie
  • Lexikon
  • Seiten
  • Erweiterte Suche
  1. VespaOnline Forum: Entdecke die Welt der klassischen Vespa-Roller und teile deine Leidenschaft
  2. Vespa Smallframe / Largeframe / Wideframe Roller
  3. Vespa Elektrik

An welchem Kabel wird die Alarmanlage richtig angeschlossen?

  • xy_unbekannt
  • September 23, 2011 at 20:15
  • xy_unbekannt
    Anfänger
    Punkte
    45
    Beiträge
    7
    Wohnort
    Emmerich am Rhein
    Vespa Typ
    Noch keine
    • September 23, 2011 at 20:15
    • #1

    Hey,

    ich hab mir via ebay eine Alarmanlage ersteigert und würde diese gerne in meine P 200 E verbauen. Leider komme ich mit dem beigefügten Schalt- / Anschlussplan nicht so ganz zurecht.confused.png

    Hab diesen mal als Bild beigefügt.

    Könnt ihr mir evt. helfen und sagen, an welche Kabel der Vespa ich die Alarmanlage genau anschließen muss whistling.png
    Für eure Hilfe bedanke ich mich jetzt schon mal.

    Gruß

  • Mediakreck
    Profi
    Reaktionen
    8
    Punkte
    4,983
    Trophäen
    1
    Beiträge
    911
    Bilder
    14
    Wohnort
    Dort wo der Pfeffer wächst
    Vespa Typ
    v5x2t mal 2
    • September 30, 2011 at 17:48
    • #2

    8| Scherz, oder?

    "Ich bin dicht, doch Goethe war Dichter!"

  • xy_unbekannt
    Anfänger
    Punkte
    45
    Beiträge
    7
    Wohnort
    Emmerich am Rhein
    Vespa Typ
    Noch keine
    • September 30, 2011 at 18:55
    • #3

    Eigentlich nicht. Wieso?

  • chup4
    VO-Inventar
    Reaktionen
    1,018
    Punkte
    60,223
    Beiträge
    11,661
    Bilder
    28
    Einträge
    1
    • October 4, 2011 at 07:56
    • #4

    ist nicht so ganz einfach. zumal einige der hier angebotenen features nicht verbaubar sind, da dein roller sein licht über wechselstrom laufen hat. und vermutlich auch keinen elektrostarter besitzt ;)

    ansonsten... schließ doch erstmal plus an batterieplus und minus an masse an. und dann kannst du nach und nach nach den kabelfarben die restlichen geschichten anklemmen?

    aber... ich glaube: das spielchen bringt nix...

    Aufbau eines Rennrollers für die European Scooter Challenge

    ESC seit 2013 K5


    BaB-Race-Meister 2015+2016

    K5 Pechvogel

    http://www.eurochallenge.de

  • xy_unbekannt
    Anfänger
    Punkte
    45
    Beiträge
    7
    Wohnort
    Emmerich am Rhein
    Vespa Typ
    Noch keine
    • October 4, 2011 at 18:57
    • #5

    Ja, das man nicht alle Kabel anschließen kann war mir klar, da ich ja z.B keinen E-Starter hab :love:

    Plus u. Minus hatte ich auch schon angeschlossen. Erst danach wusste ich nicht mehr weiter.
    Nur wohin mit dem Pinken und Orangenen Kabel und wo kann ich am besten die Blinkerkabel abzwacken?

    Ist für mich auch eher als Spielerei zu sehen lebehoch-)

    3 Mal editiert, zuletzt von xy_unbekannt (October 4, 2011 at 19:35)

  • Dennis Dortmund
    Anfänger
    Reaktionen
    1
    Punkte
    296
    Beiträge
    58
    Vespa Typ
    PK50xl 1991
    • October 5, 2011 at 14:01
    • #6

    DAS scheint interessant zu werden..

  • SubRoger
    Fortgeschrittener
    Reaktionen
    7
    Punkte
    1,247
    Trophäen
    1
    Beiträge
    240
    Wohnort
    24340 Eckernförde, Deutschland
    Vespa Typ
    P80X
    • October 5, 2011 at 21:11
    • #7

    Das wird nur was mit einem besseren Schaltplan und der interen Verschaltung.
    Zündung der Vespa P200 wird nicht über den Schlüsselschalter eingeschaltet, sondern
    mit dem Grünen Kabel an der CDI die Masse weggeschaltet
    -> wenn du statt Verdrahtungsplan keinen Schaltplan auftreiben kannst und aufs
    Probieren angewiesen bist um rauszubekommen wann was überwacht bzw umgeschaltet wird
    das ein WINTERPROJEKT. :+2
    Viel Erfolg
    Roger

    P80X, BJ 81

  • xy_unbekannt
    Anfänger
    Punkte
    45
    Beiträge
    7
    Wohnort
    Emmerich am Rhein
    Vespa Typ
    Noch keine
    • October 7, 2011 at 07:07
    • #8

    So, habe über den Verkäufer der Alarmanlage einen neuen und hoffentlich besser Schaltplan bekommen coolsmiley.gif

    Habe diesen Mal in der Anlage beigepackt. Ich hoffe hiermit kann etwas angefangen werden.

    Brauche nämlich immer noch Hilfe..........confused.png

    Dateien

    Foto 3.pdf 2.03 MB – 1,037 Downloads
  • chup4
    VO-Inventar
    Reaktionen
    1,018
    Punkte
    60,223
    Beiträge
    11,661
    Bilder
    28
    Einträge
    1
    • October 8, 2011 at 21:08
    • #9

    ohne vollständige umrüstung der rollerelektrik auf gleichspannung mit den verbundenen problemen, sowie dem umrüsten der zündung auf eine batteriezündung, die es für die dinger nichtmal gibt, wirst du das potential des geräts nicht ausschöpfen können.

    Aufbau eines Rennrollers für die European Scooter Challenge

    ESC seit 2013 K5


    BaB-Race-Meister 2015+2016

    K5 Pechvogel

    http://www.eurochallenge.de

  • SubRoger
    Fortgeschrittener
    Reaktionen
    7
    Punkte
    1,247
    Trophäen
    1
    Beiträge
    240
    Wohnort
    24340 Eckernförde, Deutschland
    Vespa Typ
    P80X
    • October 8, 2011 at 22:33
    • #10

    vielleicht doch:

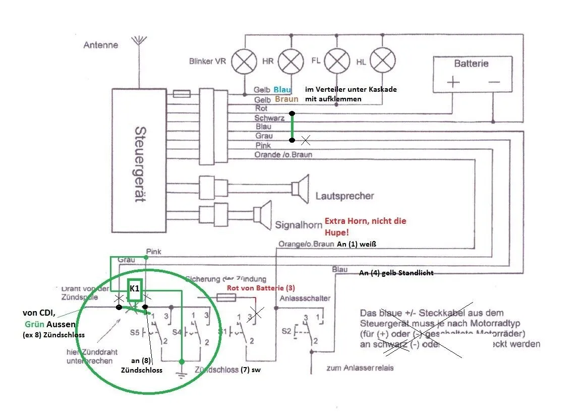
    Die Blinker kannst du unter der Kaskade (blau und braun) mit anklemmen aber dann gehts los:
    Grau und Pink trennen wenn keine Zündung sein soll, bei der Vespe ist es andersherum :-4
    aber das ginge noch simpel durch ein Relais mit Öffner Kontakt.
    S4 und S5 gibts bei der Vespa als Öffner zwischen (8 ) grün und (7) schwarz
    -> ob Pink noch eine Schutzdiode braucht?????
    Das Wechselstromrisiko ist deins, der Bewegungsalarm machts wohl
    und ein bisserl Sicherheit gibts vielleicht auch.
    Die restlichen Funktionen gehen halt nicht, dh. Standlichtbirne geht an statt Motorstart :thumbup:
    Spannend wird die Verkabelung, denn wo soll das Steuergerät hin :-3

    Wenn klappt schriebs, wenn nicht auch :+4
    Gruß
    Roger

    P80X, BJ 81

  • chup4
    VO-Inventar
    Reaktionen
    1,018
    Punkte
    60,223
    Beiträge
    11,661
    Bilder
    28
    Einträge
    1
    • October 9, 2011 at 10:17
    • #11

    wenn das gerät nicht auf allen ein und ausgängen überspannungs und verpolgesichert ist.... viel erfolg ;)

    Aufbau eines Rennrollers für die European Scooter Challenge

    ESC seit 2013 K5


    BaB-Race-Meister 2015+2016

    K5 Pechvogel

    http://www.eurochallenge.de

  • Tyler-Durden89
    Schüler
    Punkte
    485
    Beiträge
    67
    Bilder
    7
    Wohnort
    Aichach
    Vespa Typ
    PX 125 Lusso / PX 125 Lusso / PX 125 alt / PX 200 alt
    • October 9, 2011 at 11:54
    • #12

    Sowas braucht man normalerweise nur wenn man in Kreuzberg oder in Frankfurt wohnt ;)
    für alles andere reicht normalerweise die Lenkrad sperre !

    sorry für ot

  1. Datenschutzerklärung
  2. Impressum
  3. Kontakt
  4. Geschichte der Vespa bei Wikipedia
  5. Nutzungsbedingungen
Made with ♥ in Bavaria
Community-Software: WoltLab Suite™