1. Vespa Forum
    1. Unerledigte Themen
  2. Dashboard
  3. Galerie
    1. Alben
    2. Karte
  4. Lexikon
  • Anmelden
  • Registrieren
  • Suche
Dieses Thema
  • Alles
  • Dieses Thema
  • Dieses Forum
  • Forum
  • Galerie
  • Lexikon
  • Seiten
  • Erweiterte Suche
  1. VespaOnline Forum: Entdecke die Welt der klassischen Vespa-Roller und teile deine Leidenschaft
  2. Vespa Smallframe / Largeframe / Wideframe Roller
  3. Vespa Elektrik

Überspannung? PK50 Xl

  • mamu
  • December 1, 2011 at 18:07
  • mamu
    Anfänger
    Punkte
    25
    Beiträge
    4
    Vespa Typ
    PK 50 XL
    • December 1, 2011 at 18:07
    • #1

    Hallo Vesparaner!

    Ich fahre eine PK50 XL Baujahr 93, ohne Elektrostarter, mit manueller
    Schaltung.

    Habe mir zu dem Thema schon einige Threads angesehen. Ich denke das sich
    mein Problem von den besprochenen unterscheiden könnte.

    Folgendes Problem:

    Es tritt ein kollektives Birnensterben auf.

    Wenn ich während der Fahrt auf das Bremspedal trete, kommt es immer häufiger
    dazu, das sich mein Scheinwerfer in ein eindrucksvolles Flutlicht verwandelt.
    Es fließt also ein höherer Strom. Dem kann ja eigentlich nur eine Überspannung
    zu Grunde liegen. Dumm nur, das die Birnen das vielleicht 15km mit machen...


    Zusammenfassend sind folgende Symptome aufgetreten:

    - diverse Blinkerbirnen sowie Rücklicht defekt.

    - Bremspedal getreten 2 Sekunden Flutlicht... Scheinwerfer aus.... wuetend-) (Blinker leuchten ebenfalls heller )

    - Hupe betätigt... Scheinwerfer kaputt...
    :+5

    - einige Tachokontrolllampen defekt.


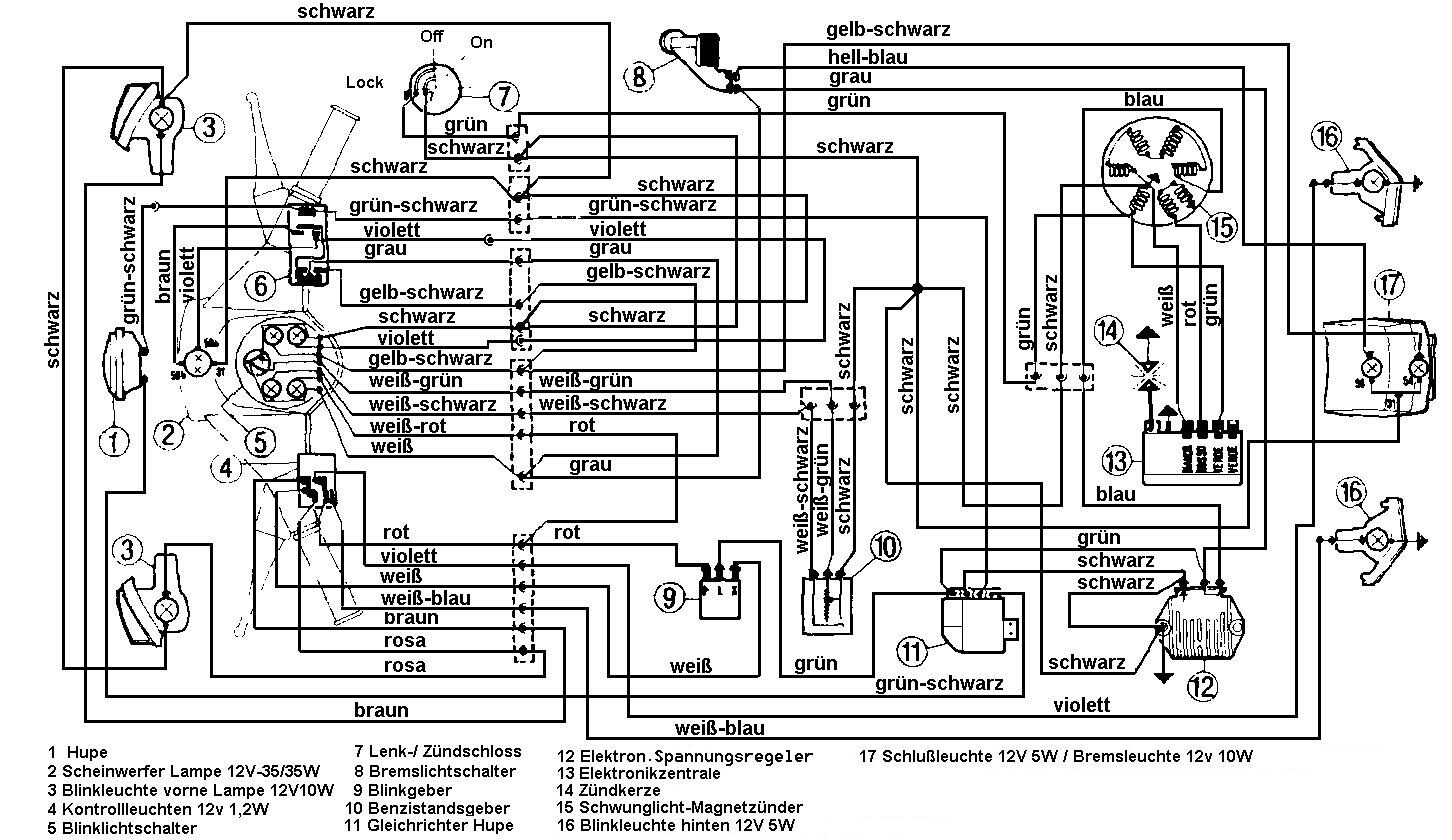
    Nun Ist in dem [lexicon='Schaltplan',''][/lexicon] der Vespa zu erkennen, das ein Spannungsregler vorhanden ist. Bei kollektiver Überspannung würde ich der Logik halber darauf tippen, das dieser hin ist.

    Nun hatte ich jedoch den Fall mit der Hupenbetätigung... [lexicon='Der Hupengleichrichter',''][/lexicon] ist laut einigen Forumbeiträgen auch oft Ursache für elektrisches Kuddel Muddel.

    Und wie das mit der Betätigung des Bremspedals zusammenhängen kann, geht mir nun so garnicht in den Kopf.

    Wo fange ich an?


    Derzeit schluckt meine Vespa unterm Strich auf 100km neben ein paar Litern Sprit, nun auch zwei Hände voll Birnen... :pinch:

    Daher währe ich Euch sehr dankbar, wenn Ihr mir an der Stelle helfen würdet.


    Liebe Grüße

    Mamu


    [lexicon='Schaltplan',''][/lexicon]:

  • Paichi
    Erleuchteter
    Reaktionen
    29
    Punkte
    16,304
    Trophäen
    1
    Beiträge
    3,241
    Wohnort
    Augsburg
    Vespa Typ
    V50 Spezial (133er), V50 1. Serie, V50 Spezial 1. Serie, PX 200 (177er), Jawa 250, IWL Troll, Simson,...
    • December 2, 2011 at 10:24
    • #2

    Zieh doch nen Hupengleichrichter mal ab (einfach den Stecker weg machen) und miss deine Spannung z.B. am Scheinwerfer. Leichter gehts noch: Ausgang von Spannungsregler gegen Masse messen. Sollten nie mehr als ca 12,5V rauskommen. Wenn mehr kommt --> Regler defekt --> Hupengleichrichter hats dann wohl auch hinter sich.
    Zum Thema Bremslicht: kanns sein, dass du im Rücklicht ne falsche Volt/Wattzahl hast? Das würde die extreme Erhellung erklären. Bremse sollten 12V/10W und Rücklicht 12V/5W sein.

    Beste Grüße

  • mamu
    Anfänger
    Punkte
    25
    Beiträge
    4
    Vespa Typ
    PK 50 XL
    • December 4, 2011 at 11:41
    • #3

    Hallo Paichi!

    Danke für Deine Antwort.

    Werde das alles mal durchchecken. Hoffe, das sich der Fehler im Stand zeigt.

    Gruß

    Mamu

  • Trentino
    Anfänger
    Punkte
    55
    Beiträge
    9
    Vespa Typ
    PK 125 XL
    • December 11, 2011 at 21:02
    • #4

    Hallo mamu,
    falls das Problem noch besteht kann ich Dir aus eigener Erfahrung sagen "der Spannungsregler ist defekt"
    Ich hatte das Problem auch an meiner Vespa, da ist alles durchgebrannt, reihenweise alle Birnen, sogar [lexicon='der Hupengleichrichter',''][/lexicon] und der Schalter vom Bremspedal.

    Gruß Trentino

  • mamu
    Anfänger
    Punkte
    25
    Beiträge
    4
    Vespa Typ
    PK 50 XL
    • December 11, 2011 at 22:25
    • #5

    Hallo Terentino!

    Danke für Deine Antwort.

    Ja das Problem besteht noch.

    Habe heute mal die Spannungen am Spannungsregler gemessen.

    Er bringt gleichmäßig seine 14V ohne Last. Bei Betätigen der Bremse (Bremslicht) sinkt sie dann so auf 12-13V Wechselspannung. Eigentlich bestens.

    Bei Betätigung der Hupe sind es dann mal eben 30-40V! :D

    Ohne Hupengleichrichter (stecker entfernt) normale Spannung am Regler.

    Also fliegt [lexicon='der Hupengleichrichter',''][/lexicon] nun raus. Den Spannungsreglegler werde ich auch erneuern, da das Problem ja auch auftritt, wenn nicht gehupt wird. Habe in anderen Beiträgen davon gehört das ein defekter Hupengleichrichter der Spannungsregler zerstören kann. Gehe nun mal davon aus das der Regler in Mitleidenschaft gezogen wurde.

    Die Birnen hinten sollten eigentlich 10 und 5W sein. Es sind aber 25 und 10W verbaut.... :pinch: Auch das wird geändert.

    Gruß

    Mamu

  • mamu
    Anfänger
    Punkte
    25
    Beiträge
    4
    Vespa Typ
    PK 50 XL
    • February 26, 2012 at 12:04
    • #6

    Hallo liebe Kollegen,

    Vielen Dank für Eure Hilfe! :thumbup:

    Habe alles wie oben erwähnt durchgeführt. Nun funktioniert alles einwandfrei! 2-)

  • chup4
    VO-Inventar
    Reaktionen
    1,018
    Punkte
    60,223
    Beiträge
    11,661
    Bilder
    28
    Einträge
    1
    • February 27, 2012 at 09:09
    • #7

    [lexicon='der hupengleichrichter',''][/lexicon] ist, fürchte ich, nur ein teil des problems. eher eine kombination: der regler regelt nicht schnell genug nach und [lexicon='der hupengleichrichter',''][/lexicon] zieht zuviel saft. ich würd den gleichrichter NICHT rauswerfen... sonst haste keine hupe.

    Aufbau eines Rennrollers für die European Scooter Challenge

    ESC seit 2013 K5


    BaB-Race-Meister 2015+2016

    K5 Pechvogel

    http://www.eurochallenge.de

Tags

  • Vespa PK 50
  1. Datenschutzerklärung
  2. Impressum
  3. Kontakt
  4. Geschichte der Vespa bei Wikipedia
  5. Nutzungsbedingungen
Made with ♥ in Bavaria
Community-Software: WoltLab Suite™