Hallo Vesparaner!
Ich fahre eine PK50 XL Baujahr 93, ohne Elektrostarter, mit manueller
Schaltung.
Habe mir zu dem Thema schon einige Threads angesehen. Ich denke das sich
mein Problem von den besprochenen unterscheiden könnte.
Folgendes Problem:
Es tritt ein kollektives Birnensterben auf.
Wenn ich während der Fahrt auf das Bremspedal trete, kommt es immer häufiger
dazu, das sich mein Scheinwerfer in ein eindrucksvolles Flutlicht verwandelt.
Es fließt also ein höherer Strom. Dem kann ja eigentlich nur eine Überspannung
zu Grunde liegen. Dumm nur, das die Birnen das vielleicht 15km mit machen...
Zusammenfassend sind folgende Symptome aufgetreten:
- diverse Blinkerbirnen sowie Rücklicht defekt.
- Bremspedal getreten 2 Sekunden Flutlicht... Scheinwerfer aus....
(Blinker leuchten ebenfalls heller )
- Hupe betätigt... Scheinwerfer kaputt... ![]()
- einige Tachokontrolllampen defekt.
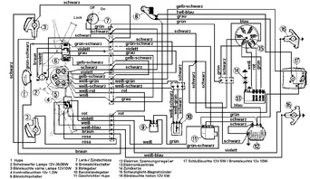
Nun Ist in dem [lexicon='Schaltplan',''][/lexicon] der Vespa zu erkennen, das ein Spannungsregler vorhanden ist. Bei kollektiver Überspannung würde ich der Logik halber darauf tippen, das dieser hin ist.
Nun hatte ich jedoch den Fall mit der Hupenbetätigung... [lexicon='Der Hupengleichrichter',''][/lexicon] ist laut einigen Forumbeiträgen auch oft Ursache für elektrisches Kuddel Muddel.
Und wie das mit der Betätigung des Bremspedals zusammenhängen kann, geht mir nun so garnicht in den Kopf.
Wo fange ich an?
Derzeit schluckt meine Vespa unterm Strich auf 100km neben ein paar Litern Sprit, nun auch zwei Hände voll Birnen... 
Daher währe ich Euch sehr dankbar, wenn Ihr mir an der Stelle helfen würdet.
Liebe Grüße
Mamu