1. Vespa Forum
    1. Unerledigte Themen
  2. Dashboard
  3. Galerie
    1. Alben
    2. Karte
  4. Lexikon
  • Anmelden
  • Registrieren
  • Suche
Dieses Thema
  • Alles
  • Dieses Thema
  • Dieses Forum
  • Forum
  • Galerie
  • Lexikon
  • Seiten
  • Erweiterte Suche
  1. VespaOnline Forum: Entdecke die Welt der klassischen Vespa-Roller und teile deine Leidenschaft
  2. Vespa Smallframe / Largeframe / Wideframe Roller
  3. Vespa Elektrik

Elektrikprobleme P80X

  • nils1553
  • April 7, 2012 at 12:57
  • nils1553
    Anfänger
    Punkte
    25
    Beiträge
    4
    Wohnort
    Rosbach
    Vespa Typ
    P 80 X, Baujahr 1981
    • April 7, 2012 at 12:57
    • #1

    Moin!
    Nachdem ich über die Suchfunktion nicht weiterkomme, stelle ich meine Frage mal hier.
    P80X, Bj. 81, mit Batterie. Nach Restauration und korrekter Verkabelung nach [lexicon='Schaltplan',''][/lexicon] geht bei Zündung an, Motor aus, nur die Hupe. Kein Blinker, auch kein Standlicht, wenn Schlüssel nach links. Bremslicht ebenfalls negativ. Habe generell alle Kontakte gecheckt, nix Auffälliges.

    Beim Durchmessen per Multimeter liegt (immer bei Zündung an) grundsätzlich bei Rot Spannung an, etwa 12,6V.
    Masse auf schwarz ist auch da.

    Unter meiner Kaskade befinden sich auch nicht ein graues und ein schwarzes Kabel, die fälschlicherweise miteinander verbunden sind (wie es anscheinend bei manchen Lussos der Fall ist).

    Habe langsam echt keine Idee mehr!

    Gruß

    Nils

    "Nicht Sieg sollte der Zweck der Diskussion sein. Sondern Gewinn." Joseph Joubert (franz. Moralist, 1754-1824)

  • kasonova
    Foren-Inventar
    Reaktionen
    43
    Punkte
    31,593
    Trophäen
    2
    Beiträge
    6,227
    Bilder
    10
    Einträge
    3
    Wohnort
    Solingen
    Vespa Typ
    Vespa ET2, V50 Spezial, PK 50 XL2
    • April 7, 2012 at 14:41
    • #2

    Hi, kannst Du mal den [lexicon='Schaltplan',''][/lexicon] posten nach dem Du gearbeitet hast?

  • nils1553
    Anfänger
    Punkte
    25
    Beiträge
    4
    Wohnort
    Rosbach
    Vespa Typ
    P 80 X, Baujahr 1981
    • April 7, 2012 at 15:08
    • #3

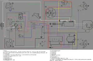
    Nach dem hier habe ich verkabelt ....

    Bilder

    • V8X1TmitBatterie.gif
      • 142.5 kB
      • 1,736 × 1,146

    "Nicht Sieg sollte der Zweck der Diskussion sein. Sondern Gewinn." Joseph Joubert (franz. Moralist, 1754-1824)

  • kasonova
    Foren-Inventar
    Reaktionen
    43
    Punkte
    31,593
    Trophäen
    2
    Beiträge
    6,227
    Bilder
    10
    Einträge
    3
    Wohnort
    Solingen
    Vespa Typ
    Vespa ET2, V50 Spezial, PK 50 XL2
    • April 7, 2012 at 15:54
    • #4

    Hast Du schon mal nach der Sicherung gesehen? Der Blinker ist direkt am Spannungsregeler angeschlossen, dann nur wenn der Motor lauft zu betätigen.

  • kmetti
    Profi
    Reaktionen
    3
    Punkte
    5,713
    Trophäen
    1
    Beiträge
    1,111
    Bilder
    4
    Wohnort
    73728 Esslingen am Neckar, Deutschland
    Vespa Typ
    Cosa 200 FL, P80X
    • April 7, 2012 at 16:29
    • #5

    Hallo Nils,

    wenn deine Hupe tut, ist die Sicherung wohl OK - sonst täte gar nichts. Wenn der Blinker bei Zündung an allerdings nicht tut wird die Batterie bei Motor an auch nicht geladen. Es fehlt dir offensichtlich das weiße Kabel vom Zündschloß zum Blinkgeber.

    Gruß, Klaus

  • nils1553
    Anfänger
    Punkte
    25
    Beiträge
    4
    Wohnort
    Rosbach
    Vespa Typ
    P 80 X, Baujahr 1981
    • April 7, 2012 at 17:08
    • #6

    Mhhhh.... dass die Sicherung ok ist, hatte ich vorab schon gecheckt. Wär ja peinlich.....

    Aber das mit weiß klingt garnicht so unlogisch. Verkabelung an sich ist aber richtig, weiß sitzt. Probiere ichs mal mit nem neuen Blinkerrelais, oder?

    Wenn ich alle drei Kabel vom Relais runterziehe und aneinanderhalte, geht bei eingeschalteter Zündung und Schalter auch kein Blinker, lediglich die Blinkeranzeige geht dann.
    Erklärt aber noch nicht den Scheinwerfer bzw. das Standlicht. Noch jemand mit Ideen?

    Danke,
    Gruß

    "Nicht Sieg sollte der Zweck der Diskussion sein. Sondern Gewinn." Joseph Joubert (franz. Moralist, 1754-1824)

  • kmetti
    Profi
    Reaktionen
    3
    Punkte
    5,713
    Trophäen
    1
    Beiträge
    1,111
    Bilder
    4
    Wohnort
    73728 Esslingen am Neckar, Deutschland
    Vespa Typ
    Cosa 200 FL, P80X
    • April 7, 2012 at 17:29
    • #7

    Hallo Nils,

    Scheinwerfer und Standlicht gehen bei Zündung an nur wenn der Motor an ist, sie werden dann mit Wechselstrom betrieben. Sie bekommen nur Gleichstrom von der Batterie wenn du bei Zündung aus auf Parklicht umschaltest (am Zündschloss). Die Blinker tun natürlich nur wenn du auch einen einschaltest. Wenn du die drei Kabel zusammenhältst und die Blinklichtanzeige tut sollte auch eine Seite der Blinker (dauerhaft) leuchten, die, die du einschaltest - aber warum drei Kabel, es sind doch vier: weiß, grau, grün und rot/weiß. Grün geht zum Blinkerschalter, rot/weiß zur Blinklichtanzeige, grau kommt vom Spannungsregler und weiß geht/kommt vom Zündschloss.

    Gruß, Klaus

  • nils1553
    Anfänger
    Punkte
    25
    Beiträge
    4
    Wohnort
    Rosbach
    Vespa Typ
    P 80 X, Baujahr 1981
    • April 7, 2012 at 17:38
    • #8

    Hallo Klaus!
    Hast recht, sind natürlich vier. Hatte drei geschrieben, weil weiß und grau zusammengeklemmt sind und zusammen auf "X" am Relais sitzen. Blinker sind natürlich beim Test auch jeweilig eingeschaltet - versteht sich von selbst.

    Werde mir mal ne lange Litze basteln und alle möglichen Kabel schlichtweg überbrücken; irgendwann wird sich wohl was tun. Wenn Nachdenken nix mehr bringt, gibt's ja auch noch den Kollegen Try-and-error ... :whistling:

    Achso - mit Standlicht meinte ich das Parklicht (Schlüsselstellung links).

    "Nicht Sieg sollte der Zweck der Diskussion sein. Sondern Gewinn." Joseph Joubert (franz. Moralist, 1754-1824)

    Einmal editiert, zuletzt von nils1553 (April 7, 2012 at 17:48)

  • chup4
    VO-Inventar
    Reaktionen
    1,018
    Punkte
    60,223
    Beiträge
    11,661
    Bilder
    28
    Einträge
    1
    • April 10, 2012 at 12:48
    • #9

    zieh doch bitte erstmal an der cdi hinten das killkabel zum zündschloss ab und bring den motor zum laufen.

    Aufbau eines Rennrollers für die European Scooter Challenge

    ESC seit 2013 K5


    BaB-Race-Meister 2015+2016

    K5 Pechvogel

    http://www.eurochallenge.de

Tags

  • Vespa Elektrik
  • Vespa P80X
  1. Datenschutzerklärung
  2. Impressum
  3. Kontakt
  4. Geschichte der Vespa bei Wikipedia
  5. Nutzungsbedingungen
Made with ♥ in Bavaria
Community-Software: WoltLab Suite™