Hallo zusammen,
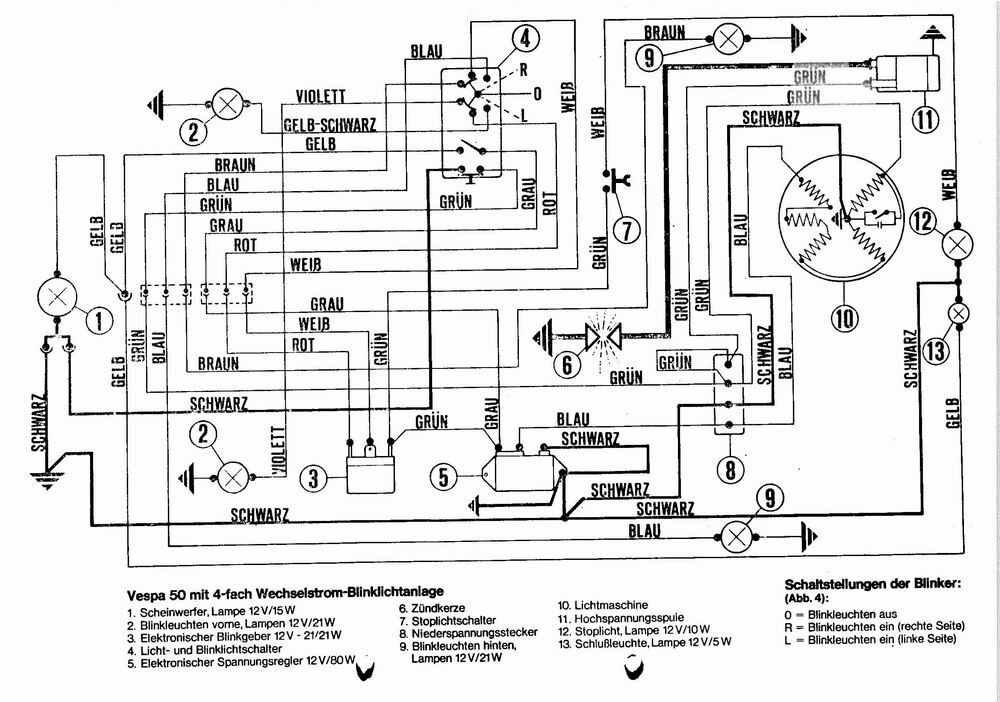
als ich die Elektrik an meiner V50 Special durchgemessen habe, habe ich was ganz eigenartiges entdeckt. Obwohl ne V50 ja eigentlich 6V hat, liegt am Blinkerrelais 12V an. Bin ich total beschugge???
![]()
Hat jemand eine Erklärung hierfür und noch viel besser weiß was dagegen tun kan??
Danke für Eure Hilfe
Tobias
