1. Vespa Forum
    1. Unerledigte Themen
  2. Dashboard
  3. Galerie
    1. Alben
    2. Karte
  4. Lexikon
  • Anmelden oder registrieren
  • Suche
Dieses Thema
  • Alles
  • Dieses Thema
  • Dieses Forum
  • Forum
  • Galerie
  • Lexikon
  • Seiten
  • Erweiterte Suche
  1. VespaOnline Forum: Entdecke die Welt der klassischen Vespa-Roller und teile deine Leidenschaft
  2. Vespa Smallframe / Largeframe / Wideframe Roller
  3. Vespa Elektrik

Elektrik 50 special

  • Christinakohnke
  • April 25, 2013 at 22:17
  • Christinakohnke
    Anfänger
    Punkte
    65
    Beiträge
    12
    Vespa Typ
    50N special
    • April 25, 2013 at 22:17
    • #1

    Hallo zusammen,
    Ich habe meine Vespa nun noch nicht so lange und sie lief auch eigentlich beim Kauf. Trotzdem habe ich mal alles etwas genauer angeschaut, man weiß ja nicht, was da so dran gemacht wurde. Meiner Meinung nach ist nun alles etwas verkorkst.
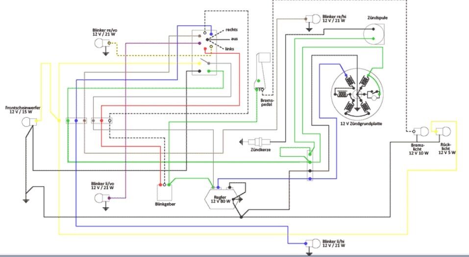
    Sehe ich das richtig, dass ich eine ZGP habe, die wahrscheinlich 12V liefert? Dazu habe ich nur Schaltpläne mit 4-Fach Blinkanlage gefunden. Die Vespa ist aber mit 0 Blinkern ausgestattet. Es ist auch ein falsches Rücklicht verbaut, denke ich, das lässt sich aber wohl beheben. Liege ich nun völlig falsch?


    Edith sagt, dass ich erwähnen sollte, dass ich einen an nichts angeschlossenen spannungsregler gefunden habe, an den Hinterbacken hat die Vespa jeweils ein Loch (für Blinker?), aber vorne nix, glaube ich.

    Bilder

    • image.jpg
      • 284.82 kB
      • 1,600 × 1,200
      • 442
    • image.jpg
      • 219.64 kB
      • 1,600 × 1,200
      • 430
    • image.jpg
      • 163.93 kB
      • 1,600 × 1,200
      • 406

    Einmal editiert, zuletzt von Christinakohnke (April 25, 2013 at 22:24)

  • Basjoe
    Profi
    Reaktionen
    7
    Punkte
    4,342
    Trophäen
    1
    Beiträge
    830
    Bilder
    6
    Wohnort
    Dietzenbach
    Vespa Typ
    so langsam zu viele
    • April 25, 2013 at 22:45
    • #2

    ist ne 12v pk zgp. löcher hinten könnten für blinker sein oder für nen gepäckträger, ansonsten müssten vorne am lenker noch 2 löcher sein. wenn der spannungsregler nicht angeschlossen ist, müssten deine birnen alle putt sein.

    vom rücklicht ist kein bild zu sehen, somit kann man auch nicht sagen obs dran gehört oder nicht.

    edit schreit: ich würde die mutter von der motortraverse austauschen gegen ne anständige 8.8 mutter oder höher.

  • Christinakohnke
    Anfänger
    Punkte
    65
    Beiträge
    12
    Vespa Typ
    50N special
    • April 26, 2013 at 01:18
    • #3

    Also ich bin dann mal davon ausgegangen, dass ich den Schaltplan vom Bild brauche, alle anderen haben die andere zgp. An meinem Rücklicht ist aber nur eine Soffettenfassung. Am Lenker sind keine Löcher für Blinker (wie gesagt) und ja, die Soffetten waren beide kaputt, eine andere Lampe war vorne nicht drin. Schnarre gibts auch nicht. 8|


    Wo was wie welche Mutter? ?(

    Bilder

    • image.jpg
      • 53.14 kB
      • 957 × 526
      • 270
  • rassmo
    Foren-Himbeertoni
    Reaktionen
    2,600
    Punkte
    62,135
    Trophäen
    3
    Beiträge
    11,831
    Einträge
    10
    • April 26, 2013 at 08:50
    • #4

    Wie ist denn deine Motorpräfix und Fahrgestellpräfix? Ich würde mal vermuten das ein Vorbesitzer eine 6V-Special auf 12V umgerüstet hat. Hat dein Lenker abgebrochene Lenkerendblinker, noch Kabel im Lenker oder ist unter der Sitzbank ein Blinkrelais?

    Zitat von Christinakohnke

    Wo was wie welche Mutter?

    Er meint du sollst die Mutter die man auf dem 2. Bild sieht gegen eine Mutter mit Festigkeit 8,8 oder höher austauschen bevor sie den Geist aufgibt.

    Jeder will alt werden, aber keiner will alt sein.

  • Christinakohnke
    Anfänger
    Punkte
    65
    Beiträge
    12
    Vespa Typ
    50N special
    • April 26, 2013 at 09:49
    • #5

    Motor muss ich gleich nachschauen, Fahrgestell ist die v5b3t. Die gab es in Deutschland ja auch mit 4fach Blinker und so. Mein Vorbesitzer hat bei seiner Restauration einen neuen Kabelbaum eingezogen, aber ich halte nicht viel bin seinen Künsten, Benzinschläuche waren überall mit Kabelbindern befestigt, den Gaszug hält am Ende eine angebrochene Lüsterklemme. Unterm Sitz ist der spannungsregler, ein Relais hab ich bis jetzt noch nicht gefunden.

  • rassmo
    Foren-Himbeertoni
    Reaktionen
    2,600
    Punkte
    62,135
    Trophäen
    3
    Beiträge
    11,831
    Einträge
    10
    • April 26, 2013 at 10:16
    • #6

    M.W.n. hatten alle 12 V- Specials links in der Backe ein Fach in dem auch der Spannungsregler saß. Das würde bedeuten kein Fach keine orginalen 12V. Wobei dieser Umbau grundsätzlich nichts schlechtes ist sondern nur bei der Verkabelung berücksichtigt werden muß.

    Jeder will alt werden, aber keiner will alt sein.

  • Christinakohnke
    Anfänger
    Punkte
    65
    Beiträge
    12
    Vespa Typ
    50N special
    • April 26, 2013 at 10:47
    • #7

    Hab kein Fach links ;)
    Also lasse ich grundsätzlich nun erstmal alles so, wie es ist, baue aber den Regler (irgendwo?) dazwischen und nehme 12v Leuchtmittel, um Blinker und Rück- und Bremslicht, Schnarre oder sonstigen Schnickschnack einzubauen, müsste ich wohl einen neuen Kabelbaum basteln/bestellen/einbauen?

  • rassmo
    Foren-Himbeertoni
    Reaktionen
    2,600
    Punkte
    62,135
    Trophäen
    3
    Beiträge
    11,831
    Einträge
    10
    • April 26, 2013 at 10:51
    • #8

    Da überlaß ich das Feld lieber den Elektroprofis.

    Zitat von Christinakohnke

    Also lasse ich grundsätzlich nun erstmal alles so, wie es ist, baue aber den Regler (irgendwo?) dazwischen und nehme 12v Leuchtmittel, um Blinker und Rück- und Bremslicht, Schnarre oder sonstigen Schnickschnack einzubauen, müsste ich wohl einen neuen Kabelbaum basteln/bestellen/einbauen?

    chup4: kann dir da sicher sagen ob, was und mit welchem Aufwand du ändern kannst.

    Jeder will alt werden, aber keiner will alt sein.

  • chup4
    VO-Inventar
    Reaktionen
    1,018
    Punkte
    60,223
    Beiträge
    11,661
    Bilder
    28
    Einträge
    1
    • April 26, 2013 at 12:12
    • #9

    was funktioniert denn überhaupt nicht?

    nur weil keine blinker verbaut sind, heißt das nicht, dass nie welche dran waren. hat dein roller auf der linken fahrzeugseite eine klappe? wenn ja, waren auf jeden fall mal blinker dran. in dieser klappe ist in der regel auch der apnnungsregler verbaut. ebenso das blinkrelais.

    mach doch bitte nochmal ein foto von deinem polrad

    Aufbau eines Rennrollers für die European Scooter Challenge

    ESC seit 2013 K5


    BaB-Race-Meister 2015+2016

    K5 Pechvogel

    http://www.eurochallenge.de

  • Christinakohnke
    Anfänger
    Punkte
    65
    Beiträge
    12
    Vespa Typ
    50N special
    • April 26, 2013 at 13:50
    • #10

    Keeeeene Klappe! Licht ging halt nicht, alles durchgebrannt. Weil, wie gesagt, der spannungsregler nirgends angeschlossen ist, der befindet sich unter dem Sitz, statt Werkzeug ;)
    Wenn ich aber nun schonmal an der Verkabelung dran bin, wollte ich nur wissen, wie viel mehr Aufwand es wäre, Blinker dran zu bauen.

  • chup4
    VO-Inventar
    Reaktionen
    1,018
    Punkte
    60,223
    Beiträge
    11,661
    Bilder
    28
    Einträge
    1
    • April 26, 2013 at 13:53
    • #11

    viel. auch mechanisch. lasse es einfach, braucht kein mensch

    tausch erstmal die birne vorne gegen 6 volt 25 wtat, hinten 6 volt 5 watt, dann sollte auch nichts mehr durchbrennen. auch ohne den regler nicht.

    Aufbau eines Rennrollers für die European Scooter Challenge

    ESC seit 2013 K5


    BaB-Race-Meister 2015+2016

    K5 Pechvogel

    http://www.eurochallenge.de

  • Christinakohnke
    Anfänger
    Punkte
    65
    Beiträge
    12
    Vespa Typ
    50N special
    • April 27, 2013 at 08:57
    • #12

    Wieso mechanisch??
    Laut Schaltplan jeweils ein Leuchtmittel vorn und hinten, sind das nur die Soffitten? Hab vorne noch ne Halterung für ne Birne, oder? Da war halt vorher nix.

  • rassmo
    Foren-Himbeertoni
    Reaktionen
    2,600
    Punkte
    62,135
    Trophäen
    3
    Beiträge
    11,831
    Einträge
    10
    • April 27, 2013 at 09:09
    • #13
    Zitat von Christinakohnke

    Laut Schaltplan jeweils ein Leuchtmittel vorn und hinten, sind das nur die Soffitten?

    Wenn keine Blinker dran sind brauchst du noch Halterungen für die Soffitten, sogenannte Blinker. Die müssen beschafft, angeschraubt und verkabelt werden. Dann noch Blinkrelais und Schalter.

    Jeder will alt werden, aber keiner will alt sein.

  • Christinakohnke
    Anfänger
    Punkte
    65
    Beiträge
    12
    Vespa Typ
    50N special
    • April 27, 2013 at 10:42
    • #14

    Sorry, ich meine jetzt die Scheinwerfer. ;)

  • chup4
    VO-Inventar
    Reaktionen
    1,018
    Punkte
    60,223
    Beiträge
    11,661
    Bilder
    28
    Einträge
    1
    • April 27, 2013 at 10:43
    • #15

    vorne birne und soffitte das kannst du wechselschalten. ich würde drüber nachdenken, einen biluxscheinwerfer einzubauen... es gibt keine 25 watt soffitten

    oder auf die normale 6 volt zündung gehen. oooooooder auf 12 volt. ooooooder oder. so gehts jedenfalls SCHLECHT.

    Aufbau eines Rennrollers für die European Scooter Challenge

    ESC seit 2013 K5


    BaB-Race-Meister 2015+2016

    K5 Pechvogel

    http://www.eurochallenge.de

  • Christinakohnke
    Anfänger
    Punkte
    65
    Beiträge
    12
    Vespa Typ
    50N special
    • April 27, 2013 at 18:45
    • #16

    Hä? Du hast doch gesagt nix machen?

  • chup4
    VO-Inventar
    Reaktionen
    1,018
    Punkte
    60,223
    Beiträge
    11,661
    Bilder
    28
    Einträge
    1
    • April 27, 2013 at 20:39
    • #17

    ja halt birnen reinmachen die nicht durchbrennen

    Aufbau eines Rennrollers für die European Scooter Challenge

    ESC seit 2013 K5


    BaB-Race-Meister 2015+2016

    K5 Pechvogel

    http://www.eurochallenge.de

  • rassmo
    Foren-Himbeertoni
    Reaktionen
    2,600
    Punkte
    62,135
    Trophäen
    3
    Beiträge
    11,831
    Einträge
    10
    • April 27, 2013 at 20:44
    • #18

    chup4: Ist das jetzt eigentlich eine 6V oder 12V ZGP? Und woran erkennt man das?

    Jeder will alt werden, aber keiner will alt sein.

  • chup4
    VO-Inventar
    Reaktionen
    1,018
    Punkte
    60,223
    Beiträge
    11,661
    Bilder
    28
    Einträge
    1
    • April 27, 2013 at 21:00
    • #19

    .

    Aufbau eines Rennrollers für die European Scooter Challenge

    ESC seit 2013 K5


    BaB-Race-Meister 2015+2016

    K5 Pechvogel

    http://www.eurochallenge.de

  • Christinakohnke
    Anfänger
    Punkte
    65
    Beiträge
    12
    Vespa Typ
    50N special
    • April 28, 2013 at 00:16
    • #20

    Ich dachte ich hätte ne 12v zgp da drin?!
    Also ich bin zwar blond und ne Frau, aber jetzt verkauft mich nicht so

Ähnliche Themen

  • Anschluss Rücklicht 50 special

    • Linus84
    • June 15, 2017 at 20:59
    • Vespa Elektrik
  • Vespa 50 special kaufen - vorauf achten

    • mike76
    • April 3, 2017 at 09:47
    • Smallframe: Technik und Allgemeines

Tags

  • Vespa Elektrik
  1. Datenschutzerklärung
  2. Impressum
  3. Kontakt
  4. Geschichte der Vespa bei Wikipedia
  5. Nutzungsbedingungen
Made with ♥ in Bavaria
Community-Software: WoltLab Suite™