1. Vespa Forum
    1. Unerledigte Themen
  2. Dashboard
  3. Galerie
    1. Alben
    2. Karte
  4. Lexikon
  • Anmelden oder registrieren
  • Suche
Dieses Thema
  • Alles
  • Dieses Thema
  • Dieses Forum
  • Forum
  • Galerie
  • Lexikon
  • Seiten
  • Erweiterte Suche
  1. VespaOnline Forum: Entdecke die Welt der klassischen Vespa-Roller und teile deine Leidenschaft
  2. Vespa Smallframe Roller
  3. SF: Motor | Vergaser | Auspuffanlagen | Tuning

Hupe bei Elestart 50

  • Schmanski
  • August 18, 2014 at 17:47
  • Schmanski
    Anfänger
    Punkte
    160
    Beiträge
    26
    Wohnort
    Donautal
    Vespa Typ
    Vespa 50 Elestart
    • August 18, 2014 at 17:47
    • #1

    Hallo zusammen. Kann mir jemand sagen, ob bei einer Elestart V50 eine Hupe Standard ist ? Falls ja, wie kann ich diese einbauen und welche Teile brauche ich?
    Vielen Dank für Eure Unterstützung
    :-7

  • fgib
    Erleuchteter
    Reaktionen
    222
    Punkte
    15,187
    Trophäen
    2
    Beiträge
    2,890
    Bilder
    14
    Einträge
    2
    Wohnort
    Burgwedel, Deutschland
    Vespa Typ
    PK 50 XL1, PX80 Lusso
    Vespa Club
    Die Milden Jungs
    • August 18, 2014 at 18:19
    • #2

    Weiss ich nicht genau, aber ich würds davon abhängig machen ob die nen Hupknopf hat oder Kabel liegen.

  • kasonova
    Foren-Inventar
    Reaktionen
    43
    Punkte
    31,593
    Trophäen
    2
    Beiträge
    6,227
    Bilder
    10
    Einträge
    3
    Wohnort
    Solingen
    Vespa Typ
    Vespa ET2, V50 Spezial, PK 50 XL2
    • August 18, 2014 at 18:39
    • #3

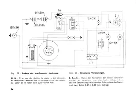
    Mal zwei Seiten aus der Bedienungsanleitung, sie hat eine Hupe (Gleichstrom).

    Bilder

    • Be1.JPG
      • 114.06 kB
      • 1,051 × 743
      • 266
    • be2.JPG
      • 69.9 kB
      • 1,050 × 744
      • 276
  • Schmanski
    Anfänger
    Punkte
    160
    Beiträge
    26
    Wohnort
    Donautal
    Vespa Typ
    Vespa 50 Elestart
    • August 18, 2014 at 19:20
    • #4

    Also ich hab keinen Hupenknopf gefunden. Lichtschalter mit Blinker re.+li. ist vorhanden.

  • rassmo
    Foren-Himbeertoni
    Reaktionen
    2,593
    Punkte
    62,128
    Trophäen
    3
    Beiträge
    11,831
    Einträge
    10
    • August 18, 2014 at 21:40
    • #5

    V5A3Toder V5A4T.
    Grob gesagt: Wenn Bremslicht dann keine Hupe, kein Bremlicht hat Hupe.

    Jeder will alt werden, aber keiner will alt sein.

Ähnliche Themen

  • ital. PK 50 Xl Kabelbaum zu elestart erweiterbar?

    • DerLucky
    • July 2, 2017 at 15:41
    • Vespa Elektrik

Tags

  • Vespa Elestart
  1. Datenschutzerklärung
  2. Impressum
  3. Kontakt
  4. Geschichte der Vespa bei Wikipedia
  5. Nutzungsbedingungen
Made with ♥ in Bavaria
Community-Software: WoltLab Suite™