so .. das ging aber schnell... schon die erste Antwort ..passt... kann ich morgen gleich weiter schrauben.. danke..
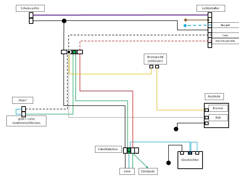
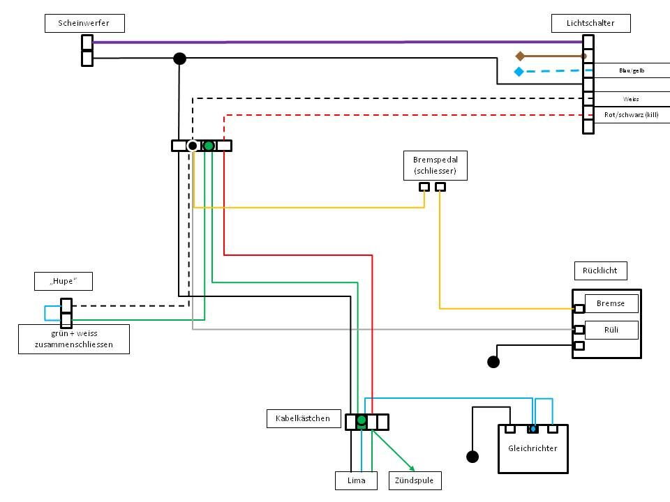
ich weiß... Verkabelung wurde schon xxxxx mal durchgekaut aber ich komme nicht weiter..
folgendes Problem...
Vespa V 50 Spezial.... Kabelbaum neu von Scooter Center... haben leider andere kabelfarben wie in den Darstellung welche im netz abgebildet sind.
auf dem Foto kommt der kabelbaum oben mit den Farben Rot, Schwarz, 2 x Grün und Grau Weiß zusammen.. ???? heraus...
sowie grün und weiß extra.... für den Scheinwerfer vorne....aber welches wohin :-))))
wie muss ich diese an dem im Bild originalen Schalter anschließen ? "12 Volt.. keine Blinker , keine Hupe, Bremslicht....
Und..... fehlt da nicht noch ein Massekabel von unten ??
Unten kommen drei Kabel mit den Farben Rot, Schwarz, Grün, raus. sowie eines für´s Rücklicht denke ich..
kann leider den Lenker nicht zusammenschrauben , bevor ich die Kabel Belegung am Schalter nicht rausgefunden habe..
Scooter Center hat trotz bitte um Hilfe nicht geantwortet :.-(
danke einstweilen
gruß marco
