1. Vespa Forum
    1. Unerledigte Themen
  2. Dashboard
  3. Galerie
    1. Alben
    2. Karte
  4. Lexikon
  • Anmelden
  • Registrieren
  • Suche
Dieses Thema
  • Alles
  • Dieses Thema
  • Dieses Forum
  • Forum
  • Galerie
  • Lexikon
  • Seiten
  • Erweiterte Suche
  1. VespaOnline Forum: Entdecke die Welt der klassischen Vespa-Roller und teile deine Leidenschaft
  2. Vespa Smallframe / Largeframe / Wideframe Roller
  3. Vespa Elektrik

PK 50 XL Bj86 Elektrik Wackelkontakt?

  • Koengener
  • May 9, 2017 at 19:35
  • Koengener
    Anfänger
    Punkte
    175
    Beiträge
    29
    Vespa Typ
    PK50 XL Bj. 86
    • May 9, 2017 at 19:35
    • #1

    Moin zusammen

    leider habe ich aktuell bei meiner PK50 XL Bj.86 folgendes Problem. Beim Starten der Vespa funktioniert die Beleuchtung wie Front, Ruck sowie Bremslicht einmal gut und das andere mal habe ich keinerlei dieser Funktionen. Die Hupe ist vermutlich kaputt da diese nie funktioniert... Blinker Leuchten auf der Tachoanzeige jedoch nicht an der Blinker Birne gehe also davon aus das hier die Birnen kaputt sind. Weis jemand eine Lösung zu meinem Problem, dass ich manchmal Strom habe und beim nächsten Starten wieder nicht mehr?

    Vielen Dank

    Gruß

    Lukas

  • Badrichi
    Schüler
    Reaktionen
    2
    Punkte
    487
    Trophäen
    1
    Beiträge
    94
    Vespa Typ
    Pk50xl2 bj91
    • May 9, 2017 at 19:52
    • #2

    Kann viel Ursachen haben von Wackelkontakt über spannungsregler defekt über über über


    Gesendet von iPhone mit Tapatalk

  • Badrichi
    Schüler
    Reaktionen
    2
    Punkte
    487
    Trophäen
    1
    Beiträge
    94
    Vespa Typ
    Pk50xl2 bj91
    • May 9, 2017 at 19:53
    • #3

    Wenn du noch wen im Bekanntenkreis hast mit ner ok tausch mal spannungsregler aus zum testen


    Gesendet von iPhone mit Tapatalk

  • andreadingeldey
    Anfänger
    Punkte
    5
    Beiträge
    1
    Vespa Typ
    PK50xl
    Vespa Club
    keiner
    • May 10, 2017 at 21:21
    • #4

    Alle Kontakte mal geprüft? Meine waren alle korrodiert. Ging mal und dann wieder nicht... hab sie gereinigt und nun geht's wie geschmiert. :)

    Gesendet von meinem GT-N8000 mit Tapatalk

  • Koengener
    Anfänger
    Punkte
    175
    Beiträge
    29
    Vespa Typ
    PK50 XL Bj. 86
    • May 11, 2017 at 19:49
    • #5

    Kleines Update... Habe nun alle Blinkerbirnen ersetzt.... Vorher habe ich die Spannung gemessen jedoch kommen nur knapp 1.4V an. Normalerweise sollten an den Birnen der Blinker 10V anliegen. Komisch finde ich das auf dem Tacho die Blinkeranzeige Leuchtet jedoch keine Blinkfunktion vorhanden ist. Denke somit kann ich den Blinkerschalter am Lenker schon einmal ausschließen. Werde die Tage nochmal den Spannungsregler checken und messen ob er genügend ausgibt wobei das Front,Rück sowie Bremslicht ja deutlich leuchtet. Will vermeiden einen komplett neuen Baum einzuziehen...

    Gruß

    Lukas

  • hedgebang
    Rächer der Enterbten
    Reaktionen
    1,341
    Punkte
    33,126
    Trophäen
    3
    Beiträge
    6,213
    Bilder
    33
    Wohnort
    Ostfriesland
    Vespa Typ
    PK 130 S Elestart Bj.85, Rally 210 Bj.1977
    Vespa Club
    VO-Gruppenduschen e.V. 1. Auspeitscher
    • May 12, 2017 at 10:19
    • #6
    Zitat von Koengener

    Werde die Tage nochmal den Spannungsregler checken

    :thumbup:

    Über Spritverbrauch spricht man nicht. Man hat ihn.

  • Badrichi
    Schüler
    Reaktionen
    2
    Punkte
    487
    Trophäen
    1
    Beiträge
    94
    Vespa Typ
    Pk50xl2 bj91
    • May 12, 2017 at 10:24
    • #7

    Tausch vorsichtshalber auch mal das blinkrelais


    Gesendet von iPhone mit Tapatalk

  • seb.d.
    Dauergast
    Reaktionen
    1,685
    Punkte
    13,125
    Trophäen
    2
    Beiträge
    2,250
    Bilder
    2
    Einträge
    2
    Wohnort
    Bensheim, Deutschland
    Vespa Typ
    Ciao, PK 125 XL2, V145, PK125s(wartet auf fertigstellung), PK 50 XL2
    • May 12, 2017 at 12:02
    • #8

    nur weil das ablend und brmslicht ordentlich leuchtet heist das nicht automarich das da auch 12V ankommen.
    wenn der regler defekt ist kommt da deutlich mehr an und die brenne die leuchtmittel dauernd durch.
    also dort auch mal messen und wenn die werte stark abweichen kannste den regler tauschen.

    Mein V50 Winterprojekt

    Mein PK Projekt
    !!!wer rechtschreibfehler findet darf sie behalten!!!

  • Koengener
    Anfänger
    Punkte
    175
    Beiträge
    29
    Vespa Typ
    PK50 XL Bj. 86
    • May 13, 2017 at 15:15
    • #9

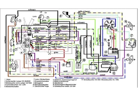
    So habe nun am Spannungsregler gemessen hier kommen jedoch auch nur 1.5 V raus. Anschließend habe ich die beiden Eingänge des Reglers mit einer Büroklammer verbunden wodurch jedoch erneut nur das Front/Rück sowie Bremslicht funktionierte. Anschließend bin ich dann also auf die Motorseite und habe geprüft wie viel Strom aus dem Motor kommt. Hierbei stellte ich fest, dass im Leerlauf nur ca 1.5V herauskommen welche aber je nach Drehzahl bis auf knapp 6V steigen. Nun nehme ich jedoch an das dies deutlich zu wenig ist um das Blinkerrelais sowie die Hupe mit Strom zu versorgen.... Nun ist die Frage warum aus dem Motor zu wenig Strom kommt kann dies mit den Spulen der Lichmaschine zusammenhängt? Nun weis ich leider nicht mehr weiter brauche dringend eure Hilfe :P

    PS: Die Ursache für den Wackelkontakt in der kompletten Elektronik habe ich nun vermutlich gefunden. Die Leitung welche aus dem Motor zum Spannungsregler führt befand sich zu nah am Auspuff somit schmolz die Isolierung sowie die Ummantelung der Kabel wodurch vermutlich ein Kurzschluss verursacht wurd

    Komisch finde ich jedoch immernoch das Front/Rück/Bremslicht mit 1.5V Funktionieren jedoch mit 10V angegeben sind.

    Gruß

    Lukas

  • Elmar S.
    Anfänger
    Reaktionen
    7
    Punkte
    272
    Beiträge
    47
    Vespa Typ
    pk 50 s
    • May 13, 2017 at 17:44
    • #10

    Welches Messgerät nimmst zum Messen des Wechselstroms her?

    Wissen ist Macht. Nichts wissen macht den Geldbeutel leer!

  • Koengener
    Anfänger
    Punkte
    175
    Beiträge
    29
    Vespa Typ
    PK50 XL Bj. 86
    • May 13, 2017 at 18:00
    • #11

    Knopex Multimeter

  • Badrichi
    Schüler
    Reaktionen
    2
    Punkte
    487
    Trophäen
    1
    Beiträge
    94
    Vespa Typ
    Pk50xl2 bj91
    • May 13, 2017 at 18:22
    • #12

    Hallo immernoch spannungsregler was hast du am Stecker der von der Lima kommt an Spannung


    Gesendet von iPhone mit Tapatalk

  • Badrichi
    Schüler
    Reaktionen
    2
    Punkte
    487
    Trophäen
    1
    Beiträge
    94
    Vespa Typ
    Pk50xl2 bj91
    • May 13, 2017 at 18:23
    • #13

    Direkt am Stecker gemessen


    Gesendet von iPhone mit Tapatalk

  • Badrichi
    Schüler
    Reaktionen
    2
    Punkte
    487
    Trophäen
    1
    Beiträge
    94
    Vespa Typ
    Pk50xl2 bj91
    • May 13, 2017 at 18:24
    • #14

    https://www.ebay.de/itm/261195820614


    Gesendet von iPhone mit Tapatalk

  • Badrichi
    Schüler
    Reaktionen
    2
    Punkte
    487
    Trophäen
    1
    Beiträge
    94
    Vespa Typ
    Pk50xl2 bj91
    • May 13, 2017 at 18:27
    • #15

    Am Stecker der aus dem Motor kommt das blaue Kabel gegen Masse messen wenn da mehr als deine 1,5 v ankommen neuen Regler


    Gesendet von iPhone mit Tapatalk

  • Badrichi
    Schüler
    Reaktionen
    2
    Punkte
    487
    Trophäen
    1
    Beiträge
    94
    Vespa Typ
    Pk50xl2 bj91
    • May 13, 2017 at 18:30
    • #16


    Gesendet von iPhone mit Tapatalk

  • Badrichi
    Schüler
    Reaktionen
    2
    Punkte
    487
    Trophäen
    1
    Beiträge
    94
    Vespa Typ
    Pk50xl2 bj91
    • May 13, 2017 at 18:33
    • #17

    Bitte messen wenn der Rest der Elektrik nicht angeschlossen ist Motor sollte ja trotzdem laufen


    Gesendet von iPhone mit Tapatalk

  • Elmar S.
    Anfänger
    Reaktionen
    7
    Punkte
    272
    Beiträge
    47
    Vespa Typ
    pk 50 s
    • May 13, 2017 at 19:24
    • #18

    Bis Du sicher, dass das Knopex Wechselstrom im Bereich bis 20 Volt richtig messen kann. Ich kenn nur diese 10 Eur Teile von Knopex und die können Niedrigvolt nur in Gleichstrom messen.


    Gesendet von iPhone mit Tapatalk

    Wissen ist Macht. Nichts wissen macht den Geldbeutel leer!

  • Koengener
    Anfänger
    Punkte
    175
    Beiträge
    29
    Vespa Typ
    PK50 XL Bj. 86
    • May 14, 2017 at 11:30
    • #19

    Ja bin zwar keine gelernter Elektriker aber denke soweit bekomme ich das noch auf die Reihe :P

  • Elmar S.
    Anfänger
    Reaktionen
    7
    Punkte
    272
    Beiträge
    47
    Vespa Typ
    pk 50 s
    • May 14, 2017 at 12:46
    • #20

    Ich Zweifel ja auch nicht Dein Können sondern die Messwerte an!

    Und Wechselstrom hat so seine Eigenheiten und das von Dir genannte Multimeter ist m. W. zur Messung von Wechselstrom nicht geeignet.
    12 Volt Birnen, welche mit 1,5 Volt zum Leuchten zu bewegen sind, waren mir bisher auch unbekannt.

    Ich bin da auch alles andere als Fachmann, dazu haben wir Chup4 im Forum!

    Wissen ist Macht. Nichts wissen macht den Geldbeutel leer!

  1. Datenschutzerklärung
  2. Impressum
  3. Kontakt
  4. Geschichte der Vespa bei Wikipedia
  5. Nutzungsbedingungen
Made with ♥ in Bavaria
Community-Software: WoltLab Suite™