SIP Scootershop | Vespa Tuning & Scooter Parts

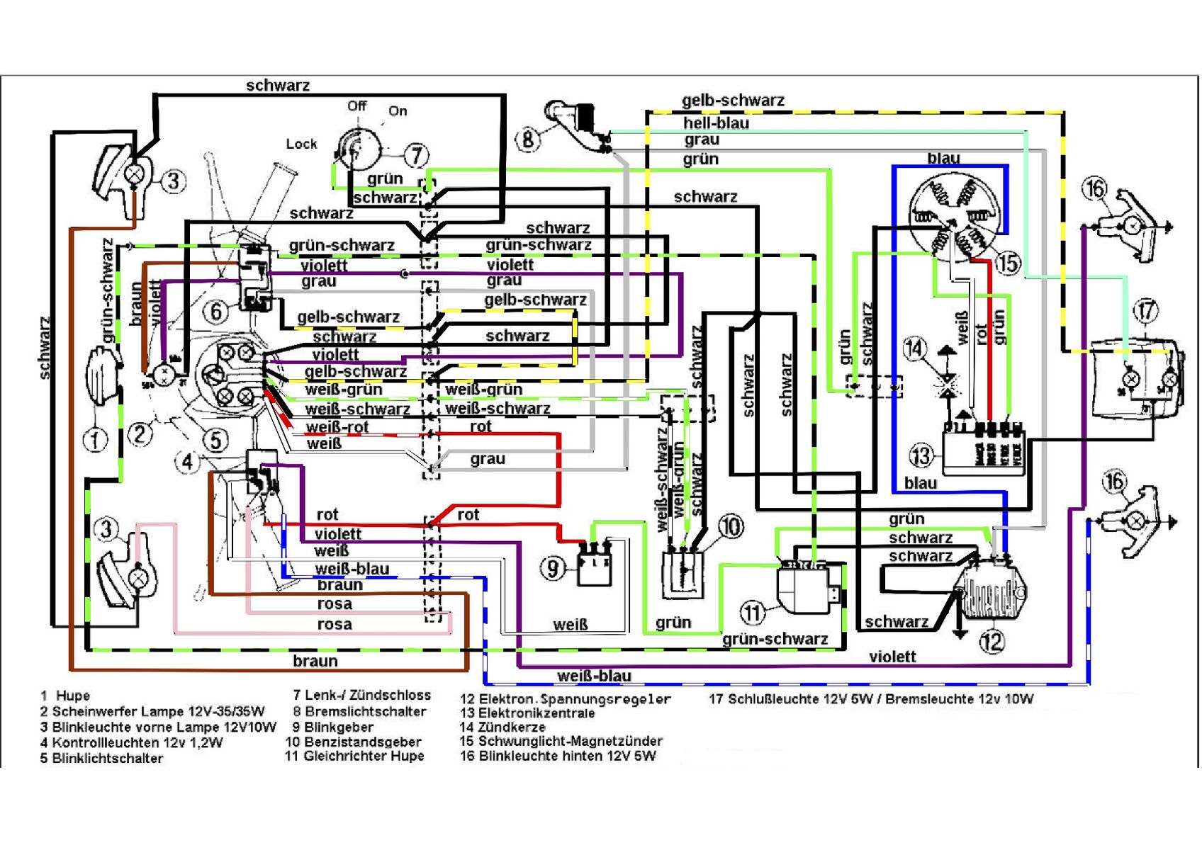
PK 50 XL Bj86 Elektrik Wackelkontakt?

  • Moin zusammen

    leider habe ich aktuell bei meiner PK50 XL Bj.86 folgendes Problem. Beim Starten der Vespa funktioniert die Beleuchtung wie Front, Ruck sowie Bremslicht einmal gut und das andere mal habe ich keinerlei dieser Funktionen. Die Hupe ist vermutlich kaputt da diese nie funktioniert... Blinker Leuchten auf der Tachoanzeige jedoch nicht an der Blinker Birne gehe also davon aus das hier die Birnen kaputt sind. Weis jemand eine Lösung zu meinem Problem, dass ich manchmal Strom habe und beim nächsten Starten wieder nicht mehr?

    Vielen Dank

    Gruß

    Lukas

  • Alle Kontakte mal geprüft? Meine waren alle korrodiert. Ging mal und dann wieder nicht... hab sie gereinigt und nun geht's wie geschmiert. :)

    Gesendet von meinem GT-N8000 mit Tapatalk

  • Kleines Update... Habe nun alle Blinkerbirnen ersetzt.... Vorher habe ich die Spannung gemessen jedoch kommen nur knapp 1.4V an. Normalerweise sollten an den Birnen der Blinker 10V anliegen. Komisch finde ich das auf dem Tacho die Blinkeranzeige Leuchtet jedoch keine Blinkfunktion vorhanden ist. Denke somit kann ich den Blinkerschalter am Lenker schon einmal ausschließen. Werde die Tage nochmal den Spannungsregler checken und messen ob er genügend ausgibt wobei das Front,Rück sowie Bremslicht ja deutlich leuchtet. Will vermeiden einen komplett neuen Baum einzuziehen...

    Gruß

    Lukas

  • nur weil das ablend und brmslicht ordentlich leuchtet heist das nicht automarich das da auch 12V ankommen.
    wenn der regler defekt ist kommt da deutlich mehr an und die brenne die leuchtmittel dauernd durch.
    also dort auch mal messen und wenn die werte stark abweichen kannste den regler tauschen.

  • So habe nun am Spannungsregler gemessen hier kommen jedoch auch nur 1.5 V raus. Anschließend habe ich die beiden Eingänge des Reglers mit einer Büroklammer verbunden wodurch jedoch erneut nur das Front/Rück sowie Bremslicht funktionierte. Anschließend bin ich dann also auf die Motorseite und habe geprüft wie viel Strom aus dem Motor kommt. Hierbei stellte ich fest, dass im Leerlauf nur ca 1.5V herauskommen welche aber je nach Drehzahl bis auf knapp 6V steigen. Nun nehme ich jedoch an das dies deutlich zu wenig ist um das Blinkerrelais sowie die Hupe mit Strom zu versorgen.... Nun ist die Frage warum aus dem Motor zu wenig Strom kommt kann dies mit den Spulen der Lichmaschine zusammenhängt? Nun weis ich leider nicht mehr weiter brauche dringend eure Hilfe :P

    PS: Die Ursache für den Wackelkontakt in der kompletten Elektronik habe ich nun vermutlich gefunden. Die Leitung welche aus dem Motor zum Spannungsregler führt befand sich zu nah am Auspuff somit schmolz die Isolierung sowie die Ummantelung der Kabel wodurch vermutlich ein Kurzschluss verursacht wurd

    Komisch finde ich jedoch immernoch das Front/Rück/Bremslicht mit 1.5V Funktionieren jedoch mit 10V angegeben sind.

    Gruß

    Lukas

  • Bis Du sicher, dass das Knopex Wechselstrom im Bereich bis 20 Volt richtig messen kann. Ich kenn nur diese 10 Eur Teile von Knopex und die können Niedrigvolt nur in Gleichstrom messen.


    Gesendet von iPhone mit Tapatalk

    Wissen ist Macht. Nichts wissen macht den Geldbeutel leer!

  • Ich Zweifel ja auch nicht Dein Können sondern die Messwerte an!

    Und Wechselstrom hat so seine Eigenheiten und das von Dir genannte Multimeter ist m. W. zur Messung von Wechselstrom nicht geeignet.
    12 Volt Birnen, welche mit 1,5 Volt zum Leuchten zu bewegen sind, waren mir bisher auch unbekannt.

    Ich bin da auch alles andere als Fachmann, dazu haben wir Chup4 im Forum!

    Wissen ist Macht. Nichts wissen macht den Geldbeutel leer!