Hallo,
das Video ist jetzt online.
	chup4 
ich habe aber nur ein grünes Kabel.
Gruß
Christian
 
															
		Hallo,
das Video ist jetzt online.
	chup4 
ich habe aber nur ein grünes Kabel.
Gruß
Christian
der chup meint das Kabel, welches vom Stecker nach vorne weggeht !
Hallo,
aber das verschwindet doch mit den Bowdenzügen im Rahmen das kann ich doch gar nicht nach verfolgen, oder etwa nicht?
Danke für eure Hilfe   
 
Christian
Das Zauberwort heißt Multimeter, damit kann man ganz viele tolle Sachen messen, vor allem, wenn man weiß wo das Kabel vorne wieder rauskommt  
Der Detektiv in dir darf dann das Kabel noch weiter bis zum Schalter verfolgen.  
Hallo,
ich habe ja so ein Mulimeter ich habe ja an dem Stecker gemessen da war ja Strom drauf.
Ich verstehe nicht genau wie du das meinst, aber du wirst mich bestimmt aufklären 
Danke  
 
Christian
Also, dass da Strom drauf ist, halte ich für relativ unwahrscheinlich, du hast doch keine Batterie, oder?
Du hast wahrscheinlich einfach die falsche Voreinstellung am Multimeter gewählt.
Wenn du das Kabel vorne findest, steckst du es ab, und misst einmal über Masse, d.h. du gehst mit einem Fühler auf eine sichere Masse mit dem anderen in das Kabel. Wenn du nen Masseschluss hast, ist das Kabel irgendwo gebrochen oder abisoliert.
Dann verfolgst du noch das Kabel aus dem Multistecker zum Schaltmechanismus, ob da irgendwas korrodiert oder gebrochen ist. Irgendwo da wird der Fehler liegen. Wenn er da nicht liegt, kanns nur noch der Schalter sein (Schwarz, rund, 2 Kabel)
Hallo,
danke jetzt habe ich es verstanden. Aber wäre es nicht einfacher auf das kabel stro anzulegen und dann zu überprüfen? Weil wie messe ich denn Masse? Ja ich habe das Modell ohne Batterie.
Gruß
Christian
Weil wie messe ich denn Masse?
du gehst mit einem Fühler auf eine sichere Masse mit dem anderen in das Kabel

Das Multimeter stellst du auf Durchgang prüfen.
hier noch ne kleine Hilfestellung:
durchgangsprüfer oder einfach eine widerstandsmessung auf 200 ohm.
wenn das ding irgendwas nahe null anzeigt, geht strom durch, wenn das ding iwas von unendlich oder totalen kack anzeigt, dann geht kein strom durch.
habs mal makiert...
Hallo,
danke das hat mir sehr geholfen.   
 
Ich probiere es sofot aus.
Danke   
 
Christian
ich helfe wo ich kann, wenn ich kann... 
manchmal möchte ich die ganze zeit nur weinen.
[Blockierte Grafik: http://www.planet-smilies.de/traurige/traurige_009.gif]
Hallo,
werden die Kabel am Zünschloss mit Strom oder Masse gesteuert?
Wenn man das grüne Kabel von der Zünspule mit Masse überbrückt geht der Roller aus. Gut? Schlecht?
Danke  
 
Christian
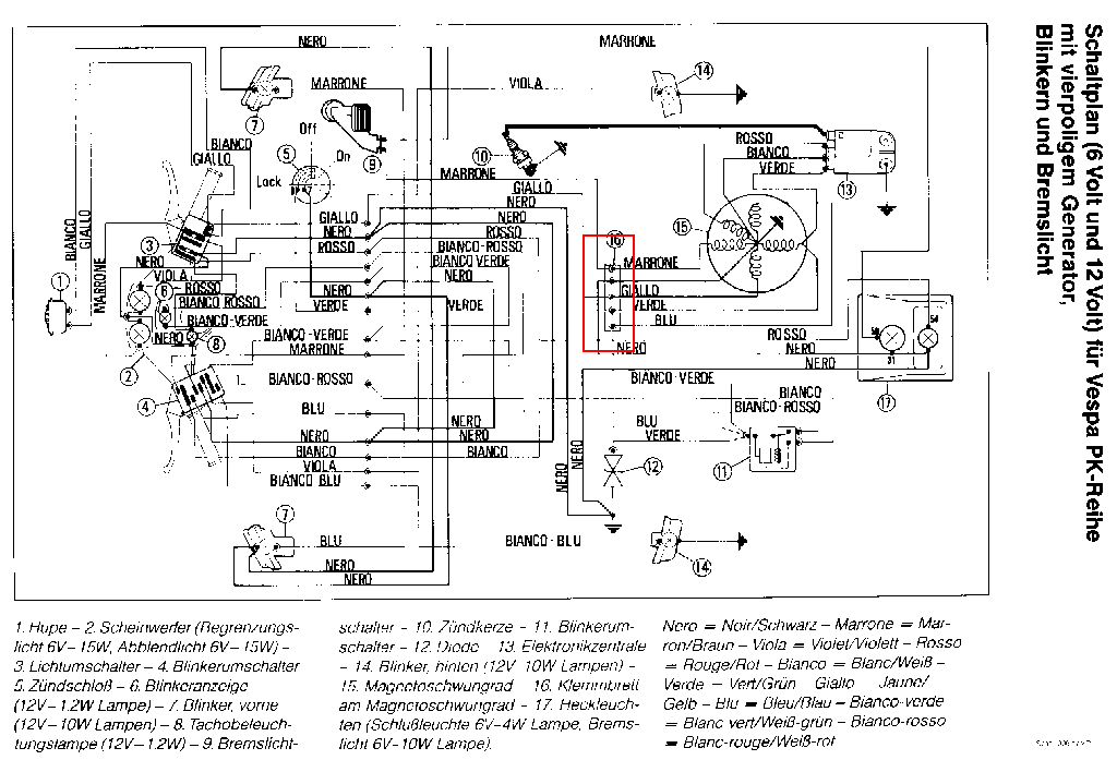
Hallo,
noch ein Frage in dem Schaltplan sieht man so ein Klemmbrett wo ist das?
Ich hbae das an meinem Roller noch nie geshen, ist das vielleicht der Hupengleichrichter?
Auf dem Bild rot makiert.
    
    
        
Wenn ich das richtig Vertsehe gibt es zwei Stromkreise die am Zünschloss ankommen die dan wenn di eZündung nicht an ist aufeinander treffen.
Weil wir haben auf beiden kabeln am Zünschloss Spannung anliegen die je nach Drehzahl varriert.
Danke
Christian
Hallo,
keiner eine Antwort?
Ab Sontag soll die Vespa einwandfrei laufen wegen 1. März Versicherungsbeginn. 
Danke   
 
Christian
grün auf masse=vespa geht aus: so soll es sein. wurde hier aber erstens auch schon geschrieben und zweitens gibts noch die suche.
jetzt nimmst du dein messgerät und stellst das auf "widerstand messen ohm" am besten im bereich so ca 200 oder 100 oder scheissegal, nur kein kiloohm bereich. 
(was lernt ihr kinder eigenltich in physik!!?) 
und dann tust du deine beiden messdinger an den stecker des schalters und schaltest mal den schalter mittels schlüssel durch. wenn die vespa an ist, dann sollte das gerät unendlichen widerstand anzeigen und wenn die vespa auf aus ist, einen widerstand nahe null. (=zündung auf masse = aus)
soweit klar?
"Klemmbrett" is wahrscheinlich einfach der Stecker, bei den älteren Vespas wird das auch Kabelkästchen genannt.
Die Pk 50 S gabs meines Wissens nur mit Schnarre (Wechselstrom) nicht wie die Hupe (Gleichstrom). Hast du einen Gelichrichter bei dir drin?
ganz nebenbei könntest du auch mal selber dein kleines Köpfchen bischen anstrengen  
Wo bleibt denn dein Erforschergeist ?  
(was lernt ihr kinder eigenltich in physik!!?)
Man kann von den einen nicht auf alle schließen!
Die PK50S sollte eigentlich eine Hupe habe.
 
		