1. Vespa Forum
    1. Unerledigte Themen
  2. Dashboard
  3. Galerie
    1. Alben
    2. Karte
  4. Lexikon
  • Anmelden
  • Registrieren
  • Suche
Dieses Thema
  • Alles
  • Dieses Thema
  • Dieses Forum
  • Forum
  • Galerie
  • Lexikon
  • Seiten
  • Erweiterte Suche
  1. VespaOnline Forum: Entdecke die Welt der klassischen Vespa-Roller und teile deine Leidenschaft
  2. Vespa Largeframe Roller
  3. Largeframe: Technik und Allgemeines

Motorüberholung Vespa P80X

  • Neo_3001
  • May 30, 2009 at 15:02
  • Neo_3001
    Schüler
    Punkte
    415
    Beiträge
    66
    Bilder
    1
    Wohnort
    Hamburg
    Vespa Typ
    P80X
    • May 30, 2009 at 15:02
    • #1

    Moin Leute,
    bin grad dabei meinen Motor zu überholen. Will grad das Schaltkreutz einbauen, aber da fällt mir ein,ich weiß nicht mehr wie rum??? Also ich habe ein gekröpftes. So zur einen seite etwas gebogen. Also zur welcher Seite muss das gebogene Zeigen? zu der, wo ich das Schaltsegment einschraube?


    Gruß

    P80X (135DR) Baujahr 1981

    Einmal editiert, zuletzt von Neo_3001 (June 3, 2009 at 12:17)

  • piaggio c7
    Schüler
    Punkte
    770
    Trophäen
    1
    Beiträge
    143
    Wohnort
    Süddeutschland
    Vespa Typ
    -
    • May 30, 2009 at 15:10
    • #2

    Vll. hilft das da ja weiter, keine Ahnung wie schaltkreuz wechseln?

  • kalboflu
    Alter Knochen
    Punkte
    2,555
    Trophäen
    1
    Beiträge
    492
    Bilder
    2
    Wohnort
    Weserbergland
    Vespa Typ
    PX 210 Polini + Bobber
    • May 30, 2009 at 16:05
    • #3

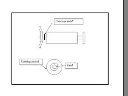
    Leg mal den Bolzen auf den Tisch. Gewinde nach links.
    Dann innengefaste Unterlegscheibe mit der Fase nach rechts draufschieben.
    Schaltkreuz mit den gebogenen Zapfen nach links und dann draufschrauben. (Linksgewinde!)

    Sag bescheid wenn du es nicht verstanden hast. Dann mach ich eine Zeichnung.

    Wenn eine Frau links blinkt heißt das noch lange nicht, dass sie auch rechts abbiegt!

    Hoffentlich wird das neue Jahr genauso beschissen wie das alte.

  • Neo_3001
    Schüler
    Punkte
    415
    Beiträge
    66
    Bilder
    1
    Wohnort
    Hamburg
    Vespa Typ
    P80X
    • May 30, 2009 at 17:18
    • #4
    Zitat von kalboflu

    Leg mal den Bolzen auf den Tisch. Gewinde nach links.
    Dann innengefaste Unterlegscheibe mit der Fase nach rechts draufschieben.
    Schaltkreuz mit den gebogenen Zapfen nach links und dann draufschrauben. (Linksgewinde!)

    Sag bescheid wenn du es nicht verstanden hast. Dann mach ich eine Zeichnung.

    Wäre nett wenn du tatsächlich mal eine Zeichnung machen könntest. Danke ;)

    P80X (135DR) Baujahr 1981

  • kalboflu
    Alter Knochen
    Punkte
    2,555
    Trophäen
    1
    Beiträge
    492
    Bilder
    2
    Wohnort
    Weserbergland
    Vespa Typ
    PX 210 Polini + Bobber
    • May 30, 2009 at 19:55
    • #5

    Hier die "Zeichnung"

    Bilder

    • Schaltkreuz 1.jpg
      • 20.14 kB
      • 800 × 600

    Wenn eine Frau links blinkt heißt das noch lange nicht, dass sie auch rechts abbiegt!

    Hoffentlich wird das neue Jahr genauso beschissen wie das alte.

  • Neo_3001
    Schüler
    Punkte
    415
    Beiträge
    66
    Bilder
    1
    Wohnort
    Hamburg
    Vespa Typ
    P80X
    • May 30, 2009 at 21:41
    • #6
    Zitat von kalboflu

    Hier die "Zeichnung"

    Vielen dank.
    Ist es wichtig das die "Fase" der Unterlegscheibe nach rechts zeigt? Wenn ja warum?

    Gruß

    P80X (135DR) Baujahr 1981

  • kalboflu
    Alter Knochen
    Punkte
    2,555
    Trophäen
    1
    Beiträge
    492
    Bilder
    2
    Wohnort
    Weserbergland
    Vespa Typ
    PX 210 Polini + Bobber
    • May 31, 2009 at 09:19
    • #7

    Ja!
    Unten am Gewinde ist eine kleine Kehle und die Fase muß darüber.
    Wenn du die falsch herum draufmachst kannst du sehen, das die Unterlegscheibe nicht richtig anliegt.
    Dadurch wäre das aufgeschraubte Schaltkreuz auch nicht in der richtigen Position.
    Bei den Schaltkreuzen der neueren Typen ist diese Fase schon im Schaltkreuz eingearbeitet.

    Wenn eine Frau links blinkt heißt das noch lange nicht, dass sie auch rechts abbiegt!

    Hoffentlich wird das neue Jahr genauso beschissen wie das alte.

  • Neo_3001
    Schüler
    Punkte
    415
    Beiträge
    66
    Bilder
    1
    Wohnort
    Hamburg
    Vespa Typ
    P80X
    • June 3, 2009 at 12:03
    • #8

    So, jetzt kommen noch so einige andere Fragen zur Motorüberholung.

    Also ich habe mir jetzt den 135 DR gekauft, habe festgestellt, das ich in der Kupplung schon ein 21er Ritzel habe. Reicht das? Oder muss es unbedingt ein 22er Ritzel sein?

    Neue Kupplungsbelege nur mit Öl bestreichen? oder richtig einen Tag einlegen ?

    Und brauche ich bei einem 135 DR schon verstärkte Federn und Kupplungsbelege?


    Da kommen sicher noch weitere Fragen

    Danke erstmal

    P80X (135DR) Baujahr 1981

  • Vechs
    Schnaps Schnäppchenjäger
    Reaktionen
    485
    Punkte
    18,245
    Trophäen
    2
    Beiträge
    3,464
    Bilder
    7
    Einträge
    1
    Wohnort
    Leingarten, Deutschland
    Vespa Typ
    der mit den Schnäppchen tanzt
    • June 3, 2009 at 14:00
    • #9

    135er Plug and Play?
    Mach doch ein bisschen O-Tuning. Auf Kabaschokos Seite ist eine Anleitung für den DR mit Tuningmaßnahmen.
    21er Ritzel reicht, 22er würde ich empfehlen wenn du etwas höhere Endgeschwindigkeit willst und auf etwas Anzug verzichten kannst.
    Wenn du ein O-Tuning machst, dann eher das 22er Ritzel, aber das kann man ja jederzeit ohne viel Aufwand wechseln, also ruhig das 21er lassen.

    Kupplung kann auch original bleiben. Verstärkte Federn und 4 Scheibenkupplung sind nice to have aber keine Pflicht für nen 135er.
    Das Ammenmärchen " Eine Nacht in Öl baden" ist auch geschmackssache. Ich hab die nur mit Öl bestrichen und fertig. Nur komplett trocken nicht einbauen. Kaufst du eine fertig montierte Kupplung dann kann es hilfreich sein die über Nacht einzulegen, bei den einzelnen Scheiben wie gesagt nicht notwendig.

    Ob das Normal ist?
    Na ich hoffe nicht!

    Es ist so herrlich wenn mein Glück andere unglücklich macht.

  • Neo_3001
    Schüler
    Punkte
    415
    Beiträge
    66
    Bilder
    1
    Wohnort
    Hamburg
    Vespa Typ
    P80X
    • June 3, 2009 at 16:55
    • #10
    Zitat von Vechs

    135er Plug and Play?
    Mach doch ein bisschen O-Tuning. Auf Kabaschokos Seite ist eine Anleitung für den DR mit Tuningmaßnahmen.
    21er Ritzel reicht, 22er würde ich empfehlen wenn du etwas höhere Endgeschwindigkeit willst und auf etwas Anzug verzichten kannst.
    Wenn du ein O-Tuning machst, dann eher das 22er Ritzel, aber das kann man ja jederzeit ohne viel Aufwand wechseln, also ruhig das 21er lassen.

    Kupplung kann auch original bleiben. Verstärkte Federn und 4 Scheibenkupplung sind nice to have aber keine Pflicht für nen 135er.
    Das Ammenmärchen " Eine Nacht in Öl baden" ist auch geschmackssache. Ich hab die nur mit Öl bestrichen und fertig. Nur komplett trocken nicht einbauen. Kaufst du eine fertig montierte Kupplung dann kann es hilfreich sein die über Nacht einzulegen, bei den einzelnen Scheiben wie gesagt nicht notwendig.

    Eigentlich wollte ich Plug and Play machen, aber vielleicht sollte ich mir das O-Tunning doch nochmal angucken! Wie komme ich denn zur Seite von "Kabaschokos".

    Gruß

    P80X (135DR) Baujahr 1981

  • Vechs
    Schnaps Schnäppchenjäger
    Reaktionen
    485
    Punkte
    18,245
    Trophäen
    2
    Beiträge
    3,464
    Bilder
    7
    Einträge
    1
    Wohnort
    Leingarten, Deutschland
    Vespa Typ
    der mit den Schnäppchen tanzt
    • June 4, 2009 at 00:50
    • #11

    unglaublich aber wahr, du findest sie auf der Seite 2-)

    Ob das Normal ist?
    Na ich hoffe nicht!

    Es ist so herrlich wenn mein Glück andere unglücklich macht.

  • 2phace
    Meister
    Reaktionen
    2
    Punkte
    10,962
    Trophäen
    1
    Beiträge
    2,155
    Bilder
    2
    Wohnort
    Hilden, Nähe Düsseldorf
    Vespa Typ
    suche gleichgesinnte Polo-Fahrer zum Rumprollen aufm Mäcces Parkplatz
    • June 4, 2009 at 07:18
    • #12

    noch was zur Kupplung, weil ich die Erfahrung gemacht habe:

    4 Scheiben sind schrott. Dazu noch verstärkte Feder und die Kupplung ist gar nicht mehr zu gebrauchen.
    3 Scheiben reichen völlig. Die stärkeren Feder machen hier dann auch Sinn.

    Mit Getriebenöl bestreichen, dann einbauen. Reicht auch, wenn du die fertige Kupplung ein bissel in Öl einlegst.

    Wer reitet so spät durch Nacht und Wind...?

  • Neo_3001
    Schüler
    Punkte
    415
    Beiträge
    66
    Bilder
    1
    Wohnort
    Hamburg
    Vespa Typ
    P80X
    • June 4, 2009 at 10:23
    • #13
    Zitat von 2phace

    noch was zur Kupplung, weil ich die Erfahrung gemacht habe:

    4 Scheiben sind schrott. Dazu noch verstärkte Feder und die Kupplung ist gar nicht mehr zu gebrauchen.
    3 Scheiben reichen völlig. Die stärkeren Feder machen hier dann auch Sinn.

    Mit Getriebenöl bestreichen, dann einbauen. Reicht auch, wenn du die fertige Kupplung ein bissel in Öl einlegst.

    Hi, danke habe die Tunningseite gefunden :)

    Habe mir alles genau angeschaut auf der Seite, und für mich entschlossen, das ich doch nur das Plug and Play Tunning mit dem 135 DR mache. ;)

    Also wenn ich den 135 DR jetzt Plug and Pla nutze, brauche ich also doch noch die verstärkten Federn? Oder reichen da dann doch die normalen??

    P80X (135DR) Baujahr 1981

  • Vechs
    Schnaps Schnäppchenjäger
    Reaktionen
    485
    Punkte
    18,245
    Trophäen
    2
    Beiträge
    3,464
    Bilder
    7
    Einträge
    1
    Wohnort
    Leingarten, Deutschland
    Vespa Typ
    der mit den Schnäppchen tanzt
    • June 4, 2009 at 10:46
    • #14

    Also ich hab auch 4 Scheiben und verstärkte Federn auf dem 125er Block und kann mich nicht beklagen. Geht schon deutlich schwerer als die Ori Federn, aber wer wird denn hier ne Mimmi sein :D
    Meinst du das in Bezug auf Langlebigkeit oder das man öfters nachstellen muss? Dassind kleine Nachteile meines Erachtens.

    Ob das Normal ist?
    Na ich hoffe nicht!

    Es ist so herrlich wenn mein Glück andere unglücklich macht.

  • Neo_3001
    Schüler
    Punkte
    415
    Beiträge
    66
    Bilder
    1
    Wohnort
    Hamburg
    Vespa Typ
    P80X
    • June 4, 2009 at 11:02
    • #15

    Na ich denke ich werde es erstmal ohne O-Tunning und ohne verstärkten Federn versuchen. Mal sehen. Kupplung lässt sich ja schnell wieder bearbeiten!

    P80X (135DR) Baujahr 1981

  • Neo_3001
    Schüler
    Punkte
    415
    Beiträge
    66
    Bilder
    1
    Wohnort
    Hamburg
    Vespa Typ
    P80X
    • June 8, 2009 at 09:23
    • #16

    So eine Frage habe ich noch.

    Motor ist soweit wieder zusammen, 135 DR drauf. Muss ich die Zündplatte anders einstellen? oder bleibt es bei der normalen einstellung???


    Gruß

    P80X (135DR) Baujahr 1981

  • sain
    Profi
    Reaktionen
    4
    Punkte
    7,114
    Trophäen
    1
    Beiträge
    1,255
    Bilder
    38
    Wohnort
    Düren
    Vespa Typ
    px139 lusso
    • June 8, 2009 at 09:26
    • #17

    der eine sagt laß es....der andere meint blitz sie auf 19° da die italo tolleranzen fürn arsch sind.....
    ich würde sie [lexicon='abblitzen',''][/lexicon] dann bist du auf der sicheren seite.

    greetz sain

    "Shes my life, shes so bad Shes the best ride I ever had" :love::love:

  • Vechs
    Schnaps Schnäppchenjäger
    Reaktionen
    485
    Punkte
    18,245
    Trophäen
    2
    Beiträge
    3,464
    Bilder
    7
    Einträge
    1
    Wohnort
    Leingarten, Deutschland
    Vespa Typ
    der mit den Schnäppchen tanzt
    • June 8, 2009 at 09:40
    • #18

    [lexicon='abblitzen',''][/lexicon] würde ich auf jedenfall, ich hatte bei mir 5° Abweichung zur IT Markierung, der Kolben wäre nach 100 km durchgebrannt :thumbdown:

    Ob das Normal ist?
    Na ich hoffe nicht!

    Es ist so herrlich wenn mein Glück andere unglücklich macht.

  • Neo_3001
    Schüler
    Punkte
    415
    Beiträge
    66
    Bilder
    1
    Wohnort
    Hamburg
    Vespa Typ
    P80X
    • June 10, 2009 at 22:36
    • #19

    Hallo, ich habe nochmal eine Frage. Bin fast fertig mit dem Motor, und hatte mir für mein Material bei PX-Performance das Stage 1 Pack geholt. Da ist ein Satz von Piaggio dabei mit Dichtungen. Habe jetzt leider irgendwie drei Teile über aus diesem Pack. Bild ist im Anhang. Vielleicht kann mir einer sagen, wo die hingehören. Ich habe einen PX 80 Motor ohne getrennt schmierung. Ist das vielleicht die Dichtung zur Öl-Pumpe? Die ich ja nicht habe?

    Bilder

    • CIMG1406.JPG
      • 241.95 kB
      • 1,600 × 1,200

    P80X (135DR) Baujahr 1981

  • sain
    Profi
    Reaktionen
    4
    Punkte
    7,114
    Trophäen
    1
    Beiträge
    1,255
    Bilder
    38
    Wohnort
    Düren
    Vespa Typ
    px139 lusso
    • June 10, 2009 at 23:22
    • #20

    die große könnte (?) zur schwimmerkammer gehören (nicht 100%)
    der o ring ist kupplungs hebel.
    die anderen 2 könnten für den bezin anschluss am gaser sein.

    greetz sain

    "Shes my life, shes so bad Shes the best ride I ever had" :love::love:

Tags

  • Vespa Motor
  • Vespa P80X
  1. Datenschutzerklärung
  2. Impressum
  3. Kontakt
  4. Geschichte der Vespa bei Wikipedia
  5. Nutzungsbedingungen
Made with ♥ in Bavaria
Community-Software: WoltLab Suite™