Moin ihr Spezialisten!
da die SuFu nicht viel hergegeben hat, muss ich jetz halt nen fred aufmachen...:
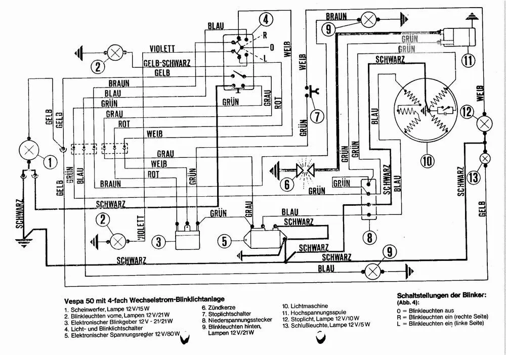
Ich bin gerade in den letzten Zügen einer Komplettrestauration und hänge nun an der Elektrik... ![]()
Kann es sein, dass bei meiner Ex-50 Special der Hupentaster als ÖFFNER fungiert, sprich einen Stromkreis TRENNT?
Ich hab ja jetzt schon viel über italienische Elektrik gelernt. (und seit meinem letzten Italien-Urlaub wundert mich garnix mehr)
Aber wie wollen die denn nun ein physikalisches Gesetz umdrehen?
Kann mir da mal jemand helfen? Oder hab ich einfach den falschen Schalter?
Nein, den Zündunterbrecher mein ich nicht, der ist ja unten am Schaltergehäuse und funktioniert auch schon...
