Habe am Samstag ne kleine Runde gedreht und auf der Fahrt nach hause geht die Vespa aus. Hörte sich an als ob Sie keinen Sprit bekommt. Tank war voll also kann ich dies aus schliesen. Vergaser gereinigt geht immer noch nicht. Zündkerze getauscht geht auch nicht. Polrad abgezogen und geschaut ob was lose ist alles io. Zündspule komplett mit Kabel und Stecker auf ner anderen Vespa getestet und die läuft. Steckverbindung Richtung Schloß getestet nur Durchgang an sw und gn bei Off oder Lock. Jetzt bleibt nur noch Schwunglicht-Magnetzünder aber wie teste ich das teil. Könnt Ihr mir helfen denn jetzt bin ich am Ende.
Keine Zündung
-
-
hast denn nen zündfunken? kommt sprit bei der kerze an?
-
Kein Zündfunken und Kerze ist feucht.
-
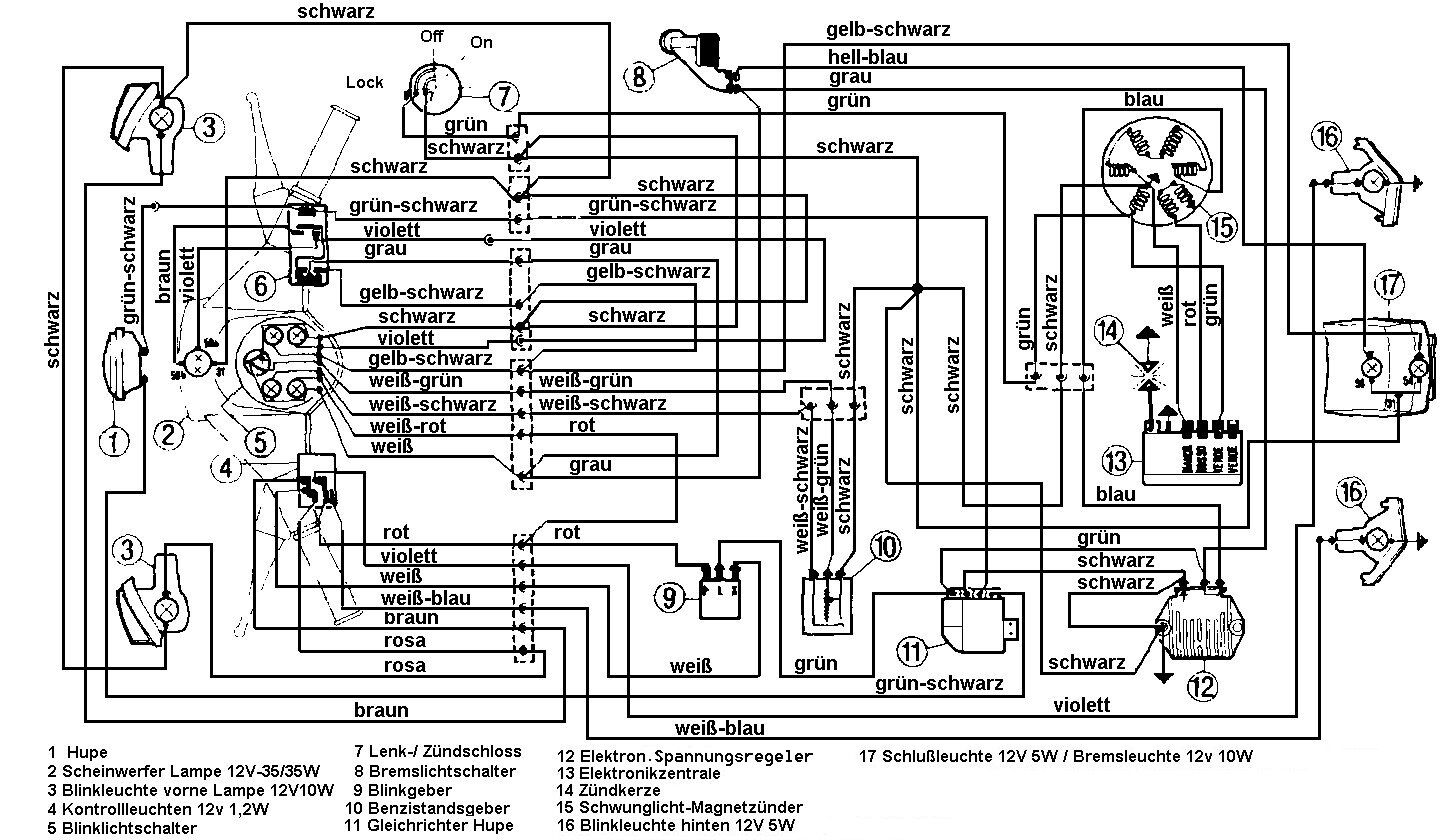
Hi, hast Du ein Messgerät zur Verfügung? auf dem [lexicon='Schaltplan',''][/lexicon] kanst Du sehen, daß an die Zündung (13) drei Kabel gehen. Das grüne ist zum Abschalten, das rote liefert den [lexicon='Zündzeitpunkt',''][/lexicon], und das weiße den Strom für die Zündspule. Da Du die Zündung schon getauscht hast, bleiben eigentlich nur zwei Möglichkeiten, ersten kein Strom auf weiß, oder Pickup ist kaput.
Strom auf weiß kannst Du messen, Gerät auf Wechselspannung ~ 12V, gegen Masse, beim Starten sollte das Gerät anzeigen. Wenn nein Spule oder Anschlußkabel ab oder kaput. Wenn Strom Pickup im A..MfG klaus
-
Hy
Seit gestern läuf die Vespa wieder
Habe so wie in der Beschreibung von kasanova am weisen Draht die Spannung gemessen 0V. Da ja Zündspule und der Rest ok waren hab ich das Schwungrad abgenommen und den Generator mal unter die Lupe genommen. Von vorne war nichts zu sehen. Dann das Teil ausgebaut und siehe da Kurzschluß an der Grundplatte. Sw und gn haten Kontakt mit der Platte und somit keine Zündung. Ich meine mit dieser Verbindung wurde das gleiche gemacht wie wenn Zündschloß auf OFF steht.Warte nun auf meinen Hupengleichrichter da es mir wegen der erhöhten Spannung die ganzen Birnen abschießt. Denke wenn der Gleichrichter drann ist gläten die Kondensatoren die Spannung und somit konstant 12V oder brauch ich noch ein Spannungsregler. Vespa im Standgas 20V und Vollgas 50V gemessen ohne Gleichrichter (11)
-
Hi, FALSCH, [lexicon='der Hupengleichrichter',''][/lexicon] ist NUR für die Hupe. Der Rest läuft auf Wechselstrom und hat mit dem Hupengleichrichter nichts zu tun. Mess mal die Spannung an eine der kaputten Birnen bei laufendem Motor. Wenn da mehr als ~12,5 V (Wechselstrom) angezeigt wird ist der elektr. Spannungsregeler gehimmelt. !!!!

MdF
