Hallo, nachdem ich jetzt die v50 Monositzbank angebracht habe suche ich nach einem antiken Rücklicht. Vor ein paar Tagen habe ich mir dieses bestellt:
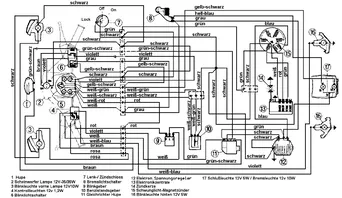
Problem ist, ich habe keine Ahnung wie ich den Strom anschließen soll. Die Vespa hat die alten Steckkontakte (4 Stück) , die Anschlüsse am Licht versteh ich überhaupt nicht. Sieht so aus als ob ich da irgendwas dranklemmen muss (2 Anschlüsse) . Dazu kommt das ich ein massives Loch von unten durchs Heck bohren müsste, wobei 1 Schraube mir etwas wenig erscheint. ![]()
Wie siehts aus, kann ich das Licht überhaupt anschließen? Wenn nein, welches Licht habt ihr bestellt?
Kommt zu Wort, ihr Antik-Rücklicht-Besitzer ![]()
