Hallo Leute,
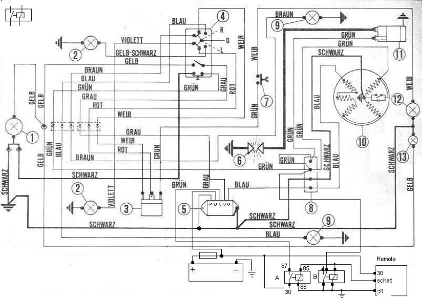
bräuchte eure Hilfe hab in meine Vespa 50 Special eine Gel-Batterie eingebaut und ein Remote Control will damit die Zündung unterbrechen.
Und das remote control ist nicht wie ein Schalter sonder schaltet nur 12v zu oder ab, hab gedacht man kann mit den Remote Control die Masse entnehmen.Also könnt ihr mir da helfen???????
Mfg
InSider
