hm, nicht schön, aber wohl die einzige vernünftige lösung...
hast du n link zu so ner stabbatterie?
hm, nicht schön, aber wohl die einzige vernünftige lösung...
hast du n link zu so ner stabbatterie?
zum Bleistift auf Egay :
ah, das schaut interessant aus! die passt ja überall hin ![]()
aber warum hat der akku 3kabel?!
Würde spontan mal sagen, Plus , Minus und Erde - aber ohne Schiessgewehr.
Die Kapazität is halt nicht die tollste, bei 20mA würde dein Tacho damit keine 2 Tage ohne Ladung laufen, aber darum gehts hier ja nicht...
Bea schiebt noch nach , dass es auch sein kann, dass das 3. Kabel eine andere Spannung abgibt, weil das im Prinzip ja nur hintereinander geschaltete Batterien sind...
die 800mAh sollten schon reichen, im idealfall wird der akku ja geladen sobald der tacho an ist ![]()
ohmann, dann brauch ich jetzt wieder n anderen spannungsregler, den akku und den kabelbaum darf ich auch schonwieder umstricken. :pinch:
Vorher denken - dann schrauben (auch wenns schwer fällt) ![]()
...aber ich kenn das ![]()
![]()
er hat schon nachgedacht ![]()
und es war sogar der gedanke im raum, ob doie zündung das im stand noch schafft... also ausprobiert ![]()
Vorher denken - dann schrauben (auch wenns schwer fällt)
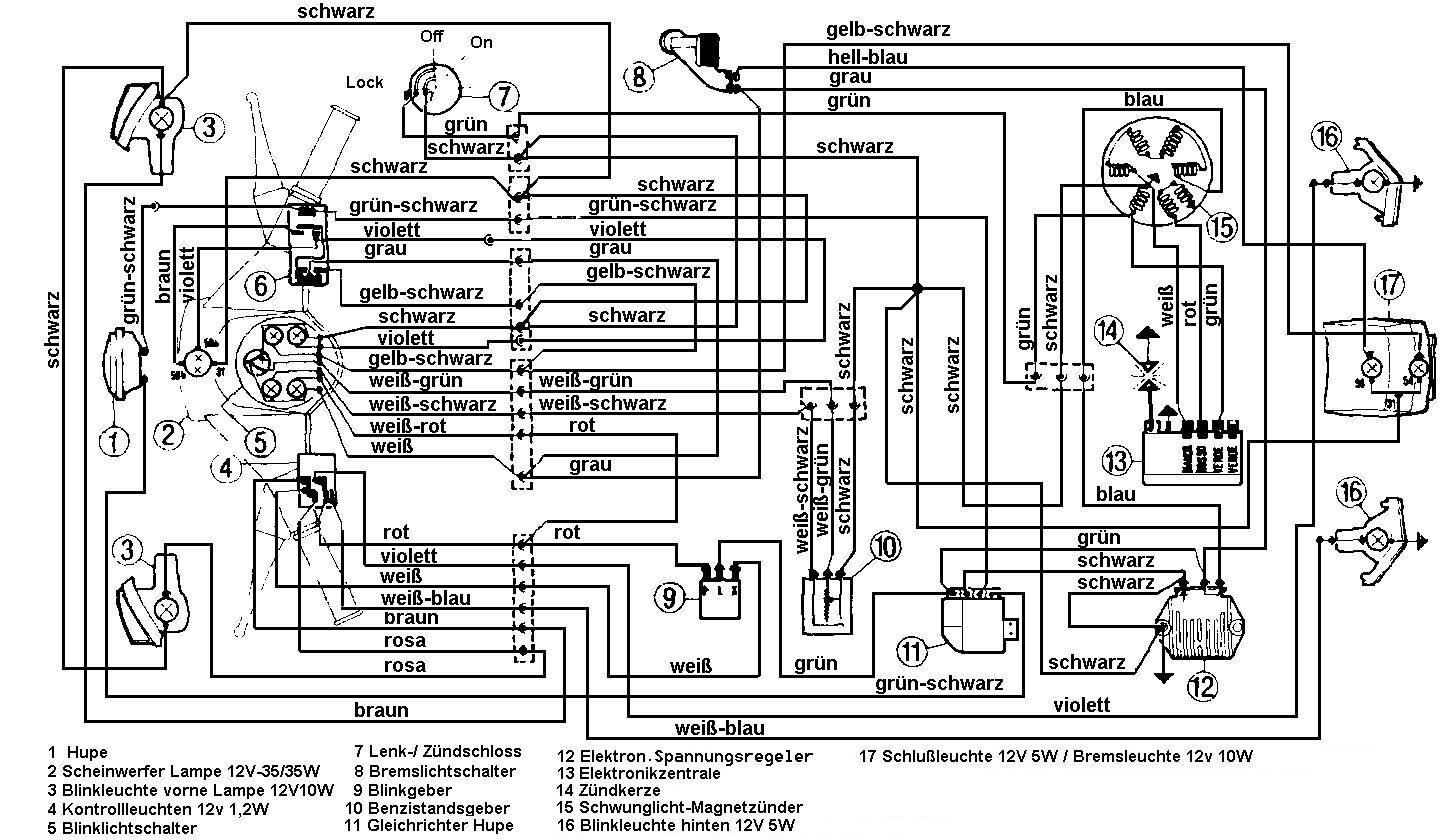
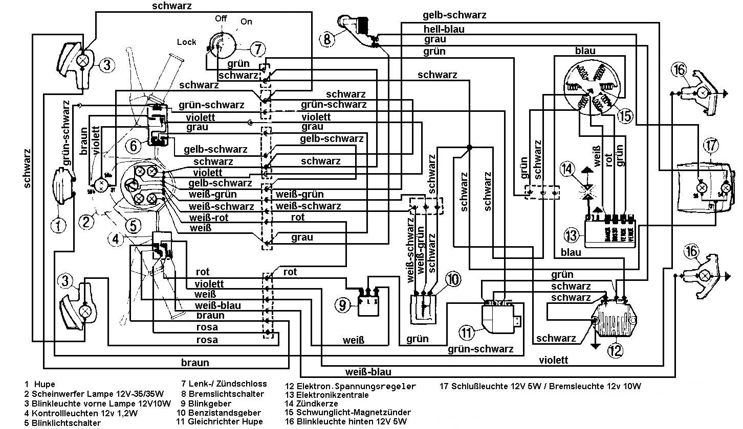
glaub mir, ich hab im vorfeld genug nachgedacht. müsstest dir mal die zig schaltpläne ansehen
und wies ola schon sagte: es war nicht sicher ob die spannung im standgas ausreicht, aber auszuschließen war es eben auch nicht.
deswegen erstmal den idealfall probieren, hätte ja klappen können ![]()
so, gerade ein wenig schaltpläne angekuckt.
in meinem kopf funktioniert das jetzt so:
hupengleichrichter rausschmeißen, regler für mit batterie (cb+gg) rein, akku, hupe und tacho an b+ anschließen und fertig.
meine basis ist der kabelbaum einer pkxl:
da ich das kabel, dass vom gleichrichter nach vorne geht (grün-schwarz) vorne in hupe und tacho gesplittet habe muss ich einfach nur dieses kabel an b+ hängen und den akku als puffer mit ranhängen.
dann noch das kabel zum blinkrelais (grün) direkt am spannungsregler anschließen.
jetzt gibts sogar ein edit bevor ich überhaupt poste:
eben ein wenig mti klausanova geschrieben, er meint der regler ist für eine batterie mit 7Ah (originalbatterie) ausgelegt und der ladestrom würde mir den 800mAh-akku schlachten.
also ist das dann doch wieder keine lösung?! ![]()
mhh is mir neu, ich betreibe meine 5Ah Batterie mit dem Parmakitregler/gleichrichter. Die ist mir bis jetzt noch nicht gekocht.
Edit schiebt nach dass Oldie - Garage hier mal behauptet hat, dass der Ladestrom der Pk bei ca 0.8 A liegt, wenn du jetzt rausfindest ob der Akku schnelladefähig ist, sollte es keine Probleme geben, da man solche Akkus bis zu 1,5 fachen der Kapazität laden kann ( z.B. bei 1Ah dann maximal 1,5 A)
ohje, also ist es doch ein Akt. Gott sei dank hab ich mir den Motogadget noch nicht geordert. Wird ein Projekt für nächsten Winter.
Bin voll neidisch auf dein RüLi. Fetzt ![]()
Oder einfach ne normale Batterie verbauen, dann is auch alles gut ![]()
so, eben noch das netz durchforstet und drüber gegrübelt und jetzt denk ic hhab ich nen plan wie ichs als nächstes probieren werde.
der ggm-regler fliegt raus, statt dessen kommt ein ggb+c-regler rein.
g+g wird normal angeschlossen, c bleibt brach liegen (ja, ich weiß, steuerleitungblablabla) und an b+ kommt mit nem elko an den tacho.
mal sehen was dabei rauskommt ![]()
da ich keinen passenden regler in meinem konvult gefunden habe habe ich einfach mal auf blöd noch nen kondensator hinter den hupengleichrichter gepackt und siehe da, der tacho funzt und bleibt auch im niedrigsten standgas an ![]()
so schaut das ganze jetzt aus:
nur leider weiß ich noch nicht wo ich jetzt das signal für den dzm abnehmen soll.
der tacho will ein 1:1 12v signal. mit induktion (kabel ums zündkabel wickeln) hats jedenfalls nicht geklappt, und auch der abnehmer meiner blitzpistole funktionierte nicht. ![]()
nur leider weiß ich noch nicht wo ich jetzt das signal für den dzm abnehmen soll.
der tacho will ein 1:1 12v signal. mit induktion (kabel ums zündkabel wickeln) hats jedenfalls nicht geklappt, und auch der abnehmer meiner blitzpistole funktionierte nicht.
also bei mir liegt die DZM -Abnahme direkt mit aufm Plus von der CDI (so siehts der Hersteller vor)
nur kannst du das impuls/umdrehungs-verhältnis am tacho einstellen, 2:1 oder 3:1. das geht bei mir leider nicht.
anfangs hatte ichs auch direkt an der cdi (wie vom hersteller vorgesehen), nur dann hab ich n standgas von 5000upm ![]()
der sieht so arschgeil aus polunder!
ich muss mal den mischa zwecks so nem kleinen chip fragen... das sollt kein großer aufriss sein, nur jedes dritte signal durchzulassen ![]()
ich muss mal den mischa zwecks so nem kleinen chip fragen... das sollt kein großer aufriss sein, nur jedes dritte signal durchzulassen
![]()
Der Tacho ist echt der Abschuss
wirklich eine feine Sache! Der speichert doch die Gesamtkilometer ab, auch wenn er aus ist, oder?
Zuerst war ich ja vom Rüli nicht so überzeugt, aber wenn man es jetzt so leuchten sieht, gefällt das irgendwie auch ![]()
Der Tacho ist echt Porno!
