1. Vespa Forum
    1. Unerledigte Themen
  2. Dashboard
  3. Galerie
    1. Alben
    2. Karte
  4. Lexikon
  • Anmelden
  • Registrieren
  • Suche
Dieses Thema
  • Alles
  • Dieses Thema
  • Dieses Forum
  • Forum
  • Galerie
  • Lexikon
  • Seiten
  • Erweiterte Suche
  1. VespaOnline Forum: Entdecke die Welt der klassischen Vespa-Roller und teile deine Leidenschaft
  2. Vespa Smallframe Roller
  3. Smallframe: Technik und Allgemeines

Hupe defekt? - die x-te

  • bastone078
  • May 20, 2010 at 20:42
  • bastone078
    Anfänger
    Reaktionen
    1
    Punkte
    276
    Beiträge
    48
    Wohnort
    Duisburg
    Vespa Typ
    PK 50 XL 2
    • May 20, 2010 at 20:42
    • #1

    Hallo zusammen,

    zum 100sten Mal Thema Hupe, habe aber nix passendes gefunden.

    Meine Huoe versagt Ihren Dienst. Konnte leider keine Batterie an die Hupe hängen, habe aber den Stromfluss direkt an der Hupe gemessen:
    Motor an, 12 Volt, Hupenschalter gedrückt - ca. 20 V.

    Ist das ein Zeichen das die Hupe hin ist oder der Hupengleichrichter???
    Als Vespa-Einsteiger lautet mein Tip - Hupe :whistling:

  • bastone078
    Anfänger
    Reaktionen
    1
    Punkte
    276
    Beiträge
    48
    Wohnort
    Duisburg
    Vespa Typ
    PK 50 XL 2
    • May 21, 2010 at 08:13
    • #2

    ...keiner nen Tip...?

  • Bauigel_01
    Anfänger
    Punkte
    280
    Beiträge
    47
    Bilder
    1
    Wohnort
    31162 In da house
    Vespa Typ
    PK 50 XL2 und PK 50 XL2 Automatik
    • May 21, 2010 at 08:36
    • #3

    Moin,
    also was jetzt, Strom gemessen (wird in Ampère angegeben, also A) oder Spannung gemessen (wird in Volt angegeben, also V)?

    Üblicherweise sollte die Spannung beim Betätigen der Hupe abfallen (weil Du einen Verbraucher anschließt und quasi einen Kurzschluss produzierst). Ein Anstieg der Spannung kommt mir etwas schleierhaft vor.
    Insofern kann ich Deinen Angaben nicht ganz folgen. Vielleicht noch mal etwas präziser messen und beschreiben, wo Du genau gemessen hast. Vielleicht hat dann einer einen Tip für Dich.

    Gruß vom Bauigel

    Ich bin zwar schizophren, aber es geht mir allen gut!

  • bastone078
    Anfänger
    Reaktionen
    1
    Punkte
    276
    Beiträge
    48
    Wohnort
    Duisburg
    Vespa Typ
    PK 50 XL 2
    • May 21, 2010 at 09:11
    • #4

    Spannung gemessen war gemeint. Da die Hupe ja vermeintlich defekt ist, verbraucht sie aber ja nichts, event. deshalb der Anstieg der Spannung und kein Abfallen???
    Habe direkt an den Kabelschuhen an der Hupe gegen Erde gemessen...

  • Bauigel_01
    Anfänger
    Punkte
    280
    Beiträge
    47
    Bilder
    1
    Wohnort
    31162 In da house
    Vespa Typ
    PK 50 XL2 und PK 50 XL2 Automatik
    • May 21, 2010 at 09:32
    • #5

    Hm, klingt eher wie fürs Brett "Füsikalische Fenomene" ^^ (wegen ansteigender Spannung und so...)

    Tipp: Mal Hupe komplett entkabeln und Widerstand der Spule messen (auch der Gleichrichter sollte nicht mehr angeschlossen sein). Hast Du einen Widerstand gegen Unendlich, ist wohl die Spule in der Hupe hinüber. Ist ein "normaler" (messbarer) Widerstand das Ergebnis, sollte die Hupe OK sein, dann tippe ich auf den Gleichrichter.

    Hast Du nicht alternativ ein Auto zur Verfügung, an dessen Batterie Du die Hupe mal testen kannst?

    Viel Erfolg,
    der Bauigel

    Ich bin zwar schizophren, aber es geht mir allen gut!

  • bastone078
    Anfänger
    Reaktionen
    1
    Punkte
    276
    Beiträge
    48
    Wohnort
    Duisburg
    Vespa Typ
    PK 50 XL 2
    • May 21, 2010 at 09:48
    • #6

    Gut werde mal so vorgehen. Auto(batterie) ist ab heute zum Testen da.

  • bastone078
    Anfänger
    Reaktionen
    1
    Punkte
    276
    Beiträge
    48
    Wohnort
    Duisburg
    Vespa Typ
    PK 50 XL 2
    • May 27, 2010 at 10:25
    • #7

    So, Hupe geht nicht am Auto, also hin ?!?

    Widerstand an den beiden Steckeranschlüssen der Hupe untereinander gemessen:0,09 oder 0,9 Ohm.

    Die Ansteigende Spannung bei betätigen des Hupenschalters gemessen am Kabel schnellt bis 30 Volt ! hoch???

    Kann man den Gleichrichter irgendwie durchmessen?

  • kasonova
    Foren-Inventar
    Reaktionen
    43
    Punkte
    31,593
    Trophäen
    2
    Beiträge
    6,227
    Bilder
    10
    Einträge
    3
    Wohnort
    Solingen
    Vespa Typ
    Vespa ET2, V50 Spezial, PK 50 XL2
    • May 27, 2010 at 11:05
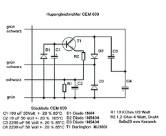
    • #8

    Hi, ich schick dir den Schaltplan des Hupengleichrichters. Wenn Du ne Möglichkeit findest, was zu messen schreib mir.

    Bilder

    • CEM609.jpg
      • 109.83 kB
      • 1,370 × 1,120
  • bastone078
    Anfänger
    Reaktionen
    1
    Punkte
    276
    Beiträge
    48
    Wohnort
    Duisburg
    Vespa Typ
    PK 50 XL 2
    • May 27, 2010 at 12:33
    • #9

    so, alle merkwürdigen Messergebisse mal außer acht gelassen,
    neue gebrauchte Hupe beim Vespadealer für nen Fünfer geholt, angeschlossen, hup hup, alles gut!
    Danke für die Hilfe!

  • kasonova
    Foren-Inventar
    Reaktionen
    43
    Punkte
    31,593
    Trophäen
    2
    Beiträge
    6,227
    Bilder
    10
    Einträge
    3
    Wohnort
    Solingen
    Vespa Typ
    Vespa ET2, V50 Spezial, PK 50 XL2
    • May 27, 2010 at 13:35
    • #10

    War doch eigenlich klar, hupt nicht an Batterie? kaput oder falsch eingestellt, hupt an Batterie = Gleichrichter kaputt.

  • bastone078
    Anfänger
    Reaktionen
    1
    Punkte
    276
    Beiträge
    48
    Wohnort
    Duisburg
    Vespa Typ
    PK 50 XL 2
    • May 27, 2010 at 15:16
    • #11

    ja, nur diese merkwürdigen Messungen mit dem Strom..., egal!

  1. Datenschutzerklärung
  2. Impressum
  3. Kontakt
  4. Geschichte der Vespa bei Wikipedia
  5. Nutzungsbedingungen
Made with ♥ in Bavaria
Community-Software: WoltLab Suite™