hi an alle
habe ein mehr oder weniger großes problem ein freund von mir hat sich eine pk 50 xl denke 2 gekauft bj.91
mit batterie und elestart
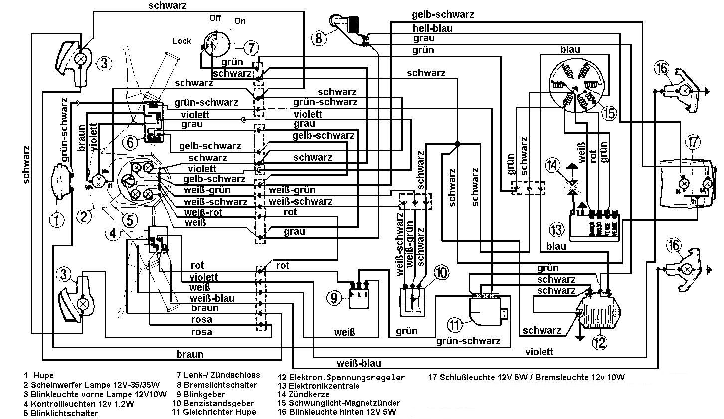
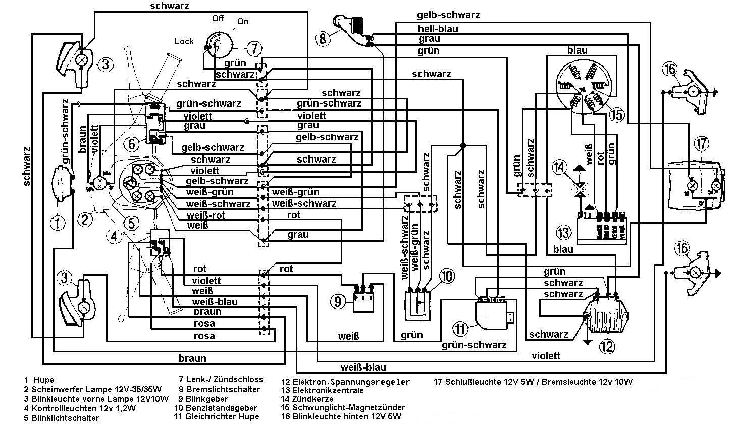
so nun zum problem der kabelbaum war abgebrannt und wir dachten uns okay kaufen wir einfach nen neuen lange rede kurzer sinn kein kabelbaum ist der richtige
habe dan bei worb und sip angerufen beide seiten sagen nicht lieferbar mann muss den kabelbaum umstricken
also habe ich angefangen den kabelbaum umzustricken
so nun bräuchte ich ein bild von dem stecker hinter der kaskade (der lange graue bei mir mit 2 weißen zusatzsteckern an den seiten) mit farben und die dazugehörigen funktionen da der neue kabelbaum alles andere als gleiche farben hat .... dazu ist zu sagen das der kombi stecker am motor da der runde bei mir 5 anschlüsse
hat nicht 3 =)
könnte mir da jemand helfen??
