1. Vespa Forum
    1. Unerledigte Themen
  2. Dashboard
  3. Galerie
    1. Alben
    2. Karte
  4. Lexikon
  • Anmelden
  • Registrieren
  • Suche
Dieses Thema
  • Alles
  • Dieses Thema
  • Dieses Forum
  • Forum
  • Galerie
  • Lexikon
  • Seiten
  • Erweiterte Suche
  1. VespaOnline Forum: Entdecke die Welt der klassischen Vespa-Roller und teile deine Leidenschaft
  2. Vespa Smallframe / Largeframe / Wideframe Roller
  3. Vespa Elektrik

Lichtprobleme Pk50xl2

  • Philip91pk50xl
  • March 12, 2012 at 19:35
  • Philip91pk50xl
    Anfänger
    Punkte
    190
    Beiträge
    27
    Bilder
    1
    Wohnort
    Köln
    Vespa Typ
    Pk50xl2
    • March 12, 2012 at 19:35
    • #1

    Hallo,
    Ich habe meine xl2 nach dem Lackieren wieder zusammengebaut
    und ihr ein Rücklicht von der xl1 gegönnt, da ich diesen hässlichen
    Plastikhintern (https://www.vespaonline.de/index.php?page=Attachment&attachmentID=79847&h=a425cb37aaf564d040eb5f5d7080974c697c6c34&thumbnail=1)
    abgebaut habe. Jetzt springt sie 1a an und auch die Hupe funktioniert.
    Alle anderen Verbraucher, sprich Scheinwerfer, Rücklicht, Bremslicht und
    Blinker, laufen aber leider nicht mehr!
    Das Rücklicht hab ich vor dem Einbau mit einem 9V Block gecheckt und beide Birnen haben geleuchtet.
    Kennt einer die Lösung für mein Problem?

    Vielen Dank schonmal,

    Philip

    P.S.
    Hab das Thema versehentlich auch schon im Smallframebereich erstellt, weiß aber nicht wie ich es da wieder lösche ?!

  • Philip91pk50xl
    Anfänger
    Punkte
    190
    Beiträge
    27
    Bilder
    1
    Wohnort
    Köln
    Vespa Typ
    Pk50xl2
    • March 17, 2012 at 09:53
    • #2

    Wirklich niemand eine Idee???

  • lackholly
    Fortgeschrittener
    Reaktionen
    1
    Punkte
    906
    Trophäen
    1
    Beiträge
    181
    Wohnort
    Münster
    Vespa Typ
    Vespa P200E/Vespa 50r/ PKs einmal mit und einmal ohne Blinker/ SKR 180 LC
    • March 17, 2012 at 10:00
    • #3

    Keine Masse,mal gemessen ob Spnnung anliegt?Gleichrichter wieder richtig angeklemmt?

  • Philip91pk50xl
    Anfänger
    Punkte
    190
    Beiträge
    27
    Bilder
    1
    Wohnort
    Köln
    Vespa Typ
    Pk50xl2
    • March 17, 2012 at 10:27
    • #4

    Richtig angeklemmmt ist der auf jeden Fall, da ich alle stecker vorm abbauen schön beschriftet habe. Und wo soll ich gucken ob Spannung anliegt? An den Verbrauchern selber?
    Vielen Dank schon mal.

  • kasonova
    Foren-Inventar
    Reaktionen
    43
    Punkte
    31,593
    Trophäen
    2
    Beiträge
    6,227
    Bilder
    10
    Einträge
    3
    Wohnort
    Solingen
    Vespa Typ
    Vespa ET2, V50 Spezial, PK 50 XL2
    • March 17, 2012 at 10:34
    • #5

    Nein nicht am Verbraucher, sondern an den Kontakten der Birnenfassung. Beide Kontakte gegeneinander da sollte 12 Volt ~ angezeigt werden. Wenn ja ist die Birne kaputt, wenn nein Leitungen ohmmäßig überprüfen.

  • kasonova
    Foren-Inventar
    Reaktionen
    43
    Punkte
    31,593
    Trophäen
    2
    Beiträge
    6,227
    Bilder
    10
    Einträge
    3
    Wohnort
    Solingen
    Vespa Typ
    Vespa ET2, V50 Spezial, PK 50 XL2
    • March 17, 2012 at 10:38
    • #6

    Nein nicht am Verbraucher, sondern an den Kontakten der Birnenfassung. Beide Kontakte gegeneinander da sollte 12 Volt ~ angezeigt werden. Wenn ja ist die Birne kaputt, wenn nein Leitungen ohmmäßig überprüfen. Bezugspunk ist dann die schwarze und die grüne Leitung am Spannungsregeler. An der Stelle kannst Du au einmal zuerst messen, ob da 12 Volt ~ vorhanden sind.

  • Philip91pk50xl
    Anfänger
    Punkte
    190
    Beiträge
    27
    Bilder
    1
    Wohnort
    Köln
    Vespa Typ
    Pk50xl2
    • March 17, 2012 at 10:44
    • #7

    Ok Danke. Aber die Birnen werdens kaum sein, dann müssten sie ja bei blinkern, Licht, Rücklicht und Bremslicht kaputt sein.

  • Philip91pk50xl
    Anfänger
    Punkte
    190
    Beiträge
    27
    Bilder
    1
    Wohnort
    Köln
    Vespa Typ
    Pk50xl2
    • March 17, 2012 at 10:46
    • #8

    Und wie überprüfe ich die Leitungen Ohmmäßig? Ist Ohm nicht der Widerstand? Hab zwar ein MUltimeter, das sowas glaub ich auch kann aber ich weiss nicht wie ich es anwenden muss.

  • Philip91pk50xl
    Anfänger
    Punkte
    190
    Beiträge
    27
    Bilder
    1
    Wohnort
    Köln
    Vespa Typ
    Pk50xl2
    • March 17, 2012 at 10:50
    • #9

    Läuft die Hupe denn nicht durch den Spannungsregler? Denn die funktioniert ja. So könnt ich die Ursache natürlich gut einschränken!

  • lackholly
    Fortgeschrittener
    Reaktionen
    1
    Punkte
    906
    Trophäen
    1
    Beiträge
    181
    Wohnort
    Münster
    Vespa Typ
    Vespa P200E/Vespa 50r/ PKs einmal mit und einmal ohne Blinker/ SKR 180 LC
    • March 17, 2012 at 11:09
    • #10

    Besser du holst dir Masse am rahmen und prüfst dann die einzelnen "Verbraucher ob Spannung anliegt.ES ist ganz oft so das nach dem Lackieren der Massekontakt ebend keinen kontackt hat,weil der Lack diesen verhindert.

  • Philip91pk50xl
    Anfänger
    Punkte
    190
    Beiträge
    27
    Bilder
    1
    Wohnort
    Köln
    Vespa Typ
    Pk50xl2
    • March 17, 2012 at 11:12
    • #11

    Alles klar Danke. Dann check ich mal alles durch und hoffe, dass ich das Problem finde :D

    Vielen Dank schon mal für eure Hilfe
    Philip

  • lackholly
    Fortgeschrittener
    Reaktionen
    1
    Punkte
    906
    Trophäen
    1
    Beiträge
    181
    Wohnort
    Münster
    Vespa Typ
    Vespa P200E/Vespa 50r/ PKs einmal mit und einmal ohne Blinker/ SKR 180 LC
    • March 17, 2012 at 11:14
    • #12
    Zitat von Philip91pk50xl

    Alles klar Danke. Dann check ich mal alles durch und hoffe, dass ich das Problem finde :D

    Vielen Dank schon mal für eure Hilfe
    Philip

    Es wird zu 90% dein Massekontakt sein.Wenn die Hupe geht läuft die sicher über einen seperaten Gleichrichter wie es bei T5 und Lusso ist.

  • kasonova
    Foren-Inventar
    Reaktionen
    43
    Punkte
    31,593
    Trophäen
    2
    Beiträge
    6,227
    Bilder
    10
    Einträge
    3
    Wohnort
    Solingen
    Vespa Typ
    Vespa ET2, V50 Spezial, PK 50 XL2
    • March 17, 2012 at 13:09
    • #13

    Hi, ohmmäßiges durchmessen einer Leitung, das Messgerät auf den kleinsten Ohmmeßbereich einstellen, oft haben Geräte auch eine Stellung "Durchgangsprüfung" mit einem Piepser, wenn ers piept geht die Leitung durch, oder bei der Messung = 0 Ohm. Du hast den Spannungsregeler wieder gut angeschraubt, kontrolliere, wie oben beschrieben, ob am Spannungsregeler Strom vorhanden ist, wenn ja prüfe die Leitungen.

    @Lackholy bei der PK wird die Masse IMMER über eine schwarze Leitung an die Verbraucher gebracht, es gibt kenen Massekontakt.

  • lackholly
    Fortgeschrittener
    Reaktionen
    1
    Punkte
    906
    Trophäen
    1
    Beiträge
    181
    Wohnort
    Münster
    Vespa Typ
    Vespa P200E/Vespa 50r/ PKs einmal mit und einmal ohne Blinker/ SKR 180 LC
    • March 17, 2012 at 18:26
    • #14
    Zitat von kasonova

    Hi, ohmmäßiges durchmessen einer Leitung, das Messgerät auf den kleinsten Ohmmeßbereich einstellen, oft haben Geräte auch eine Stellung "Durchgangsprüfung" mit einem Piepser, wenn ers piept geht die Leitung durch, oder bei der Messung = 0 Ohm. Du hast den Spannungsregeler wieder gut angeschraubt, kontrolliere, wie oben beschrieben, ob am Spannungsregeler Strom vorhanden ist, wenn ja prüfe die Leitungen.

    @Lackholy bei der PK wird die Masse IMMER über eine schwarze Leitung an die Verbraucher gebracht, es gibt kenen Massekontakt.

    Also gibt es doch einen Massekontakt. 2-) Irgend wo muß der Massestecker schlußendlich auf Masse gelegt sein,wo auch immer.

  • kasonova
    Foren-Inventar
    Reaktionen
    43
    Punkte
    31,593
    Trophäen
    2
    Beiträge
    6,227
    Bilder
    10
    Einträge
    3
    Wohnort
    Solingen
    Vespa Typ
    Vespa ET2, V50 Spezial, PK 50 XL2
    • March 18, 2012 at 08:49
    • #15

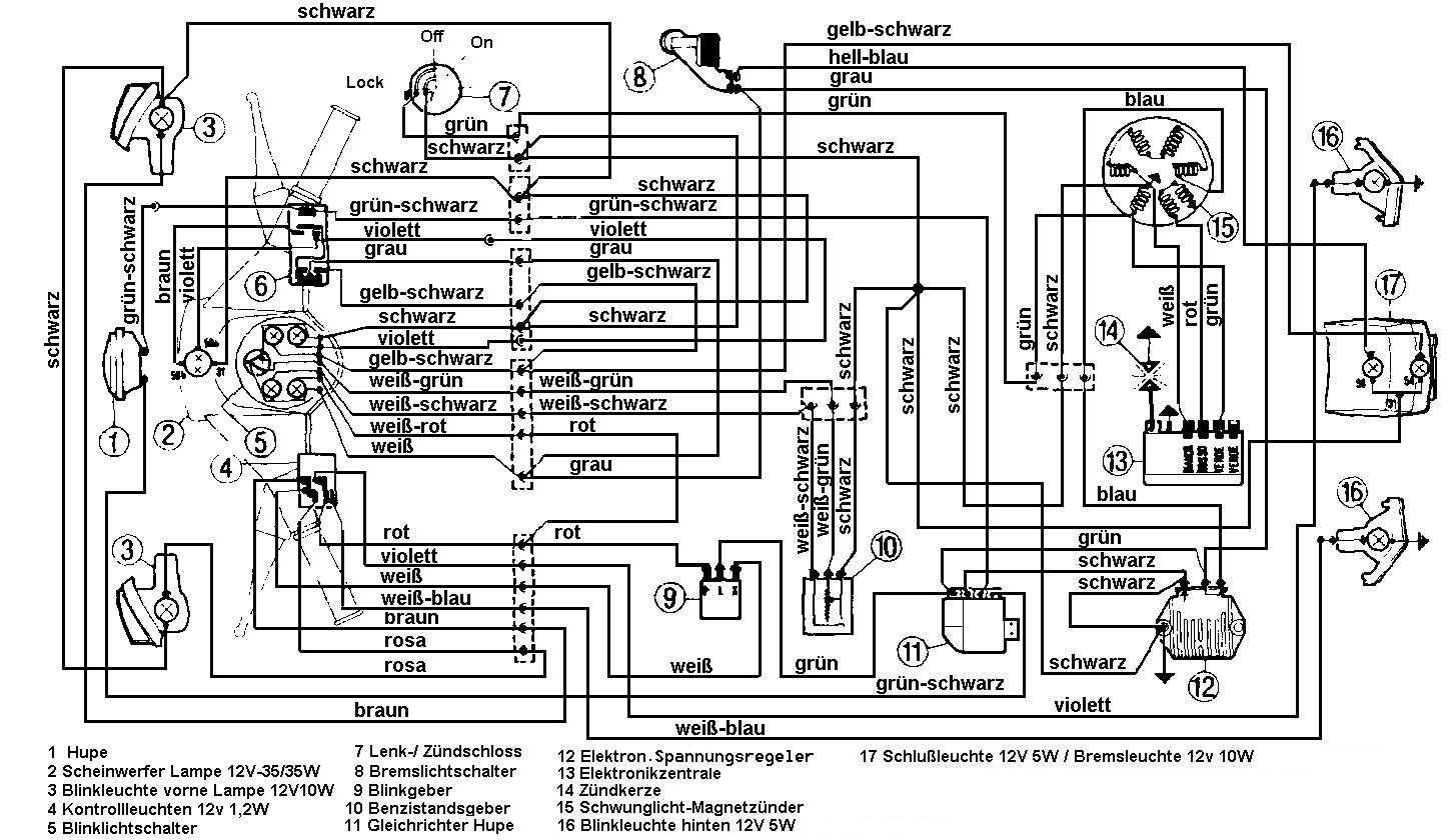
    Hi, ich weiß nicht was Du dir unter einem Massekontakt vorstellst. Das wird auf dem [lexicon='Schaltplan',''][/lexicon] als kleines Dreieck dargestellt. Auf dem [lexicon='Schaltplan',''][/lexicon] kannst Du sehen, dass die Masse der Lichtmaschine (das kleine Dreieck) in der Lima mit dem Motor verbunden ist. Dann wird dieser Punkt über die weiße Leitung mit der CDI verbunden. Die hat noch ein Kabel (gelb) was am Motor angeschraubt ist. Eine weitere Leitung (schwarz) geht über den Steckverbinder zu einem zentralen Punkt, wo mehrere schwarze Leitungen zusammen treffen (liegt unter dem Tank im Kabelbaum). Von da geht eine Leitung zum Spannungsregeler. Das Gehäuse des Reglers liegt gleichfalls auf Masse. Die Verschaubung des Reglers, wird mit Zahnscheiben vorgenommen, dadurch und mit einem da verschraubten Kabel (schwarz mit Dreieck) wird nun die Masse auf den Rahmen der Vespa gelegt. Damit ist der ganze Rahmen als Masse zu gebrauchen, an jeder Schraube die da rein gedreht wird muss man dann eine Verbindung zum schwarzen Kabel am Spannungsregeler messen können. Es sei denn Du hättest bei der Montage des Reglers peinlich darauf geachtet, das die Farbe nicht beschädigt wird.

    Bilder

    • Schaltplan.jpg
      • 232.34 kB
      • 1,452 × 840
  • Philip91pk50xl
    Anfänger
    Punkte
    190
    Beiträge
    27
    Bilder
    1
    Wohnort
    Köln
    Vespa Typ
    Pk50xl2
    • March 23, 2012 at 13:15
    • #16

    Sorry das ich so lang nicht geantwortet habe!
    Kasanova, deine Beschreibung der verschiedenen Kabel und der [lexicon='Schaltplan',''][/lexicon] sind sehr hilfreich! Vielen Dank!
    Werd die Vespa morgen aus dem Keller schleppen und dann alles in Ruhe messen, da ich sie im Keller nicht starten kann ohne mich zu vergasen!

    Vielen Dank. Ich hoffe ich krieg das hin.

    Philip

  • kasonova
    Foren-Inventar
    Reaktionen
    43
    Punkte
    31,593
    Trophäen
    2
    Beiträge
    6,227
    Bilder
    10
    Einträge
    3
    Wohnort
    Solingen
    Vespa Typ
    Vespa ET2, V50 Spezial, PK 50 XL2
    • March 23, 2012 at 13:53
    • #17

    Hi, da Du den [lexicon='Schaltplan',''][/lexicon] gut findest, vermute ich, dass Du keine [lexicon='Bedienungsanleitung',''][/lexicon] hast, denn da wäre ein [lexicon='Schaltplan',''][/lexicon] drin. Willst Du eine haben?

  • Philip91pk50xl
    Anfänger
    Punkte
    190
    Beiträge
    27
    Bilder
    1
    Wohnort
    Köln
    Vespa Typ
    Pk50xl2
    • March 24, 2012 at 10:08
    • #18

    Danke. Für das Angebot kasanova, aber ich habe eine [lexicon='Bedienungsanleitung',''][/lexicon]. Mir war aber nicht bewusst, dass da ein [lexicon='Schaltplan',''][/lexicon] drin ist. :D

Tags

  • Vespa PK 50 XL2
  • Vespa PK 50
  1. Datenschutzerklärung
  2. Impressum
  3. Kontakt
  4. Geschichte der Vespa bei Wikipedia
  5. Nutzungsbedingungen
Made with ♥ in Bavaria
Community-Software: WoltLab Suite™