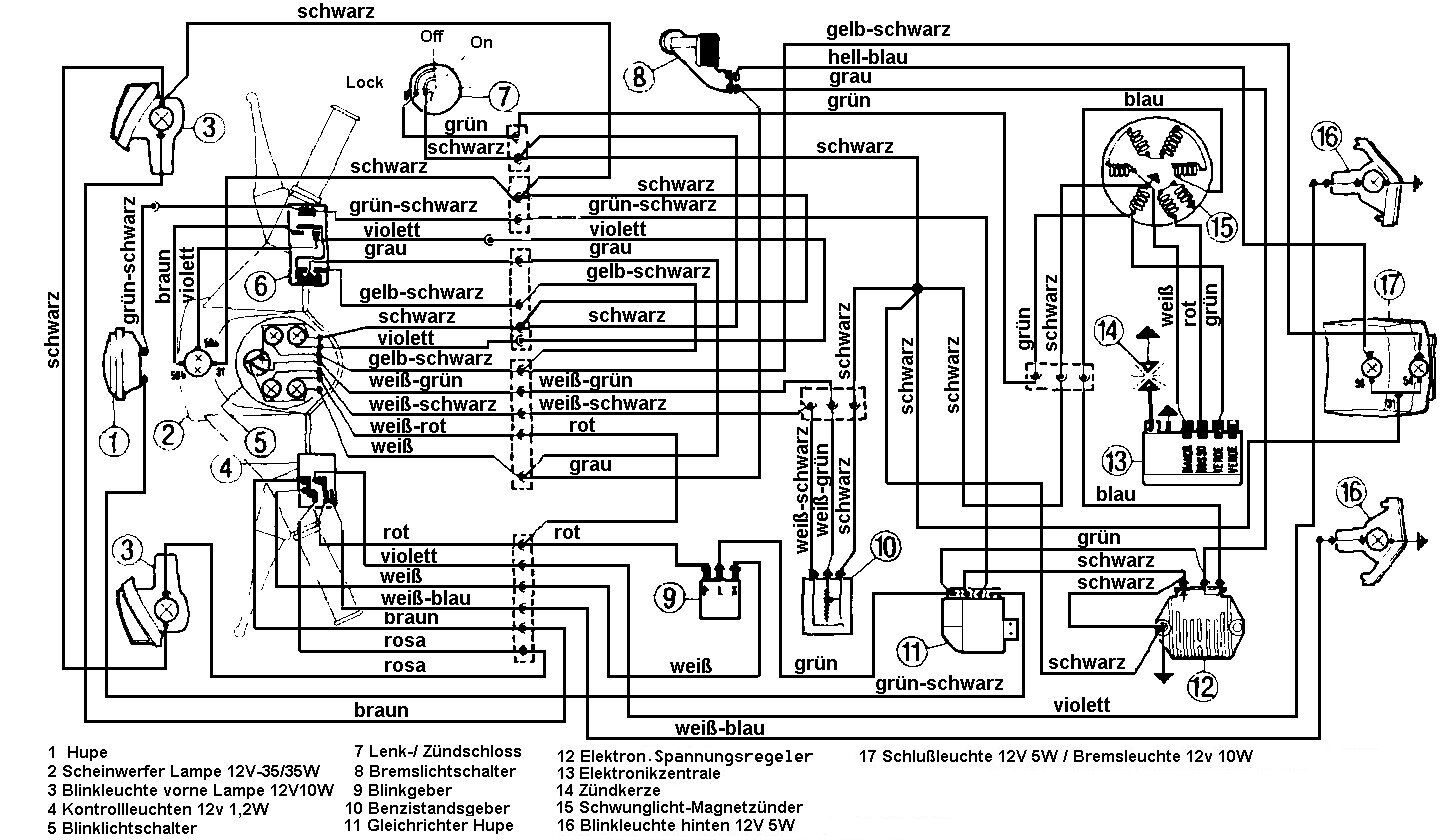
Hallo,
Ich habe meine xl2 nach dem Lackieren wieder zusammengebaut
und ihr ein Rücklicht von der xl1 gegönnt, da ich diesen hässlichen
Plastikhintern (https://www.vespaonline.de/index.php?page=Attachment&attachmentID=79847&h=a425cb37aaf564d040eb5f5d7080974c697c6c34&thumbnail=1)
abgebaut habe. Jetzt springt sie 1a an und auch die Hupe funktioniert.
Alle anderen Verbraucher, sprich Scheinwerfer, Rücklicht, Bremslicht und
Blinker, laufen aber leider nicht mehr!
Das Rücklicht hab ich vor dem Einbau mit einem 9V Block gecheckt und beide Birnen haben geleuchtet.
Kennt einer die Lösung für mein Problem?
Vielen Dank schonmal,
Philip
P.S.
Hab das Thema versehentlich auch schon im Smallframebereich erstellt, weiß aber nicht wie ich es da wieder lösche ?!
