Hallo Vespa Fans !
ich hab ein Problem mit meiner Vespa 50 Special V5B3T
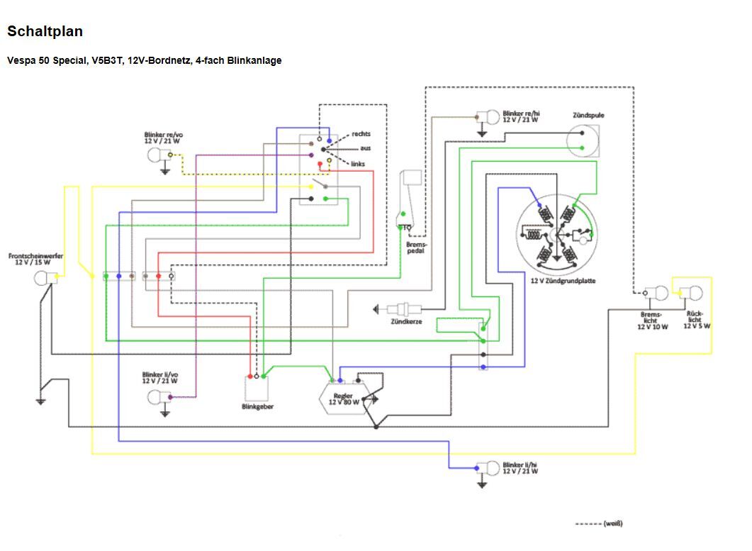
ich glaub mal meine Vespa läuft auf 12V Basis wo ich die Birnen gewechselt hab sind die Birnen immer durchgebrannt
also zu viel Strom bekommen.... dann hab ich ein Spannungsregler eingebaut 12V 80W steht da drauf siehe Link --> #mce_temp_url#
und jetzt brennen sie nicht mehr durch aber jetzt brennen sie sehr schwach ob ich jetzt 6V Anlage drin hab und ich hab auch gemessen was an der Birne ankommt 2,50V....
jetzt weiß ich nicht mehr weiter wo das Problem liegen könnte evtl könnt ihr mir weiter Helfen
