ich weiß es nervt.... aber ich hab doch noch 2 kleine fragen zur Verkabelung..
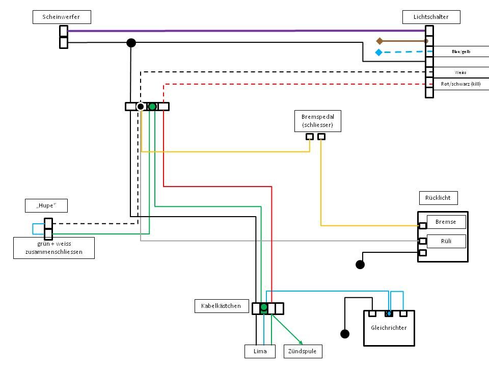
User Hi ro war so nett und hat mal einen "[lexicon='Schaltplan',''][/lexicon] für meine V 50 ohne Blinker mit Bremslicht entworfen..
Ersten.. Das graue Rücklicht Kabel wird oben am Lenker angekommen, mit was verkabelt, bzw wohin??
Das rote Kill Kabel wird vom Schalter mit dem Roten Kabel des Kabelbaumes welches nach unten geht, mit den beiden grünen kabeln der Zündgrundplatte und des CDI zusammengeschlossen ?
Richtig ???
muss ich das in diesem falle gelb eingezeichnete Kabel vom Bremslichtschalter unbedingt nach oben führen? langt doch wenn ich es an ähmmm Masse anschließe-?
ich schwör alder es hat bald ein ende mit der Elektrik..... ![]()
DANKE:::::::::::::::::::::::::::::::::::::::::::::::::::: ![]()
