1. Vespa Forum
    1. Unerledigte Themen
  2. Dashboard
  3. Galerie
    1. Alben
    2. Karte
  4. Lexikon
  • Anmelden oder registrieren
  • Suche
Dieses Thema
  • Alles
  • Dieses Thema
  • Dieses Forum
  • Forum
  • Galerie
  • Lexikon
  • Seiten
  • Erweiterte Suche
  1. VespaOnline Forum: Entdecke die Welt der klassischen Vespa-Roller und teile deine Leidenschaft
  2. Vespa Smallframe / Largeframe / Wideframe Roller
  3. Vespa Elektrik

Vespa pk 50 xl komplette Elektronik im Eimer?

  • Lupo85
  • April 9, 2021 at 17:18
  • Scharnhorst
    Meister
    Reaktionen
    2,437
    Punkte
    11,797
    TrophÀen
    1
    BeitrÀge
    1,853
    Wohnort
    BW
    Vespa Typ
    PK50 XL automatik, Ape 50 TL6T, V50 Special 76 Originallack, V50 Special 75 Nato-Oliv in Rundlenkeroptik
    Vespa Club
    keiner
    • April 9, 2021 at 20:32
    • #21

    Kurze Frage, hat die Kiste Batterie oder keine? Das lĂ€ngere Kabel unter der Kaskade, das ich auch als Hupenkabel identifiziere, spricht fĂŒr die Version ohne Batterie?

    Und nimm bitte die BrĂŒcke aus der CDI raus und steck das "eine" hoffentlich vorhandene grĂŒne Kabel auf den ersten grĂŒnen Steckplatz nach dem roten Steckplatz.

    Dann mĂŒĂŸte der Bereich CDI schonmal sauber sein.

    Dann sehen wir mal weiter.

    Gruß Paddy.

    Ich ziehe meinen Hut vor der Ikone klassische Vespa! Wenn aber selbst heute noch uralte Vespas aus den Siebzigern aufgrund der schieren Menge verbastelt werden können, sollte man sich seiner zunehmend seltenen Automatik bewußt sein...

    Übrigens, wenn man den sogenannten "O-Lack" aufbereitet (abschmirgeln und in Wachs ersĂ€ufen), muß man vorher den "O-Dreck" entfernen und den "O-Rost" owatrolisieren.

  • Lupo85
    SchĂŒler
    Reaktionen
    8
    Punkte
    303
    BeitrÀge
    57
    Wohnort
    Schwaigern (BW)
    Vespa Typ
    PK 50 XL
    • April 9, 2021 at 20:47
    • #22
    Zitat von Scharnhorst

    Kurze Frage, hat die Kiste Batterie oder keine? Das lĂ€ngere Kabel unter der Kaskade, das ich auch als Hupenkabel identifiziere, spricht fĂŒr die Version ohne Batterie?

    Und nimm bitte die BrĂŒcke aus der CDI raus und steck das "eine" hoffentlich vorhandene grĂŒne Kabel auf den ersten grĂŒnen Steckplatz nach dem roten Steckplatz.

    Dann mĂŒĂŸte der Bereich CDI schonmal sauber sein.

    Dann sehen wir mal weiter.

    Gruß Paddy.

    Das werde ich morgen frĂŒh gleich machen. Ich hoffe das da noch ein grĂŒnes Kabel noch vorhanden ist. Was ist wenn ich keins mehr vorhanden ist? Was ist der Grund fĂŒr diese BrĂŒcke?

    Und ja, es ist ein Modell ohne Batterie.

    Zu den Kabeln unter der Kaskade. Gehören die verbunden? Also diese 2 anscheinend Hupenkabel?

  • Scharnhorst
    Meister
    Reaktionen
    2,437
    Punkte
    11,797
    TrophÀen
    1
    BeitrÀge
    1,853
    Wohnort
    BW
    Vespa Typ
    PK50 XL automatik, Ape 50 TL6T, V50 Special 76 Originallack, V50 Special 75 Nato-Oliv in Rundlenkeroptik
    Vespa Club
    keiner
    • April 9, 2021 at 22:20
    • #23

    Keine Ahnung, was sich bei der BrĂŒcke mal jemand gedacht hat. FĂŒr mich macht es keinen Sinn. Höchstens die CDI ist irgendwie kaputt und mit der BrĂŒcke erfĂŒllt sie leidlich trotzdem ihren Zweck.

    Wobei man auf diese Idee erstmal kommen muß.

    Aber ich erkenn ja auf den Bildern auch nicht alles...

    Sag mal, geht das Bremslicht auch nicht? Wenn nicht, wĂŒrde ich wie schon von den Kollegen empfohlen mal den Rundstecker genau anschauen, ob da alles paßt. Heißt gleiche Farbe geht auf gleiche Farbe und alles hat Kontakt.

    Vergiß bis dahin mal den Hupenanschluß bitte. Jetzt sollte der Rest erstmal funktionieren.

    Gruß Paddy.

    Ich ziehe meinen Hut vor der Ikone klassische Vespa! Wenn aber selbst heute noch uralte Vespas aus den Siebzigern aufgrund der schieren Menge verbastelt werden können, sollte man sich seiner zunehmend seltenen Automatik bewußt sein...

    Übrigens, wenn man den sogenannten "O-Lack" aufbereitet (abschmirgeln und in Wachs ersĂ€ufen), muß man vorher den "O-Dreck" entfernen und den "O-Rost" owatrolisieren.

  • Online
    tonitest
    Meister
    Reaktionen
    2,138
    Punkte
    13,783
    TrophÀen
    2
    BeitrÀge
    2,315
    EintrÀge
    1
    Wohnort
    Domkloster 4, 50667 Köln, Deutschland
    Vespa Typ
    PK 50 XL2, BJ 1991
    • April 9, 2021 at 23:15
    • #24

    Lupo85 , hast Du Dir denn mal den passenden Schaltplan zu GemĂŒte gefĂŒhrt?

    Findest du im Lexikon des Forums oder auch hier

    http://vespa-servizio.de/schaltplaene.php

  • Scharnhorst
    Meister
    Reaktionen
    2,437
    Punkte
    11,797
    TrophÀen
    1
    BeitrÀge
    1,853
    Wohnort
    BW
    Vespa Typ
    PK50 XL automatik, Ape 50 TL6T, V50 Special 76 Originallack, V50 Special 75 Nato-Oliv in Rundlenkeroptik
    Vespa Club
    keiner
    • April 9, 2021 at 23:25
    • #25

    Also Toni,

    ich brĂŒte gerade etwas ĂŒber dem Problem. Was ich mich gerade frage, gab es eigentlich eine XL ĂŒberhaupt ohne Hupengleichrichter?

    Irgendwie ist das komisch. Das lange grĂŒn-schwarze Kabel (vermeintlich Hupe) paßt zu einem Schaltplan mit Hupengleichrichter. Das wĂŒrde ich auch eher einer XL zuordnen.

    Aber die Kiste hat ja keinen, wie man auf dem anderen Bild sieht.

    Ich frage mich schon, ob da nicht ein wilder Mix vorliegt irgendwie.

    Viel sehen tut man auf den Bildern ja nicht, aber der Liebe Lupo sollte deinen Vorschlag mal beherzigen und in deinem Link mal einen Schaltplan raussuchen, der zu seiner Kiste und seinem Kabelbaum paßt.

    Lupo, mach das mal und vergleiche mal echt die Kabelfarben an den neuralgischen Punkten. Zum Beispiel welche Kabelfarben hat es an deinem Lichtschalter? Usw.

    Und gleich vorneweg, das alles ist ein lösbares Problem, die Kiste lÀuft. Das ist die Hauptsache.

    Man kriegt das geregelt.

    Gruß Paddy.

    P.S.: Jetzt kann man Fan von Kisten ohne Batterie sein und es als puristisch ansehen, aber leider wurde der ganze Scheiß unnötig kompliziert mit der Zeit, weil immer mehr Funktionen dazu kamen wie Hupe und Blinker.

    Dann lieber eine Kiste mit Batterie, da ist das ĂŒbersichtlicher wie mit diesen ganzen batterielosen Varianten...

    Ich ziehe meinen Hut vor der Ikone klassische Vespa! Wenn aber selbst heute noch uralte Vespas aus den Siebzigern aufgrund der schieren Menge verbastelt werden können, sollte man sich seiner zunehmend seltenen Automatik bewußt sein...

    Übrigens, wenn man den sogenannten "O-Lack" aufbereitet (abschmirgeln und in Wachs ersĂ€ufen), muß man vorher den "O-Dreck" entfernen und den "O-Rost" owatrolisieren.

  • Lupo85
    SchĂŒler
    Reaktionen
    8
    Punkte
    303
    BeitrÀge
    57
    Wohnort
    Schwaigern (BW)
    Vespa Typ
    PK 50 XL
    • April 10, 2021 at 07:12
    • #26

    Ich ahne böses. Im Handschuhfach liegt in einer TĂŒte ein Hupengleichrichter. Vermutlich defekt sonst wĂ€re er eingebaut. Wo mĂŒsste dieser hin und vorallem mit welchen Kabeln...

    Ich mach erstmal die CDI demnĂ€chst. Dann schau ich Mal den Schaltplan genau an. Der lag auch schon ausgedruckt bei. Mir wĂ€re es auch lieber da wĂ€re eine Batterie eingebaut. So wĂ€ren Elektrik und Mechanik einigermaßen getrennt und sauberer

  • Online
    Volker PKXL2
    Moderator
    Reaktionen
    3,176
    Punkte
    31,759
    TrophÀen
    3
    BeitrÀge
    5,696
    EintrÀge
    1
    Wohnort
    Schleswig-Holstein, Deutschland
    Vespa Typ
    ÂŽ76er V125 Spezial; PX 135, Lambretta LD 150
    • April 10, 2021 at 08:28
    • #27

    Der kommt unter die linke Seitenhaube und wird mit einem 4-fach Stecker verbunden.

    Deine Hupe ist doch am Beinschild innen befestigt, oder? Stecken da keine Kabel drauf ?

    Passgenaue Sportsitzbank fĂŒr PK XL1 und XL2 mit originalem Plastikheck

    Meine 76' er V50 Spezial goes 130 ccm

    " Miss Lilibet ", oder eine heruntergekommene PK 50 Automatik wird frisch gemacht?

  • Lupo85
    SchĂŒler
    Reaktionen
    8
    Punkte
    303
    BeitrÀge
    57
    Wohnort
    Schwaigern (BW)
    Vespa Typ
    PK 50 XL
    • April 10, 2021 at 08:39
    • #28
    Zitat von Volker PKXL2

    Der kommt unter die linke Seitenhaube und wird mit einem 4-fach Stecker verbunden.

    Deine Hupe ist doch am Beinschild innen befestigt, oder? Stecken da keine Kabel drauf ?

    Doch klar, die habe ich ja frisch reingezogen zwecks neuem Kabelbaum. Einen 4fach Stecker gibt es nicht hinten links....kommt dieser auch vom kabelbaum?

  • Lupo85
    SchĂŒler
    Reaktionen
    8
    Punkte
    303
    BeitrÀge
    57
    Wohnort
    Schwaigern (BW)
    Vespa Typ
    PK 50 XL
    • April 10, 2021 at 09:23
    • #29

    Ich finde den Hupengleichrichter nicht in dieser Zeichnung oder bin ich zu blöd???

    Bilder

    • 16180393414906356151148786281136.jpg
      • 812.99 kB
      • 900 × 1,200
      • 148
  • Lupo85
    SchĂŒler
    Reaktionen
    8
    Punkte
    303
    BeitrÀge
    57
    Wohnort
    Schwaigern (BW)
    Vespa Typ
    PK 50 XL
    • April 10, 2021 at 09:30
    • #30
    Zitat von Scharnhorst

    Keine Ahnung, was sich bei der BrĂŒcke mal jemand gedacht hat. FĂŒr mich macht es keinen Sinn. Höchstens die CDI ist irgendwie kaputt und mit der BrĂŒcke erfĂŒllt sie leidlich trotzdem ihren Zweck.

    Wobei man auf diese Idee erstmal kommen muß.

    Aber ich erkenn ja auf den Bildern auch nicht alles...

    Sag mal, geht das Bremslicht auch nicht? Wenn nicht, wĂŒrde ich wie schon von den Kollegen empfohlen mal den Rundstecker genau anschauen, ob da alles paßt. Heißt gleiche Farbe geht auf gleiche Farbe und alles hat Kontakt.

    Vergiß bis dahin mal den Hupenanschluß bitte. Jetzt sollte der Rest erstmal funktionieren.

    Gruß Paddy.

    Alles anzeigen

    Das Kabel von der CDI hat genau 3 Kabel. Ein grĂŒnes ein weisses und ein rotes. Mehr nicht. Was wurde hier gemacht. Unfassbar. Ich hab noch im Handschuhfach wahrscheindie alte CDI gefunden. Die sah aus

    Bilder

    • 16180398376484235745840133705375.jpg
      • 585.86 kB
      • 900 × 1,200
      • 120
  • Online
    Volker PKXL2
    Moderator
    Reaktionen
    3,176
    Punkte
    31,759
    TrophÀen
    3
    BeitrÀge
    5,696
    EintrÀge
    1
    Wohnort
    Schleswig-Holstein, Deutschland
    Vespa Typ
    ÂŽ76er V125 Spezial; PX 135, Lambretta LD 150
    • April 10, 2021 at 09:32
    • #31

    Also gehören die freuen Kabel unter der Kaskade nicht zur Hupe.

    Passgenaue Sportsitzbank fĂŒr PK XL1 und XL2 mit originalem Plastikheck

    Meine 76' er V50 Spezial goes 130 ccm

    " Miss Lilibet ", oder eine heruntergekommene PK 50 Automatik wird frisch gemacht?

  • Lupo85
    SchĂŒler
    Reaktionen
    8
    Punkte
    303
    BeitrÀge
    57
    Wohnort
    Schwaigern (BW)
    Vespa Typ
    PK 50 XL
    • April 10, 2021 at 10:09
    • #32
    Zitat von Volker PKXL2

    Also gehören die freuen Kabel unter der Kaskade nicht zur Hupe.

    Sondern?

  • Lupo85
    SchĂŒler
    Reaktionen
    8
    Punkte
    303
    BeitrÀge
    57
    Wohnort
    Schwaigern (BW)
    Vespa Typ
    PK 50 XL
    • April 10, 2021 at 10:46
    • #33

    Also auch als Ersatzteil hat das Teil unter dem volano (ZGP) nur 3 Kabel und keine 4 đŸ€š

    Bilder

    • Screenshot_20210410_104614.jpg
      • 269.79 kB
      • 1,080 × 790
      • 109
  • Online
    tonitest
    Meister
    Reaktionen
    2,138
    Punkte
    13,783
    TrophÀen
    2
    BeitrÀge
    2,315
    EintrÀge
    1
    Wohnort
    Domkloster 4, 50667 Köln, Deutschland
    Vespa Typ
    PK 50 XL2, BJ 1991
    • April 10, 2021 at 11:45
    • #34

    es gibt den Schaltplan iwo auch in Farbe, (von einem freundlichen Vespisti nachcoloriert).

    Und auch in Deutsch und nicht nur Italienisch.

    Besorge Dir die mal, das macht die Sache fĂŒr Dich deutlich einfacher.

    Und dann kontrollierst Du Bauteil fĂŒr Bauteil, machst eins erstmal fertig, bevor Du ans nĂ€chste gehst.

    Hupe, Gleichrichter, Spannungsregler, CDI, ZĂŒndschalter und Lampen gleichzeitig bzw. immer abwechselnd zu bearbeiten bringt nur noch mehr Verwirrung.

    Wie Scharnhorst schon schrieb: das wird schon, nur die Ruhe.

  • Lupo85
    SchĂŒler
    Reaktionen
    8
    Punkte
    303
    BeitrÀge
    57
    Wohnort
    Schwaigern (BW)
    Vespa Typ
    PK 50 XL
    • April 10, 2021 at 12:22
    • #35
    Zitat von tonitest

    es gibt den Schaltplan iwo auch in Farbe, (von einem freundlichen Vespisti nachcoloriert).

    Und auch in Deutsch und nicht nur Italienisch.

    Besorge Dir die mal, das macht die Sache fĂŒr Dich deutlich einfacher.

    Und dann kontrollierst Du Bauteil fĂŒr Bauteil, machst eins erstmal fertig, bevor Du ans nĂ€chste gehst.

    Hupe, Gleichrichter, Spannungsregler, CDI, ZĂŒndschalter und Lampen gleichzeitig bzw. immer abwechselnd zu bearbeiten bringt nur noch mehr Verwirrung.

    Wie Scharnhorst schon schrieb: das wird schon, nur die Ruhe.

    Alles anzeigen

    OK dann mach ich mich Mal auf die Suche...

  • Lupo85
    SchĂŒler
    Reaktionen
    8
    Punkte
    303
    BeitrÀge
    57
    Wohnort
    Schwaigern (BW)
    Vespa Typ
    PK 50 XL
    • April 10, 2021 at 13:06
    • #36

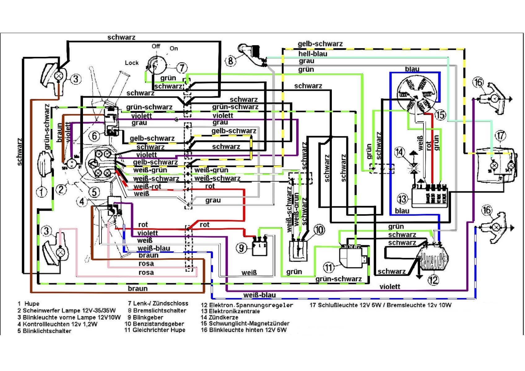
    Ist das der hier?

    Bilder

    • Vespa-PK50-Schaltplan-farbig.jpg
      • 643.35 kB
      • 1,696 × 1,200
      • 130
  • Online
    tonitest
    Meister
    Reaktionen
    2,138
    Punkte
    13,783
    TrophÀen
    2
    BeitrÀge
    2,315
    EintrÀge
    1
    Wohnort
    Domkloster 4, 50667 Köln, Deutschland
    Vespa Typ
    PK 50 XL2, BJ 1991
    • April 10, 2021 at 13:54
    • #37
    Zitat von Lupo85

    Ist das der hier?

    Sollte passen, wenn du

    - Blinker hast

    - Hupe hast

    - Bremslicht hast

    - keine Batterie hast

    - keinen Anlasser hast

  • Online
    tonitest
    Meister
    Reaktionen
    2,138
    Punkte
    13,783
    TrophÀen
    2
    BeitrÀge
    2,315
    EintrÀge
    1
    Wohnort
    Domkloster 4, 50667 Köln, Deutschland
    Vespa Typ
    PK 50 XL2, BJ 1991
    • April 10, 2021 at 13:58
    • #38
    Zitat von Lupo85

    Also auch als Ersatzteil hat das Teil unter dem volano (ZGP) nur 3 Kabel und keine 4 đŸ€š

    Die drei Kabel gehen zur CDI / 13 Elektronikzentrale (da wo diese komische BrĂŒcke drin war)

    Im Rundstecker sollten dann die 4 Kabel sein (wenn ich mich nicht irre).

  • Lupo85
    SchĂŒler
    Reaktionen
    8
    Punkte
    303
    BeitrÀge
    57
    Wohnort
    Schwaigern (BW)
    Vespa Typ
    PK 50 XL
    • April 10, 2021 at 13:59
    • #39
    Zitat von tonitest

    Sollte passen, wenn du

    - Blinker hast

    - Hupe hast

    - Bremslicht hast

    - keine Batterie hast

    - keinen Anlasser hast

    Alles anzeigen

    Passt perfekt. Ich checke morgen frĂŒh mit einem Elektriker Mal die Dinger und melde mich

  • Lupo85
    SchĂŒler
    Reaktionen
    8
    Punkte
    303
    BeitrÀge
    57
    Wohnort
    Schwaigern (BW)
    Vespa Typ
    PK 50 XL
    • April 10, 2021 at 14:00
    • #40
    Zitat von tonitest

    Die drei Kabel gehen zur CDI / 13 Elektronikzentrale (da wo diese komische BrĂŒcke drin war)

    Im Rundstecker sollten dann die 4 Kabel sein (wenn ich mich nicht irre).

    Nein sind auch 3 im Rundstecker. Beidseitig!

  1. DatenschutzerklÀrung
  2. Impressum
  3. Kontakt
  4. Geschichte der Vespa bei Wikipedia
  5. Nutzungsbedingungen
Made with ♥ in Bavaria
Community-Software: WoltLab Suite™