Hi Jungs,
mein Spezl hatte am Wochenende sein PK 50 XL2 zusammengeschraubt ( komplett zerlegt)
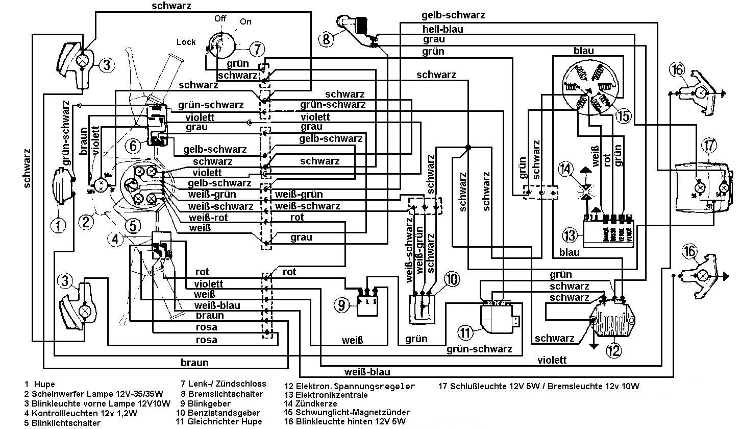
Lichter und die restliche Elektrik funktionieren ( Blinker, Anlasser, etc.)
nur hat mein Spezl keinen Funken. Habe dann die Blackbox durchgemessen.
Habe alle Werte gemessen, nur bei
Zündkabel
und Weiß
Zündkabel
und Rot
habe ich um einen ca. 5 kohm höheren Wert? Wie kommt das?
Kann das sein das er dadurch kein zündfunken hat?
Dann hat er auch leider den Zettel verloren, wo er die verkabelung für die Zündgrundplatte aufgeschrieben hat.
Wir haben dort 6 kabel, bei dreien konnte er sich noch erinnern, da die farbzuordnung (blau-blau war)
Die 3 hatte er durchgenkippst, die wir dann wieder gelötet haben.
bei den andern 3 haperts, (Steckkontakte), da man dort nicht, durch unterschiedliche farben, nach der farbzuordnung (blau-blau)gehen kann?
Weiss jemand wie dort die farben zusammengehören? (evtl. kleines Bild)
