1. Vespa Forum
    1. Unerledigte Themen
  2. Dashboard
  3. Galerie
    1. Alben
    2. Karte
  4. Lexikon
  • Anmelden oder registrieren
  • Suche
Dieses Thema
  • Alles
  • Dieses Thema
  • Dieses Forum
  • Forum
  • Galerie
  • Lexikon
  • Seiten
  • Erweiterte Suche
  1. VespaOnline Forum: Entdecke die Welt der klassischen Vespa-Roller und teile deine Leidenschaft
  2. Vespa Smallframe / Largeframe / Wideframe Roller
  3. Vespa Elektrik

kein zündfunke an pk50 xl 2

  • 12er
  • September 8, 2008 at 13:17
  • 12er
    Fortgeschrittener
    Punkte
    1,030
    Trophäen
    1
    Beiträge
    155
    Bilder
    2
    Wohnort
    Bayern
    Vespa Typ
    PX80 (I) Alt,PX200Lusso
    • September 8, 2008 at 13:17
    • #1

    Hi Jungs,

    mein Spezl hatte am Wochenende sein PK 50 XL2 zusammengeschraubt ( komplett zerlegt)

    Lichter und die restliche Elektrik funktionieren ( Blinker, Anlasser, etc.)

    nur hat mein Spezl keinen Funken. Habe dann die Blackbox durchgemessen.

    Habe alle Werte gemessen, nur bei

    Zündkabel
    und Weiß

    Zündkabel
    und Rot

    habe ich um einen ca. 5 kohm höheren Wert? Wie kommt das?

    Kann das sein das er dadurch kein zündfunken hat?


    Dann hat er auch leider den Zettel verloren, wo er die verkabelung für die Zündgrundplatte aufgeschrieben hat.

    Wir haben dort 6 kabel, bei dreien konnte er sich noch erinnern, da die farbzuordnung (blau-blau war)

    Die 3 hatte er durchgenkippst, die wir dann wieder gelötet haben.

    bei den andern 3 haperts, (Steckkontakte), da man dort nicht, durch unterschiedliche farben, nach der farbzuordnung (blau-blau)gehen kann?

    Weiss jemand wie dort die farben zusammengehören? (evtl. kleines Bild)

  • kasonova
    Foren-Inventar
    Reaktionen
    43
    Punkte
    31,593
    Trophäen
    2
    Beiträge
    6,227
    Bilder
    10
    Einträge
    3
    Wohnort
    Solingen
    Vespa Typ
    Vespa ET2, V50 Spezial, PK 50 XL2
    • September 8, 2008 at 17:24
    • #2

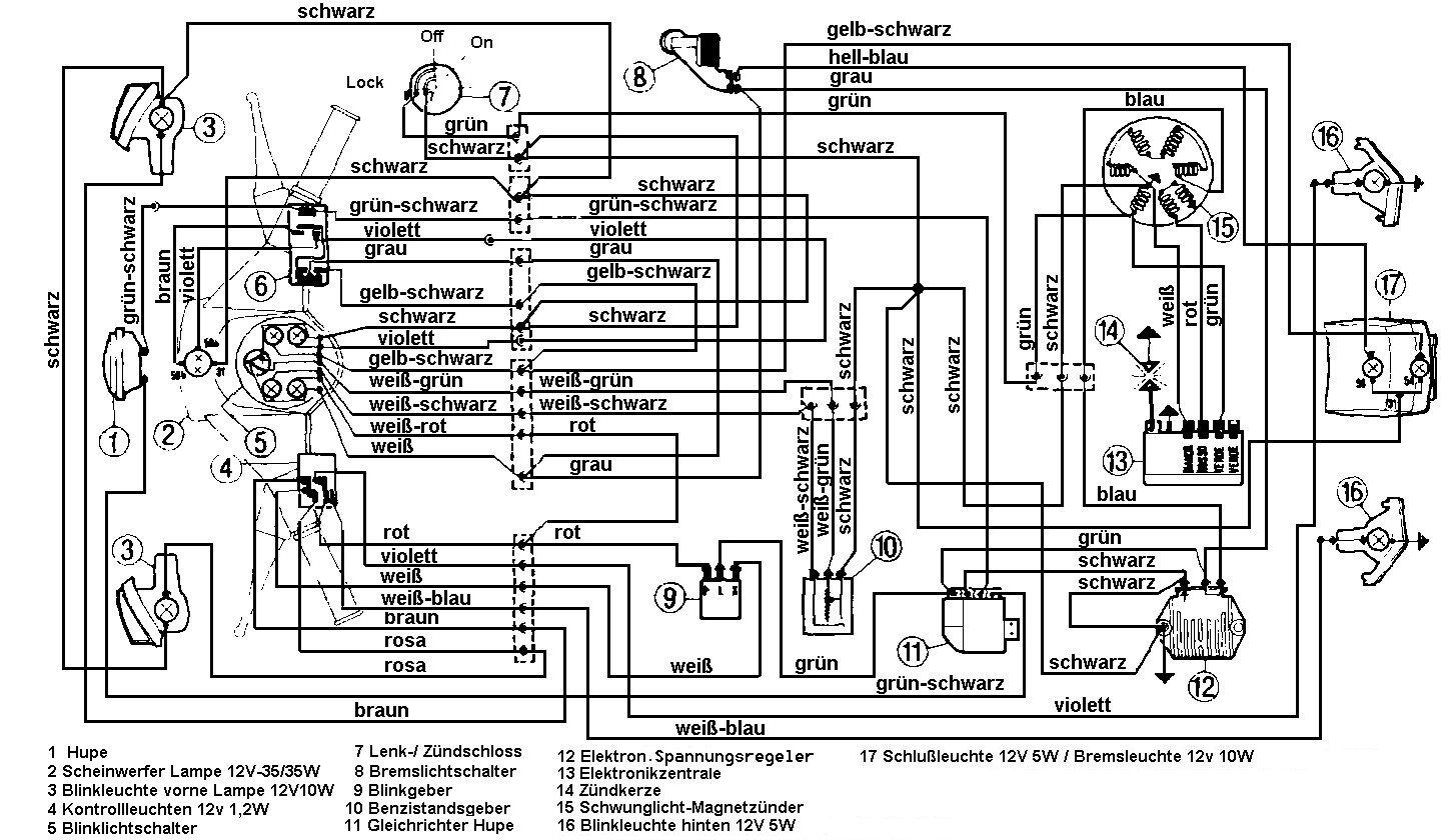
    Hi reicht der Schaltplan nicht ? Die Nr. 15 recht oben ist der Generator. Das Dreieck ist der Massepunkt im Generator. Auf 5 Uhr ist das Pickup.

    klaus

    Bilder

    • Schaltplan.jpg
      • 232.51 kB
      • 1,452 × 840
      • 216
  • 12er
    Fortgeschrittener
    Punkte
    1,030
    Trophäen
    1
    Beiträge
    155
    Bilder
    2
    Wohnort
    Bayern
    Vespa Typ
    PX80 (I) Alt,PX200Lusso
    • September 9, 2008 at 12:26
    • #3

    schaue mir die verkabelungen nochmal an

    wie siehts mit den widerständen aus?

    was misst ihr?

    Zündkabel
    und Weiß (10kohm)

    Zündkabel
    und Rot (10kohm)


    habe ich um einen ca. 5 kohm höheren Wert? Wie kommt das?

  • chup4
    VO-Inventar
    Reaktionen
    1,018
    Punkte
    60,223
    Beiträge
    11,661
    Bilder
    28
    Einträge
    1
    • September 9, 2008 at 13:50
    • #4

    klemm erstmal die boardelektrik vom motor ab und guck ob du dann nen zündfunken hast. miss beim kicken die spannung auf dem grünen kabel, sollten wechelspannung so 120 volt aufwärts drauf sein. wenn das klappt, dann zwischen rot und masse mal messen. da sollten so 0.9 volt ankommen

    wenn das der fall ist dann sollte die zgp schonmal in ordnung sein. dann cdi durchmessen nach widerstandswerten und n neues zündkabel mit neuem stecker und widerstandsfreier kerze nehmen.

    Aufbau eines Rennrollers für die European Scooter Challenge

    ESC seit 2013 K5


    BaB-Race-Meister 2015+2016

    K5 Pechvogel

    http://www.eurochallenge.de

  • 12er
    Fortgeschrittener
    Punkte
    1,030
    Trophäen
    1
    Beiträge
    155
    Bilder
    2
    Wohnort
    Bayern
    Vespa Typ
    PX80 (I) Alt,PX200Lusso
    • September 10, 2008 at 12:17
    • #5

    also die 120 volt bekomme ich knapp

    bei den 0.9 volt bekomme ich 0.5 volt

    messe heute nochmal mit einem besseren voltmeter, aber denke zgp is ok


    richtig angeschlossen habe ich es auch nach deinem schaltplan


    messe immer noch 5kohm zu viel zwischen

    Zündkerzenstecker
    und Weiß (10kohm)

    Zündkerzenstecker
    und Rot (10kohm)

    was misst den du?

    es kann ja nur noch die blackbox sein, da ja nun die zgp ok sein sollte

  • 12er
    Fortgeschrittener
    Punkte
    1,030
    Trophäen
    1
    Beiträge
    155
    Bilder
    2
    Wohnort
    Bayern
    Vespa Typ
    PX80 (I) Alt,PX200Lusso
    • September 10, 2008 at 12:19
    • #6

    meint ihr ich könnte mal die blackbox von einer pk50xl bzw. px80 alt

    ausprobieren, wenn ich die einbaue

    oder sind die unterschiedlich?

  • 12er
    Fortgeschrittener
    Punkte
    1,030
    Trophäen
    1
    Beiträge
    155
    Bilder
    2
    Wohnort
    Bayern
    Vespa Typ
    PX80 (I) Alt,PX200Lusso
    • September 11, 2008 at 08:32
    • #7

    also ich bekomme mit dem elektrischen anlasser eine spannung von 110 Volt

    und 0.5 volt

    kann das problem auch daher kommen, dass bei ihm die blinker erst gehen wenn ich den elektrischen anlasser

    betätige.

    weil bei meiner px80 alt gehen die blinker sobald ich nur die zündung einschalte???

    oh man, ich mein schon der hat irgendwie was falsch irgendwo angesteckt obwohl er sich alles aufgeschrieben hat.

Ähnliche Themen

  • PK 50 XL2 bei hoher Drehzahl Gasloch (keine Zündung?)

    • denk27
    • June 22, 2017 at 18:07
    • Smallframe: Technik und Allgemeines

Tags

  • Vespa PK 50 XL2
  • Vespa PK 50
  • Vespa Zündfunke
  1. Datenschutzerklärung
  2. Impressum
  3. Kontakt
  4. Geschichte der Vespa bei Wikipedia
  5. Nutzungsbedingungen
Made with ♥ in Bavaria
Community-Software: WoltLab Suite™