Hallo,
Ich habe meine PK50xl komplett zerlegt gehabt und nun wieder zusammengebaut.
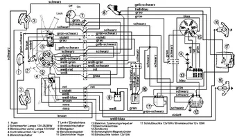
Den Kabelbaum habe ich auch draussen gehabt und wieder reingezogen. Logischer Weise.
Nun ist es so, dass meine Blinker zwar tun, aber die falsche Seite blinkt!?
Ich verstehe das nicht so ganz weil sowohl
1. der Schalter am Lenker nur so eingebaut werden kann wie er eben eingebaut ist.
2. Die Kabel vorne an der Lenksäule ja nur so gesteckt werden können wie man sie eben stecken kann
3. Auch die kabel die (zumindest vorne) die zu den Blinkern gehen ja eindeutig durch die 2 Hupenkabel auf ihre Seite festgelegt sind. (Blinkerkabel mit 4 Kabeln (2 für Hupe 2 für Blinker) müssen ja in Fahrtrichtung links sein (auf der anderen Seite ist das Schloß)
Wie gesagt, will ich links blinken muss ich den Blinker auf rechts stellen.
Ich sollte vielleicht noch erwähnen, dass die Kontrollleuchte im Tacho nicht funzt... was aber auch einfach an der Birne liegen kann... das überprüfe ich gleich.
Wo kann ich suchen, was kann cih tun?
cheers